hallo liebe Forianer,
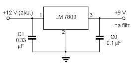
Ich habe einen Wecker gekauft, allerdings hat dieser nur Netzbetrieb. Nun möchte ich hinten im Heckbett bei den Leselampen eine USB Steckdose installieren und den Wecker dort anschließen. Der Wecker hat ein Netzkabel mit Transformator, die Parameter sind 9V 650mA, was muss ich außer USB Stecker anlöten noch dazwischen schalten um von den 12V des Bordnetzes auf 9V zu kommen?
Ich hoffe die Elektroniker unter euch können mir weiterhelfen...
vorweihnachtliche von Matthias



