Hallo miteinander,
bei meinem Ducato 244 war die Radioantenne in den Beifahrerspiegel eingebaut. Den habe ich geschrottet und seither keinen odentlichen Radioempfang mehr, da mir das Orginalersatzteil zum Preis von über 400€ zu teuer war. Der Versuch mit der Blaupunkt-Scheibenantenne war unbefriedeigend.
Meine Frage:
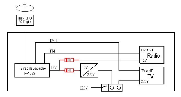
Funktioniert ein Autoradio mit einer UKW-geeigneten DVB-T Antennne auch wärend der Fahrt? Eine solche - allerdings nicht UKW-geeignete - habe ich bereits für den TV auf dem Dach, das Kabel liegt also schon und müsste nur per Weiche (welche?) an das Autoradio umgeleitet werden!
Weitere Frage: welche UKW-geigneten DVB-T Antennen sind zu empfehlen?
Habe hier im Forum schon viel über die Ufo-Antenne gelesen; ist hier eine separater UKW-Ausgang an der Antenne vorhanden (so dass man mit 2 Kabeln durchs Dach muss) oder reicht ein Kabel, das per Weiche im Womo-Innern aufgeteilt wird?
Freue mich auf eure Antworten und Tipps
charlie48



