aqua
anhaengerkupplung
hallo
Links zu ebay oder Amazon sind Werbelinks. Wenn Sie auf der Zielseite etwas kaufen, bekommen wir vom betreffenden Anbieter Provision. Es entstehen für Sie keine Nachteile beim Kauf oder Preis.

Kühlschrank innen beleuchtet


OstfrieslandBE am 22 Feb 2015 15:17:06

Hallo, hat schon jemand von euch den Kühli von innen beleuchtet? Ich möchte aber keine Batterieleuchte einkleben, da bei dieser das Ausschalten eh vergessen wird.
Hat jemand ne Idee? Schön wären LED-Strips, aber wie bekomme ich die 12V in den Kühli?

Anzeige vom Forum

Hier findest Du vielleicht schon, was Du suchst: Artikel auf eBay oder versuchs hier bei Amazon

Andi342 am 22 Feb 2015 15:20:16

Kann man doch auch mit einem Tür Schnappschalter lösen, du musst nur schauen wie du die Leitung in den Innenraum bekommst, da wirst du wohl ohne Bohren nicht weit kommen, sei denn du findest irgend einen anderen Weg nach drinnen. Ist auf jeden Fall eine gute Idee, bei uns ist es auch viel zu dunkel im Kühli...

Ganzalleinunterhalter am 22 Feb 2015 15:20:31

OstfrieslandBE hat geschrieben:Hallo, hat schon jemand von euch den Kühli von innen beleuchtet? Ich möchte aber keine Batterieleuchte einkleben, da bei dieser das Ausschalten eh vergessen wird.

Die Teile gibt es aber auch mit Sensoren

Anzeige vom Forum


Gast am 22 Feb 2015 15:20:41

Ich mach einfach die Tür auf, dann ist der Kühli beleuchtet.

Liebe , Alf

bert am 22 Feb 2015 15:23:59

Mein Kühli ist ab Werk auch mit Licht.

Kauf dir eine Batterieleuchte mit integriertem Schalter,
da wird dann nichts vergessen.

Wenns Netzgebunden sein soll:
Kuck wo der Thermostat reingeht,
vielleicht kannst du da die Drähte mit reinziehen.
Ansonsten hilft nur bohren und das Loch nach dem ziehen der Kabel
wieder abdichten.

bert

otone am 22 Feb 2015 15:32:17

Das einfachste wäre doch sicher eine batteriebetriebene Leuchte mit Bewegungssensor: Tür auf - Licht an; Tür zu -Licht aus! Gibts immer wieder bei Aldi,Lidl&Co für ca. 6€. Ich benutze die z.B. für Staufächer. Wie lange allerdings die Batterien im Kühlschrank halten weiß ich nicht.


Otone

pepe53 am 22 Feb 2015 15:52:53

Ich habe in die Blende vor dem Kühlschrank LED eingebaut und schalte sie über einen Reedkontakt mit der Tür an und aus. Den Strom dazu habe ich von der 12 V-Permanentzuleitung vom Kühlschrank abgeriffen.

Gast am 22 Feb 2015 15:59:30

pepe53 hat geschrieben:Ich habe in die Blende vor dem Kühlschrank LED eingebaut und schalte sie über einen Reedkontakt mit der Tür an und aus. Den Strom dazu habe ich von der 12 V-Permanentzuleitung vom Kühlschrank abgeriffen.


:!:

Alf

Gast am 22 Feb 2015 17:34:36

Mein Kühli hatte auch schon ab Werk Innenbeleuchtung. Aber in den Kleiderschrank habe ich eine Amazon Link geklebt. Die sollte im Kühlschrank auch funktionieren, und die Batterien halten schon ganz schön lange, dafür muss man nicht extra Kabel ziehen. Den Tipp hatte ich hier in einem anderen Thread gefunden.

womifahrer am 22 Feb 2015 18:06:09

[quote="dietergli"]Mein Kühli hatte auch schon ab Werk Innenbeleuchtung. Aber in den Kleiderschrank habe ich eine Amazon Link geklebt. Die sollte im Kühlschrank auch funktionieren, und die Batterien halten schon ganz schön lange, dafür muss man nicht extra Kabel ziehen.


hallo....gleiches teil habich seid ca.1 nem jahr im kühlschrank,geht tadellos,und wenn mal sense ist bei dem preis kein problem.

womostocki am 22 Feb 2015 20:13:34

Servus Reinhard,

leider schrubst Du nicht, was für einen Kühlknecht Du Dein Eigen nennst. Habe es gerade bei einem Dometic RM 7192 realisiert. Zwei LED Stripes tauchen den Innenraum in eine warmweisses Licht, wenn man die Tür aufmacht. Zu bohren brauchte ich nicht, sondern nutzte die naturgegeben Möglichkeiten aus.

Eine kurze Beschreibung:
Wenn Du den Kühli aufmachst befindet sich links hinten in der Ecke ein Thermofühler. Dieser wird mit zwei Drähten "gespeist". Diese beiden Drähte werden durch die Decke nach draussen geführt. Diese Bohrung ist bei unserem Kälteaggregat so dick, dass ich noch die Litze für die Spannungsversorgung der Stripes mit durchführen konnte.

Um das ganze zu schalten, habe ich einen Miniaturtaster mit Umlenkrolle, guckst Du hier: --> Link, verbaut. Das Kabel zum Schalter habe ich dann vorsichtig mit Sekundenkleber befestigt. Sollte der Link nicht funzen, gebe in das Suchfeld des Ladens mit dem kleinen R "MAR 1050.5702" ein.

Die beiden Stripes sind momentan noch direkt an die Bordspannung angeschlossen. Der Buck-Boost-Konverter vom freundlichen Chinamann bei Ebay liegt aber schon auf dem Schreibtisch und wird dann bei nächster Gelegenheit eingebaut, damit die LED's immer exakt ihre 12 V Nahrung erhalten, egal wie die Bordspannung schwankt.

Photos, wenn gewünscht, kann ich erst am Dienstag machen. Von der eigentlichen Kabelführung nach außen, wird man aber nicht viel erkennen können.

Es grüßt

Andreas

OstfrieslandBE am 22 Feb 2015 21:29:48

Vielen Dank für die vielen Tipps. Ist mit Sicherheit was bei zum Verwirklichen. Nach Vollendung werde ich mich mit Bildern zurück melden.

Gast am 30 Mär 2015 01:39:01

Das ist ja ein Zufall ...

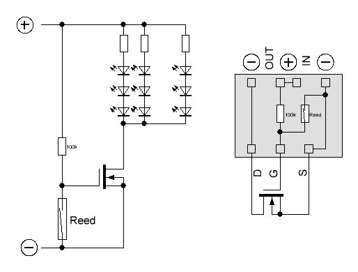
habe heute auch erst meinen alten Kühli mit einer Beleuchtung nachgerüstet, geschaltet wird das Licht über ein Reed-Kontakt und einem FET.






karlo56 am 30 Mär 2015 09:44:08

Hallo Ralf,
toll gemacht :D :top:
OT. Bringen die Lüfter am Kühlkörper mehr Kühlleistung?

Gast am 30 Mär 2015 12:03:05

OT. Bringen die Lüfter am Kühlkörper mehr Kühlleistung?


Es handelt sich dabei um zwei gleiche 12V-Lüfter die ich in Reihe geschaltet habe, so sind diese nur bei geöffneter Tür zu hören.

Wenn der Kühlschrank voll geräumt ist, wird die Luft besser umgewälzt ... ohne Lüfter geht das nur dynamisch und das dauert länger.

Die Fühler für die Innenraum-Temp-Anzeige und das nachgerüstete elektronische Thermostat sitzen unterm Gefrierfach und nicht mehr am Wärmetauscher,
so wird der wirkliche Wert angezeigt bzw. zum Regeln verwendet ... mit 220V und auch mit 12V bekomme ich so Temperaturen um die 6-7 C° ohne Problem hin.
Auch das erzeugen von Eiswürfeln im Gefrierfach sind kein Problem.

karlo56 am 30 Mär 2015 12:31:11

Hallo Ralf,
da hab ich ja wieder was zum Basteln. :D

DJCeasefire am 03 Apr 2015 11:27:48

Bei mir sind es Lampen, die mittels an der Tür angeklebten Magnetsensor angehen. Zwei Stück haben keine fünf Euro gekostet. :)

Anzeige

  • Die neuesten 10 Themen
  •  
  • Die neuesten 10 Reiseberichte
  • Die neuesten 10 Stellplätze

Verständnisfrage Deckenventilator
Schlechte Kühlleistung Dometic RM7655L im Gasbetrieb
Alle Rechte vorbehalten ©2003 - 2026 AGB - Datenschutzerklaerung - Kontakt