rump
luftfederung
hallo
Links zu ebay oder Amazon sind Werbelinks. Wenn Sie auf der Zielseite etwas kaufen, bekommen wir vom betreffenden Anbieter Provision. Es entstehen für Sie keine Nachteile beim Kauf oder Preis.

Energiewende 12V Aufbauelektrik


benimar62 am 30 Mai 2015 15:12:00

Gestern erfolgte der Austausch von 2x90 Ah Bleibatterien gegen eine 160 Ah Lithium von Victron incl.den erforderlichen Komponenten
(BMS 12/200 usw) und einem Batteriemonitor BMV-702.
Da auch einige vom Vorbesitzer installierten Verkabelungen zu entfernen waren :evil: hielt ich es für ratsam alles von einem
Fachmann realisieren zu lassen :ja: ,und da ist man bei André ( AMUMOT) in besten Händen :daumen2:
Dazu noch einige Bilder von der Aktion :lol:

franz











Anzeige vom Forum

Hier findest Du vielleicht schon, was Du suchst: Artikel auf eBay oder versuchs hier bei Amazon

heiinjoy am 30 Mai 2015 15:45:47

Hallo Franz,

sehe ich das richtig, dass die Batterie liegend eingebaut ist?

Ich liebäugele auch mit einer solchen Anlage, habe aber an Höhe im Batteriefach nur 28 cm. Liegend wäre kein Thema. Was meint Victron dazu?

Ansonsten herzlichen Glückwunsch zum Umbau.

Beste

Heiinjoy

benimar62 am 30 Mai 2015 16:14:11

Ja,sie ist liegend verbaut 8)
Während manche noch Jahrelang diskutieren ob Stehend oder Liegend,mach ich es einfach nach dem Motto
"no risk no Fun " :twisted: in meinem Handy liegen sie ja auch :kuller: :haendereib:
franz

Anzeige vom Forum


rodiet am 30 Mai 2015 17:00:15

Wie ich sehe, ist die Batterie nur mit einem Gurt gesichert. Meinst du, dass der im Falle einer Notbremsung, von Crash will ich garnicht reden, die Batterie sicher am Platz hält?

benimar62 am 30 Mai 2015 17:14:35

rodiet hat geschrieben:Wie ich sehe, ist die Batterie nur mit einem Gurt gesichert. Meinst du, dass der im Falle einer Notbremsung, von Crash will ich garnicht reden, die Batterie sicher am Platz hält?


Der Gurt diente nur um die Batterie in das Fach zu heben,die aktuelle Halterung aus Edelstahl wird
durch die Schublade verdeckt.

franz

mircolino am 30 Mai 2015 18:04:52

darf man fragen was der Umbau gekostet hat?

benimar62 am 30 Mai 2015 18:13:21

mircolino hat geschrieben:darf man fragen was der Umbau gekostet hat?


Preise kannst du hier nachlesen und dann Andrè (AMUMOT) kontaktieren.
Franz

--> Link

Yago am 30 Mai 2015 18:44:57

Hallo, mich würde interessieren welche Ladespannung mit 230V Ladegerät ansteht, und mit welcher Spannung bei Solarbetrieb und Lichtmaschine geladen wird.
Danke und
Gerhard

stormstory am 30 Mai 2015 18:50:28

Moin aus Hamburg,
sieht toll aus , sehr schön!
Ich habe mich für für eine DUW ESY 160 entschieden.
Die verbauten Winston Zellen sind auch bei Minus Temperaturen ladefähig, ist es bei dieser Batterie auch so?
Ich bin bislang sehr zufrieden nachdem ich mehrere Bleibatterien verbraucht hatte, endlich keine Sorgen mehr!
Auch die exakte Kontrolle über den Zustand der Batterie macht Freude!

stormstory

schnatterente am 30 Mai 2015 19:13:07

stormstory hat geschrieben:Die verbauten Winston Zellen sind auch bei Minus Temperaturen ladefähig, ist es bei dieser Batterie auch so?

Aber sicher!

Betriebstemperatur: -20°C bis 50°C
Lagertemperatur: -45°C bis 70°C

benimar62 am 30 Mai 2015 19:14:31

Yago hat geschrieben:Hallo, mich würde interessieren welche Ladespannung mit 230V Ladegerät ansteht, und mit welcher Spannung bei Solarbetrieb und Lichtmaschine geladen wird.
Danke und
Gerhard



Hallo Gerhard

Techn. Angaben über Ladeströme kannst du hier entnehmen
franz

--> Link

benimar62 am 30 Mai 2015 19:19:47

stormstory hat geschrieben:Moin aus Hamburg,
sieht toll aus , sehr schön!

Die verbauten Winston Zellen sind auch bei Minus Temperaturen ladefähig, ist es bei dieser Batterie auch so?
Ich bin bislang sehr zufrieden nachdem ich mehrere Bleibatterien verbraucht hatte, endlich keine Sorgen mehr!
Auch die exakte Kontrolle über den Zustand der Batterie macht Freude!

stormstory


Hallo
Ja,Winston Insite :lach:

franz

Gast am 30 Mai 2015 19:26:12

Die gelbgrünen und blauen Drähte nach dem Sicherungsverteiler sind das 12Volt + ?

Dann wäre es farblich nicht richtig.

Liebe , Alf

mantishrimp am 30 Mai 2015 19:30:38

KudlWackerl hat geschrieben:Die gelbgrünen und blauen Drähte nach dem Sicherungsverteiler sind das 12Volt + ?


Mit dem gelbgrünen hast du nicht ganz unrecht aber der blaue wird in der Branche oft als 12 V+ genutzt.

benimar62 am 30 Mai 2015 19:33:10

KudlWackerl hat geschrieben:Die gelbgrünen und blauen Drähte nach dem Sicherungsverteiler sind das 12Volt + ?



Liebe , Alf


Nein :roll:

franz

stormstory am 30 Mai 2015 20:57:00

Ich habe nochmals bei Victronenergy nachgeschaut,
schnatterente und benimar62 irren sich meiner Meinung nach.
Die mindest Temperatur zum LADEN liegt bei 0 Grad C !
Ich habe leider auch keinen Hinweis über die Hersteller Angaben der verbauten Zellen gefunden.
sonnentau hat in seinen Ausführungen darauf hingewiesen, dass leider nur bei Winston Zellen Ladung bei Minus Graden möglich ist.
Liege ich vielleicht falsch? Habe ich etwas übersehen?

Wir können hier einen Erfahrungsaustausch zwischen den Victron- und ESY Batterien starten.

stormstory

belvenfish am 30 Mai 2015 21:21:39

ganz verstehe ich dein Problem nicht, bei mir friert es selten im Schrank, dürfte von daher ok sein. ?! :oops: :eek:

lisunenergy am 31 Mai 2015 07:14:03

So weit ich gehört habe verbaut victron Zellen von Winston?. Diese sind blau gefärbt . Ob extra eine andere Chemie verwendet wird ( lfp ) weiß nur der Hersteller selber. Thema Ladung unter 0 Grad.
Würden es Winston Zellen sein , haben diese ein flüssiges Elektrolyt. Wie wir jetzt wissen darf laut winston der Akku nicht liegen !

Ich wünsche dir immer genügend Strom .

stormstory am 31 Mai 2015 09:36:41

Meine ESY Batterie ist von duw-energie liegend eingebaut worden. Das Gehäuse ist so konzipiert.
Dort im Hause sieht man darin kein Problem.
Ich habe von dort eine zehnjährige Leistungszusage, eine Mikro SD Karte zeichnet 15 Jahre lang alle Daten auf.
Via Smartphone sende ich diese Daten von Zeit zu Zeit nach Herford.
Wir waren dieser Tage in Nordfriesland unterwegs, ohne Landstrom, nebenbei auch vom Pedelek den Akku geladen, dabei nicht unter 65% Ladekapazität gekommen. Die Sonneneinstrahlung war eher gering, die Ladung erfolgte über die Lichtmaschine. Da wir bislang maximal 4Tage Aufenthalt hatten, sind wir sehr zufrieden mit unsrer ESY, die nun schon ein Jahr unter dem Fahrersitz "arbeitet".

Zur Befestigung der Victron Batterie im Schrank, gehen die Schrauben bis in den Boden, oder ist die Sicherung nur im Schrankboden verankert?


stormstory

benimar62 am 31 Mai 2015 10:02:45

stormstory hat geschrieben:
Zur Befestigung der Victron Batterie im Schrank, gehen die Schrauben bis in den Boden, oder ist die Sicherung nur im Schrankboden verankert?


stormstory



Die Schrauben der Batteriehalterung gehen durch den Fahrzeugboden mit Gegenplatte,und das Oberteil
wurde für die Neue leicht modifiziert :lach:

franz

lisunenergy am 31 Mai 2015 10:54:34

Wenn der Hersteller das verbietet, staune ich, das keine Probleme gesehen werden. Garantie nützt nur was, wenn es die Firma noch gibt. Siehe bei vielen Solarfirmen.
Ich werde mal auf der Intersolar mit Winston sprechen. Winston hat dieses Jahr einen Stand mit Faktor und GWL.

andwein am 31 Mai 2015 11:48:29

schnatterente hat geschrieben: Aber sicher! Betriebstemperatur: -20°C bis 50°C, Lagertemperatur: -45°C bis 70°C

Wirklich sicher???
Ist nämlich lt. Bild eine LiFePo4 und keine LiFeYPo4. Soweit ich die Chemie und die Technik verstanden habe ist das Ytrium (Y) für die Ladefähigkeit bei Kälte und damit für die "unter 0 Grad Grenze"
Bin aber kein Batteriechemiker und habe diese Kenntniss aus verschiedenen Fachartikeln. Vielleicht habe ich ja was falsch verstanden.
Andreas

benimar62 am 31 Mai 2015 12:25:30

zur Klarstellung.
Auszug von Victron :
Betriebstemperatur


-20°C bis +50°C (nicht laden, wenn Batterietemperatur < 0°C)

Lagertemperatur


-45 °C bis +70 °C

franz

andwein am 31 Mai 2015 12:32:45

Aha!
Andreas

biauwe am 31 Mai 2015 17:19:43

Auch ohne Yttrium kann man ab -30°C Akkus laden:

A123 Systems 18Ah-20Ah --> Link
Nennkapazität: 20Ah
Nennspannung: 3,3 V
Entladung: max. 2400W/kg, (Dauerentladung mit >15C getestet)
Entladeschlussspannung: 2,0V / (Pulse bis 1,6V)
Ladestrom (max.): 300A (15C - hohe Rekuperation möglich)
Ladeschlussspannung (max.): 3,6V / (Pulse bis 3,8V)
Gewicht: ca. 490gr.
Maße (LBH) : 227 x 161 x 7,2 mm

Temperaturbereiche:
Betriebsbereich -30°C bis +55°C
Lagerung -40°C bis +60°C

Alle Angaben laut Hersteller

schnatterente am 31 Mai 2015 18:06:14

schnatterente hat geschrieben: Aber sicher! Betriebstemperatur: -20°C bis 50°C, Lagertemperatur: -45°C bis 70°C

andwein hat geschrieben:Wirklich sicher???

Ich habe es auch nur abgeschrieben (wie in der Schule) :-) Jetzt wäre wirklich interessant zu wissen, ob bei Victron auch das Y vorhanden ist, denn daran scheint es ja zu liegen aber auch ohne beweist biauwe das Gegenteil. Aktuelle Praxistest´s werden wir wohl verschieben müssen. oder fährt jemand demnächst hier hin --> Link bzw. mit dem Womo in die Tiefkühltruhe? :mrgreen: :mrgreen: :mrgreen:

Ich würde jedenfalls kein Womo beziehen, welches mit Minusgraden vorgeheizt ist ;-D

lisunenergy am 31 Mai 2015 19:12:05

Betriebsbereich ist nicht Ladebereich. Jeder lifepo4 Akku kann bei minusgraden geladen werden. Es ist aber von der Stromstärke abhängig. Daher begrenzen viele den Ladestrom. Bei victron habe ich ein y gefunden. Im Sicherheitsdatenblatt ist es zu finden. Ob aber andere Zutaten für victron genommen wurden weiß ich nicht.
Für Leute ohne Mut zum selbermachen, eine gute Alternative.

lisunenergy am 31 Mai 2015 19:23:02

Hier mal der Link dazu --> Link

lisunenergy am 01 Jun 2015 11:18:30

Wo man bei diesem System aufpassen muß ist eine getrennte Masse . Die li Batterie darf nicht mit der Masse vom Fahrzeug verbunden sein. Laut victron darf der Akku liegend verbaut werden. Eigenartig wenn die Zellen laut Zellersteller nur stehen dürfen.

belvenfish am 01 Jun 2015 23:14:49

Kannst du das mal näher erläutern, wie soll denn das genau funktionieren mit der getrennten Masse, bin kein Elektriker, daher wundert mich das jetzt, wie denn das gehen soll?

lisunenergy am 02 Jun 2015 06:10:58

Ich hatte das am Anfang auch übersehen. Das Bms liegt in der Masseleitung. Die Starterbatterie mit Lima muss links angeschlossen werden. Alle anderen Ladequellen und Verbraucher rechts. Es darf keine gemeinsame Masse verwendet werden ! Laut Schaltplan ersichtlich. Es gibt Fahrzeuge die manchmal noch eine 2 Batterie haben von der manche nichts wissen. Wird die übersehen ist das Bms witzlos. Wurde direkt darauf aufmerksam gemacht.

mircolino am 02 Jun 2015 06:19:13

Hallo,
ich habe gleiches vor.
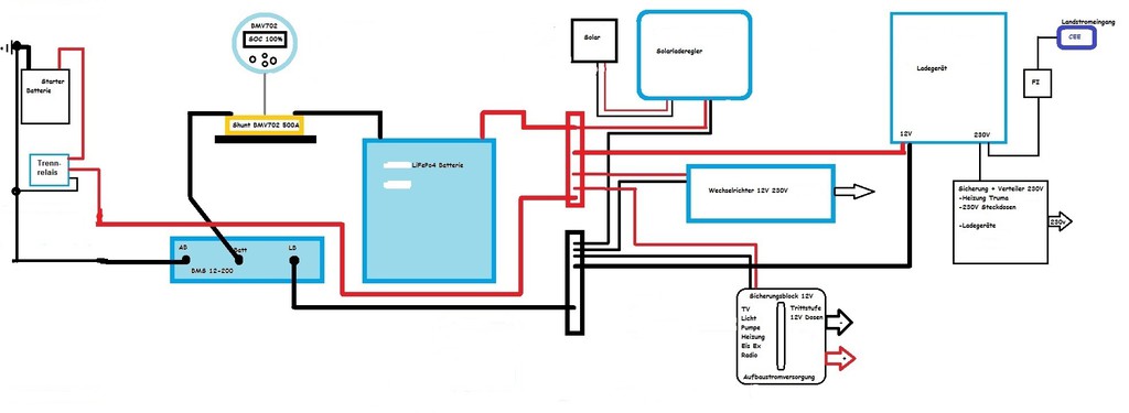
Habe mal eine Zeichnung von Amumot auf meine Bedürfnisse abgeändert.

Frage an die Experten, hat das so Hand & Fuß?


belvenfish am 02 Jun 2015 09:30:48

Also verstanden. das Batteriemanagementsystem wird nur über Masse geschaltet und trennt Fahrzeugbatteriesystem von Aufbaubatteriesystem und externem 240 V-Anschluss. Den BMV700 kann man auch weglassen, der ist nicht "lebenswichtig". Nicht ganz klar ist mir bei deiner Zeichung der Anschluss deines Wechselrichters, 12 V rein, wo schließt du denn deine 240 an, die du produzierst? Pfeil in den leeren Raum versteh ich nicht. Geht der einfach in den 240 Ausgang des Ladegeräts? Müsste ja dann irgendwo ein Relais noch sein.

, Gernot

schnatterente am 02 Jun 2015 10:51:28

belvenfish hat geschrieben:Nicht ganz klar ist mir bei deiner Zeichung der Anschluss deines Wechselrichters, 12 V rein, wo schließt du denn deine 240 an, die du produzierst?

Vielleicht ein separater 230V Kreis mit Steckdosen, so haben wir das zum Beispiel

benimar62 am 02 Jun 2015 10:58:06

belvenfish hat geschrieben: Den BMV700 kann man auch weglassen, der ist nicht "lebenswichtig".

, Gernot


Das währe ja so wie ohne Tankanzeige :lach:
WR geht bei uns, wie bei Markus an den sep.230 V Kreis

franz

mircolino am 02 Jun 2015 12:54:30

schnatterente hat geschrieben:Vielleicht ein separater 230V Kreis mit Steckdosen, so haben wir das zum Beispiel


genau so ist es.

lisunenergy am 02 Jun 2015 17:49:35

Wenn ich es richtig sehe braucht das Trennrelais nicht sein. Für DC Lasten wird noch laut Plan ein Orion dc dc Wandler galvanisch getrennt vorgeschrieben. Jedenfalls lese ich das so.
Bat Monitor ist einfach Pflicht .! Das ware bei dem Preis an der falschen Stelle gespart.

mircolino am 02 Jun 2015 23:48:17

sonnentau3 hat geschrieben:...Für DC Lasten wird noch laut Plan ein Orion dc dc Wandler galvanisch getrennt vorgeschrieben. Jedenfalls lese ich das so.


Kannst du mir sagen wo das geschrieben steht?

lisunenergy am 03 Jun 2015 05:40:53

In der PDF vom Bms 12 / 200 --> Link

belvenfish am 03 Jun 2015 09:05:27

:lach: Preise hatte ich jetzt noch nicht in Betracht gezogen. Scheint mir aber etwas sagen wir unelegant mit einem weiteren separaten Kreis und Steckdosen für den WR, das müsste doch eleganter gehen? Jedenfalls habe ich die Angelegenheit jetzt soweit verstanden, vielen Dank!

. Gernot

mircolino am 03 Jun 2015 09:42:06

natürlich geht das mit einer Vorrangschaltung.

Acki am 03 Jun 2015 09:43:49

Im Zeitalter von "Vorrangschaltungen" müsste doch auch hier etwas zu machen sein, ohne einen separaten 230V Kreis aufbauen zu müssen ... :wink:

lisunenergy am 03 Jun 2015 21:54:30

Wenn man einen Ladebooster verwendet geht dieser nicht auf den Anschluss lima zu klemmen. Ob es auf der Last Seite funktioniert wird noch geprüft. So wurde es mir vom victron Service erklärt.

Anzeige

  • Die neuesten 10 Themen
  •  
  • Die neuesten 10 Reiseberichte
  • Die neuesten 10 Stellplätze

Fragen zu LiFePO Komponenten
Solar Laderegler für lifepo4
Alle Rechte vorbehalten ©2003 - 2026 AGB - Datenschutzerklaerung - Kontakt