Fehler: Versorgungsbatterie wird während der Fahrt nicht geladen.
Spannungsmessung am EBL:
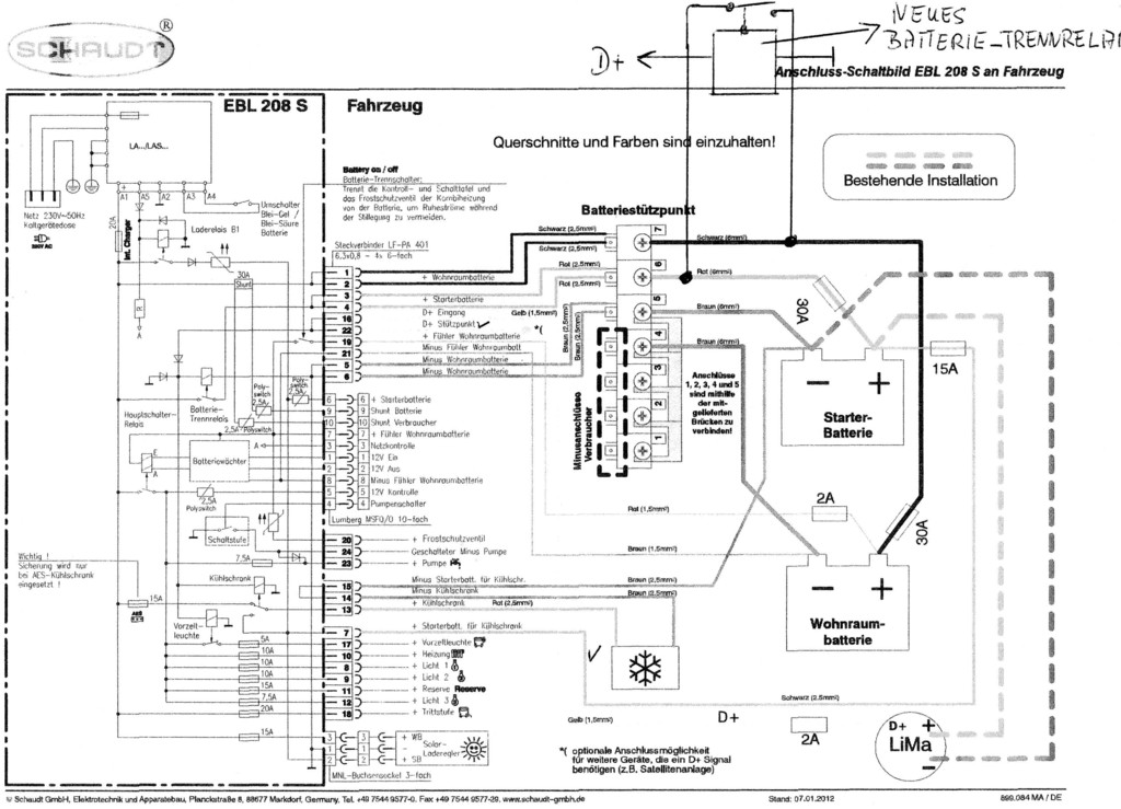
1.) Kontakt 1+2 Wohnraumspannung vorhanden
2.) Kontakt 3+4 Spannung Starterbatterie Ruhezustand 12,7 V - Motor an 14,5 V
3.) D+ Kontakt 16 Motor an vorhanden, ( Antenne fährt ein, Kühlschrank bei Motorbetrieb auf 12 V, Trittstufe fährt ein alles OK.
4.) Kontakt 19 +Fühler über 2 A Sicherung von Wohnraumbatterie versorgt.
Alle geschaltenten Funktionen überprüft und in Ordnung.
Damit gehe ich davon aus, dass das Trennrelais nicht schaltet und die Starterbatterie bei Motorbetrieb nicht parallel der Versorgungs-
batterie gelgt wird. An den Kontakten 1+2 ist immer nur die die Versorgungdbatteriespannung zu messen.
Da ich auf AGM 2 Batterien umgestellt habe, möchte ich noch die Anlage umbauen. Daher will ich auch im Augenblick nicht die EBL208s
zu Schaudt einschicken. Es gibt eine 211, die AGM 2 Batterien laden kann.
Um kurzzeitig doch während der Fahrt die Batterien laden zu können, habe ich mir gedacht, ein externes Batterie-Trennrelais zwischen
den Kontakte 3+4 (Starterbatterie) und 1+2(Versorgungsbatterie) geschaltet mit D+ zu schalten. Damit würde ich dann das interne Relais
überbrücken.
An die Elektroniker:
Gibt es meinerseite ein Gedankenfehler oder kann man es so schalten?
aus OWI
Beho
PS: ic hoffe dass ich das Schaltbild richtig hochgeladen habe.


