aqua
hubstuetzen
hallo
Links zu ebay oder Amazon sind Werbelinks. Wenn Sie auf der Zielseite etwas kaufen, bekommen wir vom betreffenden Anbieter Provision. Es entstehen für Sie keine Nachteile beim Kauf oder Preis.

Kühlschrank defekt - Bürstner 642-2


jaki am 04 Nov 2015 12:05:59

Wer kann mir eien Auskunft geben ?

Unser Kühlschrank ist defekt udn wir wollen einen neuen einbauen.

Der alte hat die Tiefe von ( mit Tür ) 545 mm der Neue hat jedoch eine Tiefe von 575.

Hat jemand Erfahrung damit ob er passen würde etc.?

mfg

Anzeige vom Forum

Hier findest Du vielleicht schon, was Du suchst: Artikel auf eBay oder versuchs hier bei Amazon

Gast am 04 Nov 2015 13:28:07

Hallo Jaki,
willkommen im Forum.
Etwas mehr von Dir zum Einstand und genauere Angaben zu Deinem alten vs neuen Kühlschrank wären sehr dienlich gewesen.
Ich nehme mal an, dass die Einbautiefe aus der jetzt gewölbten Tür resultiert.
Genau kann man das aber nur sagen, wenn Du preis gibst, welches Modell Du verbauen möchtest.

VG Petri

jaki am 04 Nov 2015 13:47:11

Hallo wo du recht hast hast du Recht.

Jetzt ist ein Eletrolux rm4501 eingebaut der keine gewölbte Türe hat

der neue soll dieser sein Kühlschrank N3150-A also 3cm tiefer. Der Preisunterschied ist schon enorm.

vg

Anzeige vom Forum


Gast am 04 Nov 2015 19:48:23

Die Einbauskizze gibt Aufschluss darüber woraus die Differenz resultiert.



siehe auch:
--> Link

VG Petri

jaki am 05 Nov 2015 08:12:08

Vielen Dank für die antwort. D.H ja er passt.

Noch ein paar Fragen dazu:

Muß die Gasleitung geändert werden ?

Dann habe ich vom Bürstner aus diverse Kabel

Steckdose ist klar
2 Kabel dicke für die Batterie
2 dünnere werden ja für die zündung sein
dann ist aber noch ein Stecker mit 2 Adern da ( waren aber nicht angeschlossen oder ist abgefallen ) weis jeamnd zufällig wofür die sind ?

lg

jaki am 10 Nov 2015 13:53:52

An dem neuen Kühlschrank Thretford N3150-a sidn 5 Anschlüsse ( ohne 230 Volt ) .

Vorher waren 4 Anschlüsse im Bürstner . Kann mir da jemand weiterhelfen ?

lg

heinzelmo am 10 Nov 2015 17:29:42

was stehen denn für Nummern auf den Kabeln? Mit der Nummer kann man bei Bürstner jedes Kabel zuordnen

jaki am 10 Nov 2015 17:59:05

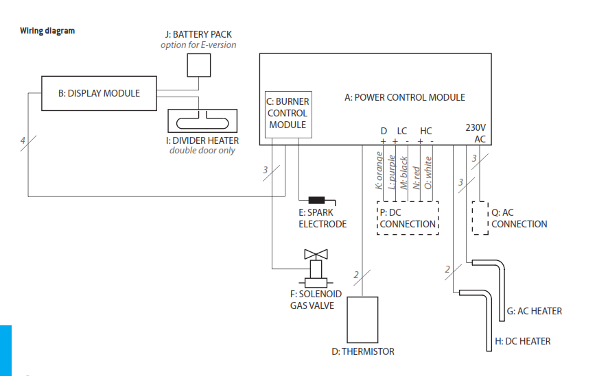
Hallo danke für deine Antwort. Es geht sich zunächst einmal für den kühlschrank

Dort sind fünf Kabel

Lila
Schwarz
Orange
Rot
Weiß

Dazu benötige ich wofür diese sind

lg

Gast am 10 Nov 2015 20:34:22

Schau mal ob Dir das weiter hilft.





Kannst Du aber auch in dem Link, den ich Dir hinterlegt hatte nachlesen.
Typ selektieren und dann Installationsanleitung aufrufen.

VG Petri

jaki am 11 Nov 2015 07:48:43

Hallo Petri

danke. Das ist ja wo ich nicht gant durchblicke

Lila
Schwarz
Orange
Rot
Weiß

Ich habe ja zwei dicke Kabel am Kühlschrank rot ist + und weiß ist - die weiß ich zuzuordnen

die anderen dünne Kabel ist lila ist + und schwarz ist -

und orange auch ein dünnes Kabel ist D+Signal ????????? verstehe ich nicht


lg

bernie8 am 11 Nov 2015 12:19:48

Hallo Jaki,

D+ ist der Erregerstrom von der Lichtmaschine.
Dient als Schaltsignal bei laufendem Motor.

jaki am 11 Nov 2015 12:37:57

danke für die hilfreiche ANtwort

lg

Anzeige

  • Die neuesten 10 Themen
  •  
  • Die neuesten 10 Reiseberichte
  • Die neuesten 10 Stellplätze

Kühlschrank Hymer Exsis I
Welche Winterabdeckung EURA 630LS kleiner Kühlschrank
Alle Rechte vorbehalten ©2003 - 2026 AGB - Datenschutzerklaerung - Kontakt