rump
anhaengerkupplung
hallo
Links zu ebay oder Amazon sind Werbelinks. Wenn Sie auf der Zielseite etwas kaufen, bekommen wir vom betreffenden Anbieter Provision. Es entstehen für Sie keine Nachteile beim Kauf oder Preis.

Trennrelais DS 300 und Votronic VCC 1212-30


wolverine am 07 Apr 2022 20:31:54

Guten Abend!
Ich habe in unserem Mini-Mobil (Bresler Junior 496) zur Verbesserung der Batterieladung (2 ganz neue VOLTIC VDC65 Deep Cycle AGM 65Ah) einen Votronic VCC 1212-30 Booster eingebaut. Dem Internet und der Einbauanleitung habe ich entnommen, dass es sinnvoll ist, das Trennrelais in der DS 300 (gehört zum CB-522) zu deaktivieren, indem man den Widerstand R 37 abtrennt. So wurde es gemacht. Allerdings musste ich dann feststellen, dass die Aufbaubatterien dann gar nicht mehr von der LiMa geladen wurden. Eine intensive Fehlersuche (zunächst nach all den negativen Rezensionen zu dem Votronic-Booster hatte ich einen defekten Booster vermutet, aber die 40-A-Sicherungen waren intakt) folgte und ich musste feststellen, dass das Trennrelais in der DS 300 auf offen steht - dann fließt natürlich nix.
Der R37 ist ein 0-Ω-Widerstand - den kannte ich auch noch nicht. Davon kommen tatsächlich mehrere in der DS 300 vor - ich schätze, die lassen sich leichter bestücken und verlöten als Brücken. Kaufen kann man so etwas jedenfalls nicht so einfach -alle entsprechenden Geschäfte in Valencia mussten passen.
Ich wollte nun einfach einen isolierten Draht anstelle des 0-Ω-Widerstands einlöten und schauen, ob ich das Trennrelais irgendwie in die angezogene Stellung bewegen kann. Aber trotz intensiver Versuche ließ sich da nichts anlöten - keine Ahnung, was die für Materialien verwendet haben (ich habe mal 4 Wochen im Prüflabor gearbeitet - ich kann löten und auslöten).
Was macht der R37 eigentlich? Offensichtlich stellt er eine widerstandsfreie Verbindung zu irgendwas her, aber ich konnte keinen Schaltplan der Platine finden.
Als Nothilfe habe ich B1 (Starterbatterie) in der VS 300 direkt auf B2 (Aufbaubatterie) geklemmt - jetzt funktioniert hinten zwar alles gut (das Trennrelais im Votronic auch), auch Solarladung, aber es findet keine Erhaltungsladung der Starterbatterie durch Solar oder Landstrom mehr statt, was ja auch irgendwie doof ist.
Nun stellt sich die Frage, ob es eine andere Möglichkeit gibt, das Trennrelais der VS 300 irgendwie dauerhaft zu brücken oder eben zum Anziehen (und in der angezogenen Stellung bleiben) zu bewegen.
Hat da jemand Erfahrungen?
Über Hilfe und Anregungen würde ich mich freuen, Eure Vielfräßin

Anzeige vom Forum

Hier findest Du vielleicht schon, was Du suchst: Artikel auf eBay oder versuchs hier bei Amazon

Hannus am 08 Apr 2022 09:07:30

Hallo
Da hast du wohl was falsch gemacht.
Die original Verkabelung muss kpl. erhalten bleiben. Nur der Widerstand wird durchgetrennt.
Der Booster wird eigenständig parallel dazu direkt zwischen Starter und Aufbaubatterie geklemmt.

silver34 am 08 Apr 2022 09:18:45

Ob man jetzt den Booster direkt auf die Batterie schaltet oder die Zuleitung von der Starter von B1 auf B2 klemmt ist in der Konstellation wurscht!!

Du must aber das Kabel für die Erhaltungsladung vor den Booster also zwischen Starterbatterie und Booster umklemmen , dan geht alles wie gewünscht

Anzeige vom Forum


Hannus am 08 Apr 2022 14:15:32

Die einfachste Version, einen Booster an eine DS300 anzuschließen, sieht übrigens so aus. Alles andere bleibt wie es ist.


wolverine am 09 Apr 2022 10:38:15

Genau so wie Ihr das schreibt, hatte ich es ja gemacht. Originalverkabelung erhalten, R37 abgetrennt. Votronic in den B1-Kreis und D+ usw. anschließen.

ABER dann bleibt das Trennrelais in der DS 300 dauerhaft geöffnet und es kann kein Strom von B1 nach B2 fließen.

Als Notlösung habe ich jetzt B1 direkt auf B2 gelegt, aber ich möchte ja auf die Normalverkabelung zurückkehren.

Dazu müsste ich aber das Trennrelais in der DS 300 irgendwie zu Anziehen bringen oder überbrücken.

Ich verstehe halt einfach nicht, warum das Trennrelais in der DS 300 überhaupt geöffnet ist.

Gast am 09 Apr 2022 11:09:33

Ich glaube du hast einen Denkfehler, so wie ich dich verstanden habe hast du den Booster von der Starterbatterie zum DS300 eingebaut. Wenn dem so ist darfst du den Widerstand nicht trennen. Der Widerstand wird nur getrennt, wenn du den Booster direkt von der Starterbatterie zur Aufbaubatterie einbaust um eine Kreisladung durch den Booster zu vermeiden.

Das Trennrelais im DS300 ist dazu da im Stand die Starterbatterie und Aufbaubatterie zu trennen, ansonsten könnte es sein das deine Starterbatterie eines Morgens leer ist.

Hannus am 09 Apr 2022 11:49:20

Hallo
Der Booster gehört nicht in den B1 Kreis. Du sollst nichst auftrennen oder abklemmen, sondern im Prinzip den Booster vollkommen eigenständig direkt an beide Batterien anschließen.

wolverine am 09 Apr 2022 13:35:57

Vielen Dank schon mal für die Antworten!

"Du sollst nichst auftrennen oder abklemmen, sondern im Prinzip den Booster vollkommen eigenständig direkt an beide Batterien anschließen." Das steht in der Anleitung anders: "Kombination mit Elektroversorgung „EVS“, mit Weiternutzung der bauseits im Fahrzeug bereits vorhandenen Verkabelungen und Sicherungen; + Leitung zur STARTER-Batterie auftrennen".

Laut Schaltplan kommt der Booster zwischen die Starterbatterie und den Eingang B1 an der EVS. Da vorher die Starterbatterie direkt an B1 der EVS hing, habe ich das Kabel von B1 in den Plus-Boostereingang ganz links gesteckt und ein rotes Kabel vom Plus-Boosterausgang ganz rechts zum Eingang B1 an der EVS gezogen - exakt so wie im Schaltplan (D+ usw. natürlich auch). Entspricht für mich einem Auftrennen der Verbindung von Starterbatterie zur EVS und Zwischenschalten des Boosters. Und ein schwarzes Kabel vom Minus-Ausgang des Boosters zum Minuspol der Batterien (ich habe sie diagonal verschaltet).

Das ist alles exakt so wie im Schaltplan von Votronic angegeben:

[/url]

Wie gesagt, ich möchte jetzt gerne, dass das Trennrelais in der DS300 entweder dauerhaft anzieht oder kurzgeschlossen ist. Ansonsten funktioniert ja alles. Gibt es außer dem Verlöten einer Brücke als R37 eine andere Lösung für mein Problem?

Hannus am 09 Apr 2022 14:02:28

Du muß das Standard Anschlußschema N1 nehmen, alle anderen Schemen passen nicht zu deiner Einbausituation.
Das sind nur Notlösungen, wenn man das Trennrelais nicht deaktivieren kann.

Deine restliche Verkabelung bleibt, bis auf das Durchtrennen des Widerstandes, so wie sie ist und hat mit der Verkabelung des Boosters nichts zu tun.

Die beiden Sachen laufen einfach parallel nebeneinander.
Der Booster läd beim Fahren die Aufbaubatterie, nicht mehr und nicht weniger. Die DS300 bleibt für alles andere zuständig.

wolverine am 09 Apr 2022 15:46:47

OK, das kann ich ja mal probieren.

Aber die Aussage "Du muß das Standard Anschlußschema N1 nehmen, alle anderen Schemen passen nicht zu deiner Einbausituation. Das sind nur Notlösungen, wenn man das Trennrelais nicht deaktivieren kann." passt nicht zur Anleitung.

Da steht erst bei Schaltplan Nr. 4: "Sonderfall bei bauseits im Fahrzeug vorhandenem Trennrelais, wenn dieses nicht oder nur sehr schwer zugänglich ist" - und da ist der Booster jetzt wieder direkt auf die Batterien geklemmt.

Wobei ich nicht ganz nachvollziehen kann, warum Schaltplan Nr. 2 und 3 nicht zu meiner Einbausituation mit DS 300 und PC100 passen sollten - ist doch genau das?

LiveWave am 09 Apr 2022 17:49:09

"Du sollst nichst auftrennen oder abklemmen, sondern im Prinzip den Booster vollkommen eigenständig direkt an beide Batterien anschließen." Das steht in der Anleitung anders: "Kombination mit Elektroversorgung „EVS“, mit Weiternutzung der bauseits im Fahrzeug bereits vorhandenen Verkabelungen und Sicherungen; + Leitung zur STARTER-Batterie auftrennen".

Hallo,
mache es einfach wie Hannus schreibt, das funktioniert zu 100%. Ich habe es selber erst vor einigen Wochen bei meinem Knaus gemacht. Wenn du dir den Schaltplan von Votronic anschaust, sollte klar sein, dass die Aufbaubatterie nur geladen werden kann wenn das Trennrelais anzieht ( Motor ist an --> Lichtmaschine produziert) Da dies aber nicht mehr geschieht (R37 unterbrochen) kann kein Strom von START nach AUFBAU fließen. Also Verkabelung wie im Original belassen und den Booster an die CBE oder die Batterien direkt parallel verkabeln und R37 öffnen um einen Kurzschluss des Boosters zu verhindern. Es müssen keine Leitungen aufgetrennt werden dies wäre dann in Reihe.
Grüße

wolverine am 09 Apr 2022 18:31:07

Danke, ich probiere es mal!

Gast am 09 Apr 2022 19:44:06

Du kannst auch Einbauschema 2 und 3 nehmen must halt dann nur den Widerstand wieder einlöten und das Ganze funktioniert ohne Probleme. Gibt viele dies es so gemacht haben.

Für mich persönlich ist Einbauschema 1 die bessere Lösung, dabei musst du dann, wie du es schon gemacht hast den Widerstand durchtrennen, wenn du das nicht machst könnte es sein das du bei verbundenen Trennrelais im DS300 eine Kreislandung zurück zur Starterbatterie bekommst.

Ich habe es bei mir anders gelöst, da ich im DS300 nichts verändern wollte, kann man auch in die Plus Leitung von der Aufbaubatterie zum DS300 ein Zeitverzögertes Öffnerrelais einbauen, Ergebnis ist das Gleiche, es kann keine Kreisladung zur Starterbatterie erfolgen. Somit komme ich auf eine Boosterladung von 30A und gleichzeitig kann ich über das DS300 noch den Kühli versorgen, Gesamtladung somit so um die 43A.
Bei der Lösung mit dem Öffnerrelais besteht auch die Möglichkeit den Booster jederzeit auszuschalten und hat dann immer noch die Ladung über das DS300 zu der Aufbaubatterie.

wolverine am 09 Apr 2022 20:30:53

Hallo Christian,

diese Lösung hatten wir in einem Forumsbeitrag auch gefunden und zunächst angedacht - eben weil man dann den Schalter hat. Aber ich habe einen Kompressorkühlschrank, da fällt ein Argument schon mal weg. Und so richtig Anwendungsmöglichkeiten für den Schalter (wann und warum sollte ich den Booster ausschalten wollen/müssen) sind mir auch nicht eingefallen.

Ich probiere jetzt mal den Anschluss nach Schaltplan Nr. 1 und schaue mal, wie sich das so bewährt.

Allen Helfern jedenfalls herzlichen Dank für die Korrektur meiner abwegigen Vorstellungen!

Gast am 09 Apr 2022 21:26:33

wolverine hat geschrieben:(wann und warum sollte ich den Booster ausschalten wollen/müssen) sind mir auch nicht eingefallen.



Gerade im Sommer brauche ich den Booster eher selten da machen die 300Wp auf dem Dach die Hauptarbeit, da lade ich dann meine Hybridsystem mit einer LiFePo4 lieber mit weniger Volt etwas langsamer und gebe der Lithium mehr Zeit zum balancieren.

Kann man so machen muss man aber nicht.

wolverine am 09 Apr 2022 22:14:29

Klar, bei LiFePo ist das auch etwas anderes - bei mir sitzen (noch) 2 AGM (je 65 Ah) unter der Sitzbank; die werden im Sommer natürlich von 180 W Solar auch zackig geladen (deshalb hatte ich ja zunächst vor 3 Wochen den fehlenden Strom von der LiMa gar nicht bemerkt; erst als es 2 Tage trübe und regnerisch war...). Aber vielleicht darf ich demnächst Beta-Tester für selbstgebaute LiFePo werden - dann denke ich nochmal neu nach.

Hannus am 10 Apr 2022 09:40:15

Hallo
Nur noch mal zur Ergänzung.
Natürlich funktionieren auch die vorgeschlagenen Lösungen. Allerdings mit leichten Einschränkungen, sind darum für mich immer nur die zweite Wahl.
Erstens verliert man durch die zusätzlichen Kabel und Kontaktstellen etwas an Leistung.
Zweitens verliert man meistens die Möglichkeit, die Spannung der Starterbatterie zu messen. Beim VCC1212-30 kann man das allerdings umgehen.
Drittens geht meistens die Erhaltungsladung der Starterbatterie verloren. Der VCC1212-30 kann die zwar auch durchleiten, sie ist aber durch die zweifache Spannungsabsenkung durch die Dioden so gut wie wirkungslos.
Für die EBLs von Schaudt treffen Punkt zwei und drei übrigens nicht zu. Die haben das mit ihrer zweiten Leitung zur Starterbatterie etwas besser gelöst. Aber um die geht es hier ja nicht.

duke55 am 21 Jan 2024 21:28:14

christiancastro hat geschrieben:Ich habe es bei mir anders gelöst, da ich im DS300 nichts verändern wollte, kann man auch in die Plus Leitung von der Aufbaubatterie zum DS300 ein Zeitverzögertes Öffnerrelais einbauen


Hallo Christian,
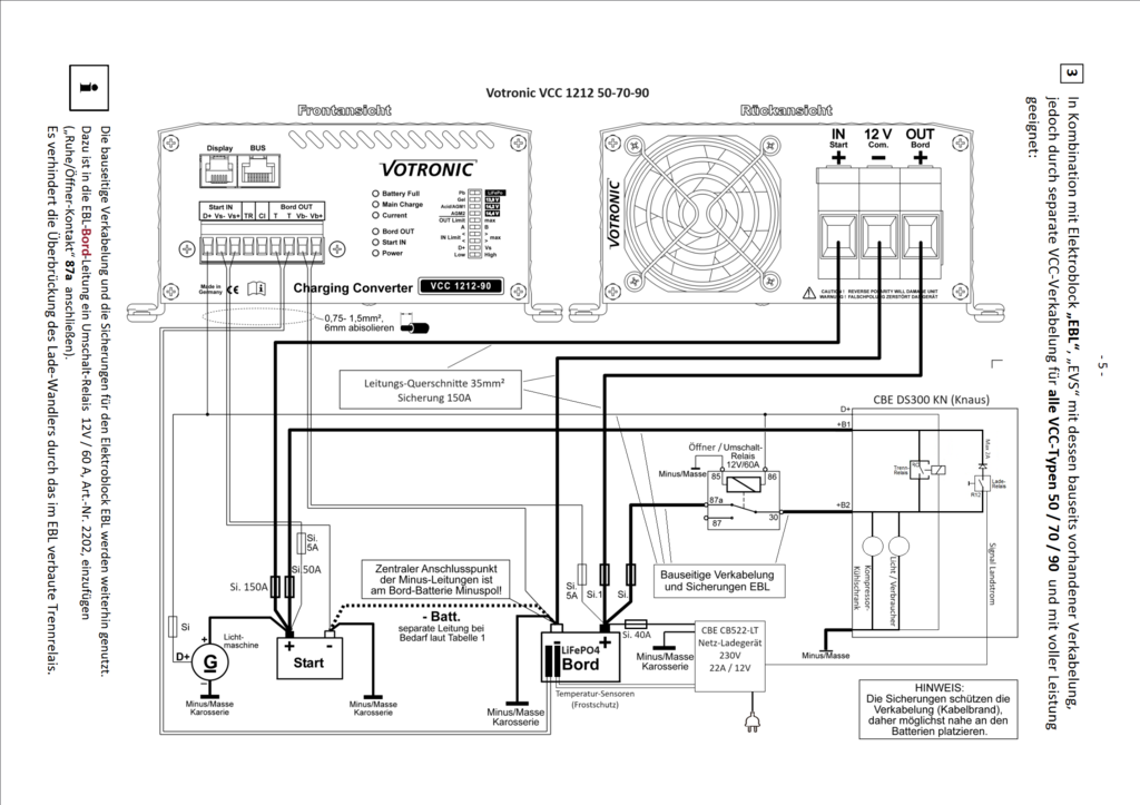
diese Schaltung möchte ich auch mit einem 70A Booster umsetzen. Allerdings möchte ich gern wissen, warum du ein zeitverzögertes Öffnerrelais eingebaut hast. Ich hänge mal ein von mir verändertes Schaltbild aus der Votronic Einbauanleitung an. Ich hoffe, ich verletze damit keine Urheberrechte...

[img]file:///Y:/ServerQNAP/Firma%20Christian/privat/Wohnwagen%20WoMo/FIAT%20Knaus/Elektrik%20Ladebooster/Votronic%20VCC121250-70-90.png[/img]

Vielen Dank
Christian aus Erkner

duke55 am 22 Jan 2024 19:03:18


Gast am 22 Jan 2024 20:28:07

Zeitverzögert deshalb, weil mit dem D+ ansonsten das DS300 kurzeitig ohne Strom ist und dann aus bleibt und es erneut erst wieder eingeschalten werden muss.

Ich habe es bei mir so gelöst das ich das D+ Signal vom AES Kühlschrank aus dem DS300 genommen habe, das ist bei mir so verzögert das sich das DS300 nicht mehr ausschaltet.

Ob du aber ein 5pin Relais mit Zeitverzögerung finden wirst bin ich mir nicht sicher, aber du könntest dann auch das hier
nehmen,
--> Link

duke55 am 23 Jan 2024 21:54:43

christiancastro hat geschrieben:Ob du aber ein 5pin Relais mit Zeitverzögerung finden wirst bin ich mir nicht sicher, aber du könntest dann auch das hier
nehmen,
--> Link


Soll das dann so aussehen?

Gruß
Christian

Gast am 23 Jan 2024 22:36:27

Yepp, so in etwa.

Hannus am 24 Jan 2024 10:21:18

Normalerweise ist ein Relais beim Anziehen schneller als beim Loslassen. Diese normale Verzögerung sollte eigendlich ausreichen. Einfach mal testen.

duke55 am 25 Jan 2024 07:55:34

ät Hannus
In diesem Fall ziehen doch das Schließer-Relais im CBE DS300 und das externe Öffner-Relais in der +B2 Leitung gleichzeitig. Ich werde es (wie von dir empfohlen) trotzdem testen, bevor ich zusätzlich ein zeitverzögertes Relais installiere.

Sobald alle benötigten Teile eingetroffen sind und es draußen etwas wärmer wird, werde ich das Schaltschema umsetzen und berichten.

Vielen Dank für eure Antworten und Informationen. Wenn die Schaltung ordnungsgemäß funktioniert, stelle ich den korrekten Schaltplan zur Verfügung.


Gruß
Christian

Hannus am 25 Jan 2024 09:43:35

Die Unterschiede zwischen den beiden Relais sind zwar nur Millisekunden, aber das reicht normalerweise als Überlappung.

Anzeige

  • Die neuesten 10 Themen
  •  
  • Die neuesten 10 Reiseberichte
  • Die neuesten 10 Stellplätze

Dethleffs Trend - Verständnisfrage Batteriespannung
DS300 und Ladebooster
Alle Rechte vorbehalten ©2003 - 2026 AGB - Datenschutzerklaerung - Kontakt