Sobald ich die Bilder kleiner mache, haben sie weniger wie 10k und lassen sich nicht mehr hochladen. Ich könnte sie konvertieren, dass sie über 10k haben und kleiner sind, aber den Aufwand...... :?
Die Diode ist ein sehr einfach zu verstehendes Bauteil. :) Sie zählt zu den "Halbleitern". Das sind Bauteile mit Silizium drin (vereinfacht gesagt). So sehen Dioden aus:
Wie funktioniert eine Diode?
Sie funktioniert wie ein Ventil. In eine Richtung lässt Sie den Strom durch, in die andere Richtung sperrt sie den Durchfluss. Aber schauen wir uns das mal genauer an:
Der Strom fließt von Plus nach Minus. Die Diode oben lässt den Strom durch und die Plusies können weiter laufen.
Wenn wir die Diode umdrehen (unten), dann kommen die Plusies nicht mehr durch, die Diode sperrt den Stromfluss. Eine Diode hat also eine Durchlassrichtung und eine Sperrrichtung.
Schauen wir uns mal dieses Schaltbild an:
Hier kann der Strom durchlaufen und die Lampe brennt. Leider macht die Diode das nicht umsonst. In Durchlassrichtung "klaut" sie uns IMMER 0,7Volt der Akkuspannung, egal wie hoch die Last am Ausgang ist.
Auf der einen Seite ist das natürlich sehr schade, weil 0,7Volt bei einem nur 4Volt Akku schon ganz schön viel Verlust sind, auf der anderen Seite hat aber genau dieser Effekt auch große Vorteile.
Beispiel: Du hast ein Netzteil mit 5V und willst einen 4,2Volt Verbraucher anschließen. Dann brauchst du nur eine Diode dazwischen schalten (Wie im oberen Bild) und schon hast du nur noch 4,3Volt am Verbraucher. Das 1/10V mehr ist egal! Toll, was :)
Es gibt tausende verschiedene Arten von Dioden. Hier mal 3 als Beispiel:
1N4148: Sie ist sehr klein, kann max. 0,1A und wird innerhalb der elektronischen Schaltungen verwendet, wo kaum Strom fließt. Eine kostet 3Cent.
1N4001: Sie kann 1A und somit 12Watt bei 12V ansteuern. Eine kostet 6Cent
1N5400: Sie ist etwas größer aber macht locker 3A mit. a Eine kostet 20Cent.
Eine 10A Diode kostet aber auch nur 54Cent, 20A ganze 75 Cent. Dioden sind also billige Bauteile.
Alle genannten Dioden sind für ca. 30-50Volt maximale Spannung ausgelegt. Die 1N4005 zum Beispiel kann 1000Volt.
Wie nennt man die zwei Seiten einer Diode?
Die Seite mit dem Pfeil heißt Anode, die mit dem Strich Kathode.
Eselsbrücke: Aus der Anode könnte man ein "A" machen, die Kathode sieht aus wie ein Minus. Dann wisst ihr auch schon, wo Minus und Plus sein müssen, damit sie durchlässt.
Auch am Bauteil ist eine Diode sehr leicht zu erkennen. Auf einer Seite ist immer ein Strich rund um die Diode. Das ist die Kathodenseite. Vergrößert mal das Bild oben, dann könnt ihr die "Kringel" sehen.
Welches sind die wichtigsten Kennwerte einer Diode:
1) maximaler Strom, den Sie verkraftet in Durchlassrichtung.
2) maximale Spannung, den Sie in Sperrrichtung verkraftet.
3) maximale Frequenz (aber das ist für uns unwichtig)
So, jetzt schauen wir mal, ob ihrs verstanden habt:
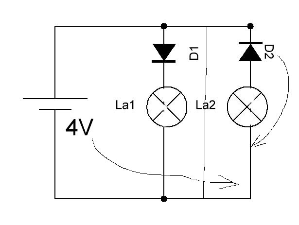
Hier ist eine Schaltung mit einem Akku, zwei Lämpchen und zwei Dioden.
Ihr wisst ja bestimmt noch, wo am Akku der Plus ist ?????
1) Welche Lampe leuchtet jetzt?
2) Wie muss ich den Akku anschließen, damit die andere Lampe leuchtet?
3) Könnten auch beide Lampen gleichzeitig leuchten?
Was haben wir gelernt?
1) eine Diode ist ein Stromventil.
2) Strom fließt nur , wenn an der Anode der Plus ist.(Der Pfeil muss so herum zeigen, wie auch der Strom läuft von Plus nach Minus)
3) Eine Diode klaut uns immer 0,7Volt
4) Immer da, wo ein Ring aufgemalt ist ist die Kathode.
Es gibt auch Dioden, die nur 0,2-0,3V in Durchlassrichtung "fressen". Sie heißen Schottky-Dioden und sind für die Parallel-Schaltung von Photovoltaik-Zellen sehr interessant. Aber dazu später mal.
Übrigens:
Eine spannende Form der Diode ist die Leuchtdiode. Die frisst allerdings ca. 1,5Volt, leuchtet dafür aber. Dazu kommen wir auch bald. Da kann man tolle Sachen mit machen, für nur wenige Cent.Wink :D

