xcamping
motorradtraeger
hallo
Links zu ebay oder Amazon sind Werbelinks. Wenn Sie auf der Zielseite etwas kaufen, bekommen wir vom betreffenden Anbieter Provision. Es entstehen für Sie keine Nachteile beim Kauf oder Preis.

Dachlüfter fantasstic vent 6600R


elchmobil am 14 Feb 2012 16:46:04

Hallo zusammen!
Habe den Dachlüfter fantastic vent 6600R aus den USA bestellt, da er dort wesentlich günstiger ist. Nun meine Frage:
Muss auf diesem Gerät das mit 12 Volt betrieben wird ein CE-Zeichen vorhanden sein? Der Zollbeamte hat das Fehlen bemängelt.
Kann mit jemand Auskunft darüber geben?
:roll:

Anzeige vom Forum

Hier findest Du vielleicht schon, was Du suchst: Artikel auf eBay oder versuchs hier bei Amazon

andwein am 15 Feb 2012 11:58:38

Zitat aus Wikipedia: "Mit der CE-Kennzeichnung erklärt der Hersteller oder EU-Importeur gemäß EU-Richtlinie 765/2008, „dass das Produkt den geltenden Anforderungen genügt, die in den Harmonisierungsrechtsvorschriften der Gemeinschaft über ihre Anbringung festgelegt sind.“
Weiteres Zitat aus Wikipedia: "Durch die Anbringung der CE-Kennzeichnung bestätigt der Hersteller, dass das Produkt den produktspezifisch geltenden europäischen Richtlinien (seit 1. Dezember 2009, mit dem Inkrafttreten des „Vertrags von Lissabon“: EU-Richtlinien) entspricht. Das CE-Logo allein lässt keine Rückschlüsse zu, ob das Produkt durch unabhängige Stellen auf die Einhaltung der Richtlinien überprüft wurde. Ist jedoch nach dem Logo eine vierstellige Kennnummer (Identifikationsnummer) angebracht, weist dies auf die Einbindung einer Benannten Stelle in das Konformitätsbewertungsverfahren hin. Die CE-Kennzeichnung ist rechtlich kein Gütesiegel (Qualitätszeichen), sondern dokumentiert im Gegenteil lediglich die Einhaltung der gesetzlich zulässigen Mindestanforderungen.

Ein Muss gibt es nicht, dass Teil darf nur nicht in Europa in den Handel gebracht werden (Weiterverkauf). Wenn du privat importierst kannst du von offiziellen Stellen nicht bestraft werden. Wenn jemand durch das Teil oder Fehlfunktionen verletzt wird, bist du meiner Meinung nach dran (Privathaftung), da das Teil nicht geprüft ist und du die Haftung nicht abwälzen kannst.
Bin aber kein Rechtsanwalt, hatte nur schon mit solchen Einkäufen zu tun, Andreas

mv4 am 15 Feb 2012 12:07:10

Drucke dir eine Seite von einen deutschen anbieter aus (zb. Movera) wo genau der selbe Lüfter angeboten wird...damit gehst du zum Zoll...das Problem wird dann aber sein das die zoll gebühren sich evt. nach dem Preis von dem Anbieter orientieren.

Anzeige vom Forum


chrit am 20 Jun 2012 20:36:38

Wie sind die Erfahrungen mit diesem Dachlüfter????


elchmobil hat geschrieben:Hallo zusammen!
Habe den Dachlüfter fantastic vent 6600R aus den USA bestellt, da er dort wesentlich günstiger ist. Nun meine Frage:
Muss auf diesem Gerät das mit 12 Volt betrieben wird ein CE-Zeichen vorhanden sein? Der Zollbeamte hat das Fehlen bemängelt.
Kann mit jemand Auskunft darüber geben?
:roll:

ralle1967 am 27 Jun 2012 16:34:56

[quote="chrit"]Wie sind die Erfahrungen mit diesem Dachlüfter????


Ich habe keine spezielle Erfahrung mit dem 6600er Modell, aber mit dem 6000er und dem (europäischen) 6040.

Allen gemein ist eine super Wirkung, wir haben sie immer "Klimaanlage für Arme" genannt, uns hat es vollkommen gereicht. Wichtig ist aber, daß die amerikanischen Modelle für kleinere Dachausschnitte von 37x37 cm gemacht sind (also der 6000er und der 6600er), währen die europäisierten Modelle über einen größeren Rahmen verfügen, der die gängigen Dachöffnungen von 40x40 cm solide abdeckt. Diese Erfahrung habe ich aber erst nach dem Eigenimport des 6000er Lüfters gemacht. Hier musste ich in die Dachöffnung noch einen Rahmen einziehen, um Halt für die Verschraubung zu haben. Die Abdeckung zur Dachhaut war schon sehr knapp, aber mit viel Dekalin gute 18 Monate super dicht.

Das Mobils ist nun verkauft und der neue Eigentümer wollte die Lüfter nicht. Ich habe beide ausgebaut. Den 6000er haben wir nun in den Wohnwagen meine Bruders gebaut, den 6040 würde ich gerne verkaufen. Dieser hat eine lichtdichte Haube, also ideal für den Schlafbereich, einen Regensensor und den Temperatursensor, d. h. bei Regen geht die Haube automatisch zu, bei erreichen der gewünschten Innentemperatur ebenso (oder auch wieder an bei Überschreiten dieser Temperatur). Neupreis im Netz bei ca. 450,- Euro, abzugeben für 180,- Euro. Kleber- und Dichtmassenreste an der Oberseite des Aussenrahmens vorhanden, aber nach Montage sicher wieder komplett abgedeckt .-)). Bei Interesse, bitte kurze Nachricht.

thomas56 am 28 Jun 2012 07:43:41

ralle1967 hat geschrieben: Wichtig ist aber, daß die amerikanischen Modelle für kleinere Dachausschnitte von 37x37 cm gemacht sind (also der 6000er und der 6600er), währen die europäisierten Modelle über einen größeren Rahmen verfügen, der die gängigen Dachöffnungen von 40x40 cm solide abdeckt. Diese Erfahrung habe ich aber erst nach dem Eigenimport des 6000er Lüfters gemacht.


Moin,

da habe ich andere Erfahrungen!
In meinen bislang 6 Fahrzeugen von deutschen Herstellern wurden Fantastic
serienmässig eingebaut und die Einbaumaße waren in jedem Wagen 35 x 35cm.

hdhsiegen am 28 Jun 2012 12:39:15

thomas56 hat geschrieben:
ralle1967 hat geschrieben: Wichtig ist aber, daß die amerikanischen Modelle für kleinere Dachausschnitte von 37x37 cm gemacht sind (also der 6000er und der 6600er), währen die europäisierten Modelle über einen größeren Rahmen verfügen, der die gängigen Dachöffnungen von 40x40 cm solide abdeckt. Diese Erfahrung habe ich aber erst nach dem Eigenimport des 6000er Lüfters gemacht.


Moin,

da habe ich andere Erfahrungen!
In meinen bislang 6 Fahrzeugen von deutschen Herstellern wurden Fantastic
serienmässig eingebaut und die Einbaumaße waren in jedem Wagen 35 x 35cm.


Bei mir auch!

cbr600pc31 am 10 Jan 2013 11:25:32

Hallo zusammen ,
ich würde gerne das Thema wieder hoch holen .
Beschäftige mich auch, mit dem Ammi Lüfter und habe schon alles durchgelesen .
Interessant ist der Preis bei Ebay.com incl. 65$ Porto kommt man auf =321,04$ =247€
Link zum eBay Artikel

Bei Movera z.B.619€
Link zum eBay Artikel

-Gibt es negative Erfahrungen mit einer Bestellung aus Ebay .com ? :(
-Weiß jemand ob die Haube Doppelverglast ist , habe irgendwo eine Option gelesen finde Sie aber nicht .
-Erfahrungen mit der Qualität,Lautstärke der 14 Drehzahlstufen,aut. öffnen der Haube?

und Danke Jörg

Gast am 10 Jan 2013 12:30:10

Ich habe einen Fantastic Vent im B504.
Hier ein kurzer Erfahrungsbericht:

Ich habe einen Fantastic Vent, der drei Gebläsestellungen hat(te).

Postitiv:
- sehr gute Luftleistung, ruck zuck ist die heiße Luft rausgeblasen
- reinblasen/rausblasen einstellbar
- Abschalttemperatur einstellbar
- unteres Gitter sehr leicht entnehmbar zur Reinigung
- angenehm geringer Stromverbrauch (200mA - 1A)

Negativ:
- keine Ahnung, wie man das obere Gitter zur Reinigung entnehmen könnte?
- Reinigung des Lüfterrades recht fummelig.
- kleinste Stufe nachts zu laut.


Insgesamt wollte ich nie wieder auf so einen Lüfter verzichten, wenngleich man es schon öfters reinigen muss, weil es doch überraschend viel Staub und Dreck in den Sieb haut.
Das Teil ist einfach Klasse und ersetzt bis auf wenige Tage im Jahr eine Klimaanlage (welche ich keine habe).
An extremen Tagen aber bleibt es trotzdem zu heiß im WoMo. Das waren in 2012 aber nur 2-3Tage.
Was mich aber sehr genervt hat, war das Lüftergeräusch auf Stufe 1. Stufe 1 ist schon viel zu groß und es zieht. Auf Stufe 3 ist er ein Orkan.

Also habe ich das Ding aufgeschraubt und mit den Stufenregler angeschaut. Er besteht auf 2 Vorwiderständen als luftgewickelter Widerstandsdraht.

Das Teil habe ich rausgeworfen und eine simple Transistorschaltung mit Poti eingebaut (Kosten ca. 3€). Jetzt kann ich den Lüfter stufenlos regeln.
Nachts läuft er somit immer durch und man hört ihn so gut wie gar nicht mehr. Zudem läuft er auch schon bei 80mA und macht ein laues Lüftchen.

Ich wollte ursprünglich unbedingt eine Klimaanlage. Aber mein B504 war ein fertig konfiguriertes WoMo für die Messe CMT 2011.
Der Verkäufer sagte mir, dass ein Lüfter reichen würde. Letztlich hatte er tatsächlich recht.

Gelegentlich stelle ich mal den Umbau hier ein. Er geht wirklich total einfach.

cbr600pc31 am 10 Jan 2013 13:07:53

Hallo Raidy,

vielen Dank für deinen schnellen Erfahrungsbericht .
Super kostengünstige Idee mit dem Transistor.
Wo hast du den Lüfter gekauft und für welchen Preis ?

Jörg

Gast am 10 Jan 2013 13:43:54

Moin Raidy,

Danke für den Erfahrungsbericht.
Da ich das eventuell anstelle eines Hekis einbauen möchte, die Frage nach dem Dachausschnitt: Passt es in 40x40 rein oder muß da mit einer Adapterplatte gearbeitet werden?


Didier

thomas56 am 10 Jan 2013 13:48:21

raidy hat geschrieben:und es zieht.

Moin Raidy,

bei mir zieht es, wenn ich über der Sitzgruppe gleichzeitig das Heki offen habe, sonst nicht.

Gast am 10 Jan 2013 16:32:31

cbr600pc31 hat geschrieben:Hallo Raidy,
Wo hast du den Lüfter gekauft und für welchen Preis ?
Jörg

War von Anfang an schon mit drin. Kam also so von Hymer.

agent_no6 hat geschrieben:Moin Raidy, Da ich das eventuell anstelle eines Hekis einbauen möchte, die Frage nach dem Dachausschnitt: Passt es in 40x40 rein oder muß da mit einer Adapterplatte gearbeitet werden?

Didier

Wird nachgereicht, ich gehe messen.

thomas56 hat geschrieben: Moin Raidy, bei mir zieht es, wenn ich über der Sitzgruppe gleichzeitig das Heki offen habe, sonst nicht.

Klar, wenn alle anderen "Öffnungen" zu sind, zieht es bei mir auch kaum, da die Luft dann nur noch über die Zwangsbelüftung raus kann. Aber dann ist auch Stufe 1 unnötig stark.

Gast am 10 Jan 2013 16:55:19

Nachtrag: Die Maße

thomas56 am 10 Jan 2013 17:23:41

raidy,
hatte mich schon gewundert, dass du geschrieben hast, das Gitter ist zur Reinigung leicht abnehmbar, ist das nur eingeklickt?

Mein Gitter ist mit 8 Schrauben gehalten.

Da die Wärme nach oben steigt, hat mein Lüfter bislang nur abgesogen und noch nie reingeblasen, sonst würde er ja erst mal die Wärme im Fahrzeug verteilen.


chrisk am 10 Jan 2013 17:39:13

Du hast noch eine alte, geschraubte Version.

azenberg am 10 Jan 2013 20:15:01

Hallo Georg,
bin gespannt auf Deine Bastelanleitung zur stufenlosen Drehzahlsteuerung. Oder besser noch, Du macht's gleich eine Kleinserie. Da gibt es bestimmt viele Abnehmer. Der Lüfter ist mir in der niedersten Stufe immer noch zu stark. Wie Du schon sagtest, es zieht.
Grüßle Horst

Gast am 10 Jan 2013 20:46:48

azenberg hat geschrieben:Hallo Georg,
bin gespannt auf Deine Bastelanleitung zur stufenlosen Drehzahlsteuerung. Oder besser noch, Du macht's gleich eine Kleinserie. Da gibt es bestimmt viele Abnehmer. Der Lüfter ist mir in der niedersten Stufe immer noch zu stark. Wie Du schon sagtest, es zieht.
Grüßle Horst


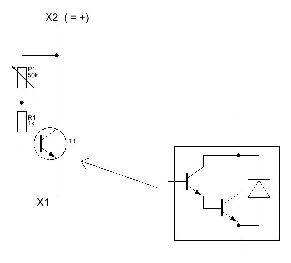
Die Schaltung ist eigentlich ein Witz:



1 * Leistungs-Darlington NPN z.B. --> Link = 93 Cent.
1 * Widerstand 1 kOhm
1 * Poti 47-50k linear --> Link = 1,67 €
1 * Kühlkörper --> Link 1,15
2 * Kabelschuh (Größe im Lüfter nachsehen)
Mutter und Schrauben für Poti und Kühkörper.
Das ganze zusammenlöten und am besten in einem dicken Schrumpfschlauch einschrumpfen, aber den Kühlkörperteil draußen lassen.
Wichtig ist halt, dass sich nichts durch Vibration berühren oder "abwackeln" darf.
Die Kühlung funktioniert sehr gut, das das Widerstandstaufach im Lüfter immer mit Luft versorgt wird.

Sollte eigentlich kein Problem sein. Die Induktionsschutzdiode befindet sich schon im Darlington. Ein Darlington-Transistor sind ind Wirklichkeit zwei Transistoren "hintereinander" geschaltet.
Daher rechts das "Erklärungsbild".

Jetzt wird einfach der Stufenschalter ausgebaut, die zwei Kabelschuhe auf die neue Schaltung gesteckt (Plus ausmessen!) und alles wieder eingebaut.
X2 ist da, wo der Plus am Drehschalter anliegt, X1 somit der andere Stecker.
Denkt an die starken Vibrationen durchs fahren und klebt die Schaltung einfach mit einem Tropfen Klebstoff an Rand fest.

Möglicher Weise kann es bei dem Darlington sein, dass ihr sogar einen 100KOhm Poti braucht.

Grüßle Georg


Alles klar?

azenberg am 10 Jan 2013 20:55:50

Hallo Georg,
danke für die schnelle Antwort. Eine Bitte, könntest Du das Schaltbild etwas fetter darstellen. Kann nicht viel erkennen. Danke
Grüßle Horst

Gast am 10 Jan 2013 21:00:35

azenberg hat geschrieben:Hallo Georg,
danke für die schnelle Antwort. Eine Bitte, könntest Du das Schaltbild etwas fetter darstellen. Kann nicht viel erkennen. Danke
Grüßle Horst


1) 100k Poti nehmen, habs gerade für den genannten Darlington durchgerechnet.
2) Dicker geht mit dem Programm nicht. Drücke mal Strg und +, dann wird das Bild größer.

uwet am 26 Jan 2013 15:16:30

cbr600pc31 hat geschrieben:Hallo zusammen ,
ich würde gerne das Thema wieder hoch holen .
Beschäftige mich auch, mit dem Ammi Lüfter und habe schon alles durchgelesen .
Interessant ist der Preis bei Ebay.com incl. 65$ Porto kommt man auf =321,04$ =247€
Link zum eBay Artikel

Bei Movera z.B.619€
Link zum eBay Artikel

-Gibt es negative Erfahrungen mit einer Bestellung aus Ebay .com ? :(
-Weiß jemand ob die Haube Doppelverglast ist , habe irgendwo eine Option gelesen finde Sie aber nicht .
-Erfahrungen mit der Qualität,Lautstärke der 14 Drehzahlstufen,aut. öffnen der Haube?

und Danke Jörg


Ich habe meinen 6600R417 heute vom Zoll abgeholt. Doppelt verglast mit Dachausschitt 36x36cm. Kosten 235,27 EUR plus 51,73 EUR Einfuhrumsatzsteuer und Zoll.
Es ist der 2. den ich verbaue. Mit dem FantasticVent der von den deutschen Fahrzeugherstellern eingesetzt wird sollte man ihn nicht vergleichen. Er ist um Welten besser als das Zeug was sie uns hier für viel Geld andrehen wollen. Bei meinem erste im vorherigen Mobil trat nie ein Ausfall auf. Die Haube schließt bei Regen automatisch. Nach einer Weile öffner er dann die Haube wieder um zu schauen ob es noch regnet. Wenn ja schließt er wieder und schaut dann nach einer längeren Zeit wieder nach usw. Es gibt eine Temperatursteuerung mit einem Sensor in der Funkfernbedienung und die besagten 14 Stufen. Mit einer Stromaufnahme von ca. 0,14A (Stufe ???) kann man das Fahrzeug im Sommer ganztägig durchlüften, ist sozusagen eine leise Billigklimaanlage. Lässt sich natürlich auch von Hand ohne Strom öffnen. Einzig bei starkem Wind hatte ich manchmal Bedenken, ging aber in 3 Jahren nie kaputt.

Uwe

deedee am 26 Jan 2013 17:10:28

Tut mir Leid, wenn ich hier 'fälschlicherweise' reinplatze, es geht nicht um den/die <fantasstic vent 6600R>, aber meine Suche hat nix ergeben --- ich finds nicht mehr ...
Wer bitte war das (damals) noch, der sich 'n selbstgebauten Dachlüfter (eine Art PC-Lüfter in einer Plexiglasscheibe) in die Dachluke eingebaut hat?
Kurzer Link reicht , dann weiter hier mit DIESEM Thema ...

Danke

uwet am 26 Jan 2013 17:55:12

raidy hat geschrieben:
azenberg hat geschrieben:Hallo Georg,
bin gespannt auf Deine Bastelanleitung zur stufenlosen Drehzahlsteuerung. Oder besser noch, Du macht's gleich eine Kleinserie. Da gibt es bestimmt viele Abnehmer. Der Lüfter ist mir in der niedersten Stufe immer noch zu stark. Wie Du schon sagtest, es zieht.
Grüßle Horst


Die Schaltung ist eigentlich ein Witz:



1 * Leistungs-Darlington NPN z.B. --> Link = 93 Cent.
1 * Widerstand 1 kOhm
1 * Poti 47-50k linear --> Link = 1,67 €
1 * Kühlkörper --> Link 1,15
2 * Kabelschuh (Größe im Lüfter nachsehen)
Mutter und Schrauben für Poti und Kühkörper.
Das ganze zusammenlöten und am besten in einem dicken Schrumpfschlauch einschrumpfen, aber den Kühlkörperteil draußen lassen.
Wichtig ist halt, dass sich nichts durch Vibration berühren oder "abwackeln" darf.
Die Kühlung funktioniert sehr gut, das das Widerstandstaufach im Lüfter immer mit Luft versorgt wird.

Sollte eigentlich kein Problem sein. Die Induktionsschutzdiode befindet sich schon im Darlington. Ein Darlington-Transistor sind ind Wirklichkeit zwei Transistoren "hintereinander" geschaltet.
Daher rechts das "Erklärungsbild".

Jetzt wird einfach der Stufenschalter ausgebaut, die zwei Kabelschuhe auf die neue Schaltung gesteckt (Plus ausmessen!) und alles wieder eingebaut.
X2 ist da, wo der Plus am Drehschalter anliegt, X1 somit der andere Stecker.
Denkt an die starken Vibrationen durchs fahren und klebt die Schaltung einfach mit einem Tropfen Klebstoff an Rand fest.

Möglicher Weise kann es bei dem Darlington sein, dass ihr sogar einen 100KOhm Poti braucht.

Grüßle Georg


Alles klar?


Nimm das.
--> Link
Die oben gezeichnete Schaltung verbrät die nicht benötigte Leistung zu Wärme. Ein PWM_Regler ist immer die bessere Lösung.

Uwe

Gast am 26 Jan 2013 18:05:00

Lieber Uwet,
im Prinzip hast du recht, ein PWM ist immer noch sparsamer.
Aber:
1) Deine Schaltung braucht + und -
An der Stelle im Ventilator hat es aber nur den vom Verbraucher kommenden geschleiften + und keinen direkten Plus. Somit müsste man noch ein weiteres Kabel zum Plus ziehen.
Der Vereinfachung wegen habe ich darauf verzichtet. Diese Schaltung kann einfach irgendwo eingeschleift werden.
2) Wenn immer ich ihn runter regle, brauche ich weniger Energie wie ohne eine Regelung. Ja, ein Teil wird in Wärme umgesetzt. Aber unterm Strich ist es doch weniger Strom wie ohne Regelung.
3) Mein "Liebligsbereich" nachts liegt bei ca. 80-120mA. Da lohnt sich noch weiteres Stromsparen nicht wirklich.
4) Ich hatte früher an anderer Stelle schon mal das Problem, dass PWM-Regler gerne etwas ins "singen" kommen. Dieses Pfeifen des PWM-Taktes in den Motorspulen wollte ich eben auch vermeiden (Modellbauer kennen dieses Pfeifen bestimmt auch).

Aber du hast recht. Wer ein weiteres echtes Pluskabel legen kann und will, der kann nochmals ein paar mA sparen. Und reden wir von relevant viel Strom, dann sollte man es auch genau so wie du sagst tun. Vom Platzverbrauch her dürfte er rein passen in die Stelle des Lüfters.

Ausderasche am 26 Jan 2013 19:00:53

raidy hat geschrieben:
Negativ:
- keine Ahnung, wie man das obere Gitter zur Reinigung entnehmen könnte?



Ich reinige die Gitter mit einem Dampfreiniger.
Auch das untere, bei mir geschraubte mit auf volle Leistung gestelltem, laufenden Abzug.


Frank

uwet am 26 Jan 2013 19:15:44

raidy hat geschrieben:Lieber Uwet,
im Prinzip hast du recht, ein PWM ist immer noch sparsamer.
Aber:
1) Deine Schaltung braucht + und -
An der Stelle im Ventilator hat es aber nur den vom Verbraucher kommenden geschleiften + und keinen direkten Plus. Somit müsste man noch ein weiteres Kabel zum Plus ziehen.
Der Vereinfachung wegen habe ich darauf verzichtet. Diese Schaltung kann einfach irgendwo eingeschleift werden.
2) Wenn immer ich ihn runter regle, brauche ich weniger Energie wie ohne eine Regelung. Ja, ein Teil wird in Wärme umgesetzt. Aber unterm Strich ist es doch weniger Strom wie ohne Regelung.
3) Mein "Liebligsbereich" nachts liegt bei ca. 80-120mA. Da lohnt sich noch weiteres Stromsparen nicht wirklich.
4) Ich hatte früher an anderer Stelle schon mal das Problem, dass PWM-Regler gerne etwas ins "singen" kommen. Dieses Pfeifen des PWM-Taktes in den Motorspulen wollte ich eben auch vermeiden (Modellbauer kennen dieses Pfeifen bestimmt auch).

Aber du hast recht. Wer ein weiteres echtes Pluskabel legen kann und will, der kann nochmals ein paar mA sparen. Und reden wir von relevant viel Strom, dann sollte man es auch genau so wie du sagst tun. Vom Platzverbrauch her dürfte er rein passen in die Stelle des Lüfters.


Hi raidy,
Link zum eBay Artikel
das ist übrigens auch eine Überlegung wert, wenn man es schön in die Wand einbaut.

Uwe

Gast am 26 Jan 2013 19:38:45

Hallo Uwe,
wenn man keine Angst vorm Kabel verlegen hat, dann ist deine PWM-Regelung schon sehr gut. Immer vorausgesetzt, sie pfeift nicht. Ich hab mal zwei zum testen bestellt.

uwet am 26 Jan 2013 20:24:43

raidy hat geschrieben:Hallo Uwe,
wenn man keine Angst vorm Kabel verlegen hat, dann ist deine PWM-Regelung schon sehr gut. Immer vorausgesetzt, sie pfeift nicht. Ich hab mal zwei zum testen bestellt.


Hi,
Link zum eBay Artikel
die habe ich schonmal verbaut, die pfeifen nicht.
Es gab mal wasserdicht vergossene, die machen ein Pfeifgeräusch im Motor.

Uwe

wodimu am 01 Aug 2013 16:15:53

Hallo zusammen,
ich bin hier neu, habe die Berichte vom FanTastic Vent 6600R mit großem Interesse gelesen. Ich würde mir auch gerne so einen Lüfter kaufen. Nun meine Frage wir haben in unserem Womo einen Dachausschnitt 40X40 kann man da den FanTastic Vent 6600R mit 14" X 14" (35,56 cm) ohne Probleme einbauen wird durch die Abdeckramen alles vernünftig dicht abgedeckt?

wodimu

uwet am 02 Aug 2013 08:30:49

Hi wodimu,

passt leider nicht.

Uwe

gisbert am 12 Feb 2017 22:30:00

Hallo ihr Lieben,

gibt es einen stufenlosen Motordrehzahlregler für die Fantastic Vent nicht komplett und einbaufertig zu kaufen? Ich kann nicht löten und trau mir auch nicht zu, solch eine Schaltung selbst zu bauen. Das Ding soll einfach in den vorgesehenen Schacht passen, einbauen und fertig.

LG

Gisbert

Anzeige

  • Die neuesten 10 Themen
  •  
  • Die neuesten 10 Reiseberichte
  • Die neuesten 10 Stellplätze

Umschaltung von 220V auf Gas bei KS Electrolux RM 6505
Fan-Tastic Vent aus den USA ?
Alle Rechte vorbehalten ©2003 - 2026 AGB - Datenschutzerklaerung - Kontakt