Nabend zusammen,
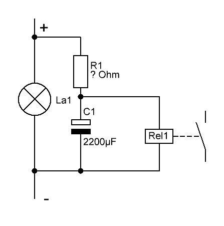
ich habe in meinem Womo an der Innenlampe vom Fahrerhaus ein Relais augeschlossen und mit der Alarmanlage verbunden. Tür auf, Strom am Licht schaltet das Relais und somit den Öffner der Alarmanlage an. Funktioniert. Leider wird das Innenraumlicht ein- und ausgedimmt so dass das Relais während dieser Dimmerei immer hin und her schaltet. Jetzt würde ich gerne eine Zehnerdiode dazwischenschalten, da ich gelesen habe, dass die eine Duchbruchspannung nach den jeweiligen Werten haben. Dass heisst, die Spannung steigt langsam auf 12,x V an und die Zehnerdiode schaltet erst bei der Duchbruchspannung von zB 11,7 V durch.
Geht das so?
Recht herzlichen Dank im voraus an die Profies.
Peter

