Hallo,
Auf meinem Paneldisplay erscheint ein kleiner Stecker um zu signalisieren, das 220V eingespeist wird. Da hin und wieder der Landstrom ausfällt (Campingsicherung aus, Geld im Automaten verbraucht usw). möchte ich eine LED einbauen um ohne aufzustehen und Lesebrille zu sehen, dass ich vom Netz bin. Dazu möchte ich die entsprechende Leitung vom Anschlusskabelbaum anzapfen (damit ich keine lange Leitung ziehen muss).
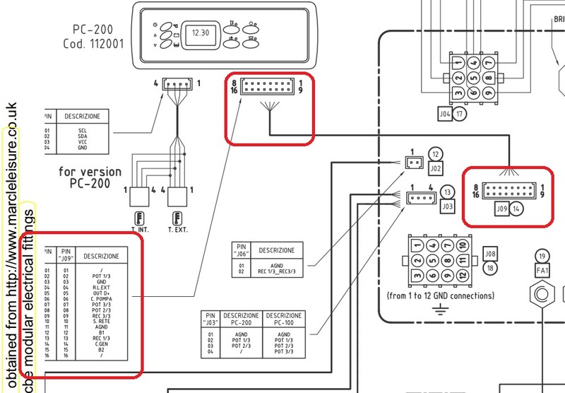
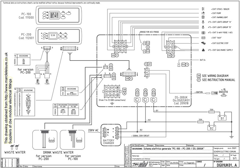
Weiß jemand an welcher Pin des Panels der 220V-Signalleitung anliegt oder welcher Draht dieses Signal führt (ein detalliertes Schaltplan dieses Controlpanels ist wohl nicht zu bekommen)
, Anton


