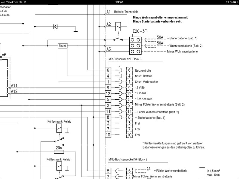
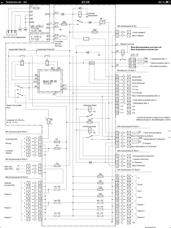
Kann mir jemand sagen, wo genau das EBL Signal des Ladereglers (Votronic MPP 240) am EBL99 angeschlossen wird?
Beim Votronic Kabelsatz 2007 ist ein dünnes braunes Kabel mit Stecker dabei. Am EBL kann ich jedoch kein passendes Gegenstück finden.
Meine Vermutung ist, dass das Kabel an Block 3 angeklemmt werden muss, aber wo genau?



