aqua
hubstuetzen
hallo
Links zu ebay oder Amazon sind Werbelinks. Wenn Sie auf der Zielseite etwas kaufen, bekommen wir vom betreffenden Anbieter Provision. Es entstehen für Sie keine Nachteile beim Kauf oder Preis.

Dachventilator Eigenbau 1, 2


Bootskip am 22 Jun 2013 01:30:23

Die enorme Hitze der letzten Tage zeigte wieder einmal, wie schlecht man die Wärme bei absoluter Windstille aus dem Womo bekommt. Eine Lösung für das Problem stellt aus eigener Erfahrung ein Dachlüfter oder noch besser eine Klimaanlage dar. Für SP ohne Stromanschluss kommt eine Klimaanlage, bedingt durch die erforderliche Batteriekapazität in Verbindung mit einem Spannungswandler im Grunde auch nicht in Frage.
In meinem Fahrzeug wurden TF 40 Dachhauben (ähnlich Fiamma Vent 40) verbaut und der Lüfter Fiamma Turbo Kit ist dafür ungeeignet, passt nicht. Einzige Alternative, Dachhauben gegen Turbovent oder Omnivent austauschen. Bei der Suche stieß ich dann auf einen Beitrag aus diesem Forum. In ein Holzbrett (an den Dachhaubenausschnitt angepasst) wurden 4 PC-Lüfter eingebaut.
Diese Idee habe ich etwas weiterentwickelt, eine Acrylglasscheibe an den Dachhaubenausschnitt angepasst und ebenfalls 4 PC -Lüfter eingebaut. Geschaltet werden die Lüfter in den Stufen 1-2-3-4. Funktioniert richtig gut, ist sehr leise und auch noch preisgünstig.
Material: 4 Stück Sunon Lüfter 120 x 120 x 25mm, je 97,5 cbm/h, Betriebsspannung 6 bis 13,8 V, a 5,40 €
1 Stück Acrylglas 500 x 500 x 2mm, 5,99 €
2 Stück Kippschalter, 2-polig Ein-Aus-Ein, rastend, a 4,30 €
Fazit: Ein Lüfter der knapp 400 cbm/h bewegt für unter 40 € 8)


Anzeige vom Forum

Hier findest Du vielleicht schon, was Du suchst: Artikel auf eBay oder versuchs hier bei Amazon

JoergausBonn am 22 Jun 2013 05:08:25

Gute Idee. Wie lange hast du gebraucht - Arbeitszeit ?

Superglide am 22 Jun 2013 10:02:28

gefällt mir sehr gut,

eine (entschuldige laienhafte) frage hätte ich. sind die ventilatoren so geschaltet, dass sie die (warme) luft aus dem wohnraum ansaugen oder welche in den innenraum reinblasen?

l.g

Anzeige vom Forum


Bootskip am 22 Jun 2013 10:16:10

at JoergausBonn
5 Stunden inkl. Baumarkt, liegt allerdings nur 1,5 km entfernt von mir.

at Superglide
Absaugen, unter dem Dach steht ja eher die Warmluft. Die Zuluft kommt durch Fenster oder Tür.

Bootskip am 22 Jun 2013 10:40:31

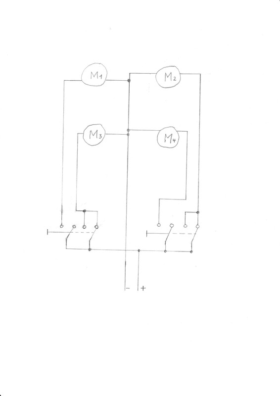
Hier der Schaltplan.

rkopka am 22 Jun 2013 11:21:36

Mich würde interessieren, wie die Platte ins Fenster paßt und wie sie dort befestigt wird.

Hast du fixe Kabel dahin gelegt, oder fliegender Aufbau ?

RK

guzzidriver am 22 Jun 2013 12:24:31

Prima!

Habe auch zwei PC-Lüfter Silent 120mm (4-15V/4W) in die beiden Zwangsentlüftungen (lose mit Anschlagummis) eingesetzt, aber über ein eigenes, vom Fahrzeug unabhängiges Solarmodul (10W) versorgt.

Ich muss nichts schalten, es saugt mir keiner aus der Batterie und wenn die Sonne scheint (oder es hell genug ist) drehen sie selbtätig in der Einstrahlung auf das Fahrzeug angepasster Drehzahl.
Selbst im Winter habe ich dadurch Zwangszirkulation, aber nachts ist Ruhe (vielleicht ein wenig bei Vollmond :) )
Nur einen AUS Schalter sollte man dazwischen bauen damit im Heizbetrieb bei schönem Wetter das Absaugen abgeschaltet werden kann.

Bootskip am 22 Jun 2013 13:57:41

rkopka hat geschrieben:Mich würde interessieren, wie die Platte ins Fenster paßt und wie sie dort befestigt wird.

Hast du fixe Kabel dahin gelegt, oder fliegender Aufbau ?

RK


Habe die Acrylglasscheibe mittig an die Strebe der Dachhaube geschraubt (Blechschraube 2,5x15mm). Zusätzlich wurden rechts und links weiße Kunstoffwinkelprofil 10x10mm mit Blechschrauben an der Dachhaube verschraubt. War in meinen Fall möglich, weil die Dachhaube doppelwandig ist. Anstelle der Winkel könnte man auch z.B. Sika einsetzen, die Scheibe wird ja in der Mitte gehalten, die seitliche Befestigung beugt im Grunde möglichen Schwingungen vor.

Bordstrom gab es fixe fliegend :wink: im Rahmen der Dachhaube, eine :idea: ist darin integriert.

Im Schaltplan nicht zu erkennen, die Schalter sind rastend/0-rastend! Hatte fälschlicherweise Taster gezeichnet, merkte mein Sohn als frisch gebackener Elektroniker an :oops: .

deedee am 22 Jun 2013 17:05:33

Das hier hab ich grad fertiggestellt.
1 PC-Lüfter befestigt an 4 Alu-Flachschienen, die in jede Richtung beweglich sind. Die Aluschienen sind nur in den Dachlukenausschnitt eingelegt und ich kann das Teil jederzeit rausnehmen oder umdrehen...je nach dem, ob das Dingen blasen oder ziehen soll.
Kann es natürlich auch woanders anbringen und so über Nacht für 'Luftverwirbelungen' sorgen ...
Einzuschalten über 12-V-Doppelaufbaudose (es wird noch so'n Ding angeschlossen vor den Kühli-Austritt) und nem Steckkontakt im Kabel ... wird also händisch gesteuert, nix eltronisch.
Weiß nur nicht, ob 1 solcher Lüfter ausreichend ist für das was ich mir vorstelle ... es soll nur leicht für Luftaustausch sorgen und auch den Scheiß-Zigarettenqualm nach oben wegziehen.....(ich weiß, ich weiß, diese Raucher ...) ....


deedee am 22 Jun 2013 17:08:46

Ach ja, hatt ich grad noch vergessen ... sollte dieser eine nicht ausreichen, werd ich mir ebenfalls ne Plexiglasscheibe besorgen und 2-4 so Dinger einbauen.
Diese Scheibe würde ich dann mittels Klettverschluss (NICHT verschrauben) unter den Dachlukenausschnitt dranpappen (wegen Umdrehen) .....damit auch noch das Fliegengitter oder die Verdunklung klappt. Bisher zum Teil möglich ...

motzki30 am 23 Jun 2013 10:56:12

Moin

Ist man durch die Plexiglasplatte nicht gezwungen die Lüfter immer zu benutzen weil sonst kaum noch Luftaustausch stattfindet da mehr als die Hälfte der Dachhaube verschlossen ist ?

Tschöööööö Dirk

deedee am 23 Jun 2013 12:28:54

Wenn fest verschraubt .. eher ja.
Wenn aber nur mit Klettverschluss angeheftet, kann man sie jederzeit entfernen und alles ist beim alten .... das ist der Vorteil dabei ....
Und momentan ist fast alles nach oben hin frei, mit den 4 Einzelverstrebungen. Weiß nur nicht, ab der eine Vent reicht ....
Apropos Klettverschluss ... das herkömmliche Zeugs ist eher Spielzeug, hab da was ausgemacht, das ist SUPER. So fast durchsichtiges, etwas stärkeres Material, 'Vater- und Mutterteile' sehen identisch aus und sind in Wellenform dargestellt, EXTREMER Halt. Ist von 3 M, mehr weiß ich aber auch nicht mehr, Packung ist schon entsorgt.

JoergausBonn am 23 Jun 2013 12:35:43

Meinst du das von 3M


deedee am 23 Jun 2013 12:41:56

Jaaaaaaaaaaaaaaaaa .................hält bombastisch .....

silo am 14 Jul 2013 23:42:12

Ich hatte diesen Vorschlägen folgend mir auch einen solchen Dachlüfter gebaut.
Die PC-Lüfter hatte ich in einer Holzplatte festgeschraubt.
Das macht aber sehr viel Lärm, da sich die Laufgeräusche direkt auf die Holzplatte übertragen und von dort kräftig an die Umgebung abgegeben werden.
Da fiel mir ein, dass PC-Lüfter im PC meist über spezielle Gummistücke schwingend eingebaut werden.
Das vermindert die Laufgeräusche doch ganz erheblich.
Also hab ich mir diese Gummistücke besorgt (gibts bei voelkner, conrad, reichelt usw),
mit Lochschienen ein Gerüst gebaut und die Lüfter dort weich reingehängt: ist super leise!






macagi am 15 Jul 2013 10:02:04

Laufen diese PC Lüfter eigentlich andersrum wenn man umpolt?

alzu am 15 Jul 2013 10:35:27

Nachdem es Gleichstrommotore sind: Ja!
Übrigends: Ein in Serie geschalteter Vorwiderstand verringert die Drehzahl der Ventilatoren geringfügig und den Lärmpegel (Motor + Luftgeräusch) ganz erheblich.

macagi am 15 Jul 2013 10:40:09

Hat das schonmal jemand ausprobiert?
Obwohl es Gleichstrommotoren sind kann es dennoch sein dass es Kohlen gibt, Universalmotor ähnlich. Und somit könnte er immer gleich rum laufen.
Wenn PM drin sind werden sie wohl die Drehrichtung ändern beim Umpolen.

lahmeente am 15 Jul 2013 10:49:55

Hallo,

ich habe einen transparenten 250mm PC Lüfter eingebaut, der geht nur in einer Richtung, mit umpolen funktioniert das nicht.


LahmeEnte

rkopka am 15 Jul 2013 11:00:44

macagi hat geschrieben:Obwohl es Gleichstrommotoren sind kann es dennoch sein dass es Kohlen gibt, Universalmotor ähnlich. Und somit könnte er immer gleich rum laufen.
Wenn PM drin sind werden sie wohl die Drehrichtung ändern beim Umpolen.

Hier geht es etwas durcheinander. Normale Gleichstrommotoren (in der Größe) haben Kohlen und können umgepolt werden für die andere Richtung. Universalmotoren spielen in einer ganz anderen Leistungsklasse.

Viele Lüfter haben "brushless" Antriebe. Das sind Drehstrommotore mit spezieller Ansteuerelektronik. Die dürfen normalerweise nicht umgepolt werden. Möglich wäre ein Zusatz in der Elektronik, der die Polung erkennt und die Elektronik anders ansteuert. Aber das kostet Geld und bringt in den normalen Anwendungen nichts. Besonders, weil die Blätter ja für eine Laufrichtung optimiert sind.

Also vorsicht mit dem Umpolen. Mit etwas Pech geht der Motor(bzw. seine Elektronik) ein. Außerdem ist der Wirkungsgrad (Luftstrom) schlechter.

RK

macagi am 15 Jul 2013 11:56:19

Nur zur Information, ich habe schon als Kind in der Elektromaschinenbauwerkstatt meines Vaters herumgespielt......

Die normalen Lüftermotoren sind eher nicht BL Typen. Wäre ja auch zu teuer, da man ja die Elektronik dazurechnen muss.
Motoren mit PMs dürften in dieser Klasse auch zu teuer sein, also sind die Dinger wohl Bürstenmotoren.

Egal, ich glaube ich werde mir diese Lösung sowieso nicht antun.
Wenn man vergleicht wie die Luftleistungen sind dann bringt ein Fiamma Turbovent (und den hatte ich im alten Womo) auf maximaler Stufe ca. 5 mal so viel Luftleistung wie die 4 hier beschriebenen PC Lüfter. Kostet ja auch 5 mal so viel :D
Nun lärmt er ja auch ganz gut wenn man ihn so laufen lässt, aber ich glaube der Fiamma ist leiser als die 4 PC Lüfter bei deren Luftleistung, habe leider keine Geräuschpegeldaten gefunden, auch bei Fiamma nicht.

rkopka am 15 Jul 2013 13:12:17

macagi hat geschrieben:Die normalen Lüftermotoren sind eher nicht BL Typen. Wäre ja auch zu teuer, da man ja die Elektronik dazurechnen muss.
Motoren mit PMs dürften in dieser Klasse auch zu teuer sein, also sind die Dinger wohl Bürstenmotoren.

Elektronik ist aber inzwischen recht billig gegenüber Mechanik. Außerdem sind die BL wartungsärmer, leiser und geben weniger Störsignale ab.

PC Lüfter ab €2-3 sind heutzutage schon brushless.

RK

macagi am 15 Jul 2013 15:45:17

Stimmt, Elektronik ist günstig. Aber Bürsten (wohl) noch günstiger.
Da:
--> Link
sind fast alles Bürstenmotoren.

Und BL Motoren sind alles andere als störsignalarm, sie müssen ja durch Pulse angesteuert werden. Und die PM im Anker können wohl recht teuer sein. Im Modellbaubereich zb sind die BL Motoren immer teuerer, aber auch besser (halten länger und leistungsfähiger) als die Bürstis.

Aber jetzt sind wir OT.....

Kennt jemand einen guten Ventilator 12V mit 30cm Durchmesser? Quasi der Kern vom Turbovent.

rkopka am 15 Jul 2013 16:01:43

macagi hat geschrieben:Stimmt, Elektronik ist günstig. Aber Bürsten (wohl) noch günstiger.

€2 für einen brushless
--> Link

Und BL Motoren sind alles andere als störsignalarm, sie müssen ja durch Pulse angesteuert werden. Und die PM im Anker können wohl recht teuer sein. Im Modellbaubereich zb sind die BL Motoren immer teuerer, aber auch besser (halten länger und leistungsfähiger) als die Bürstis.

Bürstenmotoren erzeugen dafür ein Bürstenfeuer. Für leichte Motoren sind die Magnete anscheinend nicht so teuer. BL Motoren sind nicht unbedingt teuer. Es gibt schon sehr billige einfache BL Motore und auch früher waren die leistungsfähigen Bürstenmotore bei gleicher Leistung mindestens so teuer wie heute die BL. Allein der Bürstenapparat kostet schon eine Menge, während BL viel einfacher zu produzieren ist.

RK

PittiC am 15 Jul 2013 16:44:16

macagi hat geschrieben:

Kennt jemand einen guten Ventilator 12V mit 30cm Durchmesser? Quasi der Kern vom Turbovent.


So was hier: --> Link :D

deedee am 15 Jul 2013 16:59:32

Also ... ich hatte für den kleinen in der Dachhaube ca. 10.- EUR bezahlt, und für den etwas größeren, draußen vorm Luftaustritt Kühlschrank, ca. 15.- EUR, jeweils bei Conrad.
Beide laufen NICHT rückwärts, d. h. wenn man umpolt, gehen sie nicht. Iss mir nämlich passiert. Habe in der Elektrowerkstatt 'Saft' vom Panel abgreifen lassen, und dort hat man die Plus/Minuspole einfach mal vertauscht. Umstecken konnt ich selber.
Ist aber auch nix kaputtgegangen ....

macagi am 15 Jul 2013 22:25:14

PittiC hat geschrieben:
macagi hat geschrieben:

Kennt jemand einen guten Ventilator 12V mit 30cm Durchmesser? Quasi der Kern vom Turbovent.


So was hier: --> Link :D


Ja genau, so was. Und die haben ja sogar noch einen grösseren.....aber leider keinerlei Datenblatt!

schnatterente am 15 Jul 2013 22:32:28

PittiC hat geschrieben:So was hier: --> Link :D


Ich schlage vor, gleich noch einen Trichter auf dem Lüfter zu montieren, da kann man von oben das Obst und Gemüse reingeben und hat unten denn fertigen Salat. So ein Lüfter ist eine gefährliche Sache, da möchte ich nicht drin stecken ;-)

deedee am 16 Jul 2013 04:11:18

80 Watts .... huuiiiiii, der saugt ... (die Batterie leer) .....

macagi am 16 Jul 2013 08:21:11

Der alte Turbovent zieht auch 5A auf der höchsten Stufe, der Neue anscheinend nur noch 3A.
Aber den kann man eben runterdrehen, und auf niedriger Stufe kann er den ganzen Tag - dank Solar ohne Batterieverbrauch - durchlaufen.
Und weil er gross ist und langsam dreht hört man ihn auch nicht.

viking92 am 16 Jul 2013 09:24:26

Moin,

hatte auch ein paar mal mit den 120 mm Ventilatoren experimentiert.
Bin letztendlich bei einem ~ 30 cm Ventilator hängengeblieben



macagi am 16 Jul 2013 16:06:27

Ich wollte meinen eigentlich in die Toilette haben, aber ins Heki ginge es natürlich auch, da wäre der Kurbelmechanismus schon da.....

schnatterente am 18 Jul 2013 22:27:36

So, ich habe heute auch mal bissel gebastelt. Ist aber noch nicht ganz fertig, da 4 Lüfterschrauben und eine kleine Rundsteckerkupplung fehlen und alles noch verkabelt werden muss:




Für die Befestigung am Hekirahmen habe ich einfach 4 Möbelriegel genommen.

So richtig zufrieden bin ich aber nicht, obwohl ich schon 2 stärkere Lüfter der Marke NMB mit 0,72A (knapp 9W) Leistungsaufnahme verbaut habe. Ich konnte mir diese sogar bei Conrad vorführen lassen, also genug Luft wurde da schon in Bewegung gesetzt, im Gegensatz zu den normalen in den Regalen hängenden. Da glaube ich auch nicht so richtig an die Angaben hinten drauf.

Hatte mir vorher diese gekauft: --> Link Die Angabe von 100m³/h müssen die gewürfelt haben. Das ist so als würde ich ein bisschen ein- und ausatmen :-) Da nutzen mir die schönen LED´s auch nichts.

Als letzter Ausweg könnte ich höchstens noch diesen verbauen:
--> Link
Aber da hängt es wieder an einer gescheiten PWM-Regelung und 4 Stück davon :eek: ergeben über 200W und einen ohrenbetäubenden Lärm :-D

schnatterente am 20 Jul 2013 18:22:29

So, hier mal noch ein Video von der ersten Testphase: --> Link Der eine blaue Lüfter (SilverStone) ist nur Beiwerk, weil es halt schön dreht ;-) Alles was 0,01-0,2A benötigt, ist für diesen Zweck reines Spielzeug. Die Lüfter sollten min. 0,5A ziehen und ca. 2-3tsd Umdrehungen zustande bringen.

Mittlerweile bin ich doch ganz zufrieden, man muss nur genau schauen, welche Luke bzw. Fenster man öffnet, damit die Konstruktion bestmöglich Wirkung zeigt.

Ganzalleinunterhalter am 20 Jul 2013 21:10:58

Woww - da braucht man aber geprüfte Ohrstöpsel :cry: :cry:

rossifumi am 21 Jul 2013 08:52:42

Ich hätte noch paar Schaltschranklüfter von EBM-Papst rumliegen mit deutlich besserem Wirkungsgrad als die PC-Lüfter, gehen aber nur mit 230V.
Mit denen kann man auch eine Wohnung "schnelllüften". :D

Rossi

schnatterente am 21 Jul 2013 09:21:36

rossifumi hat geschrieben:mit deutlich besserem Wirkungsgrad als die PC-Lüfter, gehen aber nur mit 230V.

Das hebt sich dann mit dem schlechteren spannungswandelnden Wirkungsgrad wieder auf ;-)

andwein am 21 Jul 2013 11:42:21

rossifumi hat geschrieben:Ich hätte noch paar Schaltschranklüfter von EBM-Papst rumliegen mit deutlich besserem Wirkungsgrad als die PC-Lüfter, gehen aber nur mit 230V.
Mit denen kann man auch eine Wohnung "schnelllüften". :D
Rossi

Einfach nur zur Info
Der (vergleichbare) lufttechnische Wirkungsgrad hängt von der Schaufelform und der Umdrehungsgeschwindigkeit ab. Allerdings hängt davon leider auch der Stromverbrauch und der Geräuschpegel ab. Ob 12V oder 230V als Wicklung ist eigentlich relativ egal. Gute PC-Lüfter sind auf Geräuscharmut konzipiert, der Stromverbrauch ist dabei eigentlich egal.
Für Schaltschränke (industrieanwendung) ist Strom und Geräusch fast egal, hier zählt Durchsatz.
Andreas

schnatterente am 21 Jul 2013 11:59:29

andwein hat geschrieben:Gute PC-Lüfter sind auf Geräuscharmut konzipiert, der Stromverbrauch ist dabei eigentlich egal.

Eben, die meisten Lüfter sind auf leise getrimmt und haben dann auch nur ca. 0,09-0,18A Leistung, die Drehzahl ist dann auch dementsprechend (ca. 800-1300). Habe die letzten Tage einige in der Hand gehabt und probegehört und -gefühlt. Sicher gibt es auch Außnahmen, wo mit weniger Leistung trotzdem höhere Drehzahlen und somit ein guter Luftdurchsatz erziehlt wird, aber das braucht es in einem Arbeits-PC halt nicht.

deedee am 21 Jul 2013 18:44:18

Eben vom Probebetrieb zurückgekommen. Und es war richtig heiß ......
Einzelner PC-Lüfter in der Dachkuke ---- V I E L zu schwach.
Lüfter vorm Kühli-Ausgang: Wirkung auf den Kühlschrank unbekannt, war an Landstrom, Temperatur auch nicht unter 10 Grad, Lüfter aber umfuntioniert als Lufteintritt durchs Küchen-Schiebefenster ---> man merkt einen leichten Luftzug bis ca. 80 cm von entfernt.
Zum Lüften des Hundi-Sitzplatzers unterm Tisch (wenn man den Lüfter etwas näher anbringt) reichts.
Also --- in die Dachluke muss was anderes rein .....

schnatterente am 21 Jul 2013 20:08:29

8119 deedee,

das hatte ich mir schon fast gedacht, dass da die Luft darüber lacht :wink:

Welche Angaben stehen denn auf dem Lüfter? Lass dir mal bei Conrad die stärkeren von NMB vorführen.

deedee am 22 Jul 2013 12:59:25

Hab vorhin mal geguckt ... vielleicht bau ich doch den Fiamma Vent .. oder wie der noch heißt ... in die Dachluke ein. Kann geklemmt werden, also nicht festgeschraubt. Ist halt multinational einsetzbar, also auch außerhalb der Dachluke aufzustellen.
Steht halt nur kein 'Verbrauch' un d die Lautstärke dabei ... muss mir mal schlau machen ... richtiger Name --> Suche hier im Forum --> ... usw.
Gucken bei Conrad iss auch noch ne Option ....

deedee am 22 Jul 2013 16:56:34

Hmmm ... was verstehste denn unter 'stärker'?
Der hier < --> Link >
iss laut und fördert ja ma gar nix .......
Guck grad mal da in hp rein, was es da alles so gibt ....

deedee am 22 Jul 2013 17:37:56

Ich glaub, ich versuchs doch mal mit dem Fiamma Turbo Vent Kit.
Dürfte in mein Mini Heki Plus reinpassen .... 'n bisserl umkonzipiert, dann kann das Ding auch während der Fahrt pusten (steht dabei, nur wenn Fzg steht und Dachhaube offen...?) ....

Wie siehts denn nu aus, wer hat denn nu positive oder negative Erfahrungen mit diesem Teil gemacht?

schnatterente am 22 Jul 2013 19:34:15

deedee hat geschrieben:Hmmm ... was verstehste denn unter 'stärker'?
Der hier < --> Link >
iss laut und fördert ja ma gar nix .......
Guck grad mal da in hp rein, was es da alles so gibt ....


Die Angabe ist pro min, also ca. 180m³/h ;-) Das ist für so einen Lüfter ordentlich

Anzeige

  • Die neuesten 10 Themen
  •  
  • Die neuesten 10 Reiseberichte
  • Die neuesten 10 Stellplätze

Winterabdeckung für Thetford Kühlschrank für Carado t448
Thetford N4000er Energiequellenautomatik
Alle Rechte vorbehalten ©2003 - 2026 AGB - Datenschutzerklaerung - Kontakt