Wohnmobilpark
luftfederung
hallo
Links zu ebay oder Amazon sind Werbelinks. Wenn Sie auf der Zielseite etwas kaufen, bekommen wir vom betreffenden Anbieter Provision. Es entstehen für Sie keine Nachteile beim Kauf oder Preis.

Mobile Solarpanele zusätzlich zur vorhandenen Solaranlage


Tirena27 am 19 Mär 2015 18:28:18

Ja, ich habe die Suchfunktion bemüht, aber leider bei der Vielzahl an Beiträgen nicht den passenden für mich gefunden – also wer den passenden Beitrag findet bitte ich um einen Link.

So, jetzt meine Überlegung:

Ich habe auf dem Dach 2 x 60 Wp von Büttner montiert. Diese sind über den MT 350 PP an meine 2 x 100 Ah Gel-Batterien angeschlossen.

Da ich im Sommer aber gern einen schattigen Stellplatz suche, bringen diese Module kaum Leistung. Für diesen Fall würde ich gern noch mobile Platten mitnehmen, welche dann wie ein Solarkoffer (mit langem Kabel in der Sonne), allerdings hier zusätzlich angeschlossen werden sollen. Jetzt habe ich noch von meinem Boot 2 x 25 Wp (Platten) übrig und bin mir nicht sicher, wie ich diese anschließen soll. Da es sich um andere Platten als die Festinstallierten handelt, denke ich eher nicht, die vor dem MT 350 PP zu koppeln. Ich würde statt dessen einen ebenfalls noch vorhandenen MT 130/12 montieren und diesen dann direkt auf die Batterien leiten.

Was sagen die Spezialisten – Machbar oder eher Finger davon lassen?

Anzeige vom Forum

Hier findest Du vielleicht schon, was Du suchst: Artikel auf eBay oder versuchs hier bei Amazon

Gast am 19 Mär 2015 18:36:24

2 mal 25W ist vielleicht der Mühe nicht wert?

Tirena27 am 19 Mär 2015 18:59:05

Naja, im Sommer benötige ich die vermutl. überhaupt nicht, da reicht die vorhandene Anlage. Im Herbst nutzt man schon etwas mehr Strom und da z.B. in Kroatien einige Stellplätze direkt am Meer unter Bäumen sind, dachte ich schon, etwas zu erreichen. Ich hätte ja auch keinerlei Kosten, Kabel und Stecker hab ich noch genügend in der Ecke liegen - also nur die Arbeitszeit und schließlich muss ich mich ja auch mal mit etwas "Schönem" beschäftigen. :razz:

Anzeige vom Forum


berny2 am 19 Mär 2015 19:22:45

Tirena27,
wenn die Mobilen die gleiche Spannung wie die Vorhandenen haben (bspw. 36 Zellen), kannste sie anschliessen wie Du willst, nur PlusMinus nicht vertauschen. Schutzdioden werden sie ja wohl haben. Die Anschlussleitungen sollten möglichst kurz und dick sein, und eine Kette zur Diebstahlsicherung sollteste auch nicht vergessen,

rolfblock am 19 Mär 2015 20:28:58

Wozu braucht er Schutzdioden? Im System mit 36 Zellen? Wenn die Rückflussdiode sowieso im Regler drin ist?

berny2 am 19 Mär 2015 22:28:12

rolfblock hat geschrieben:Wozu braucht er Schutzdioden? Im System mit 36 Zellen? Wenn die Rückflussdiode sowieso im Regler drin ist?

Ich schrieb nichts von einem Regler.

sposoz am 20 Mär 2015 18:56:37

Hallo zusammen,

at Tirena: du hast geschrieben...."Da ich im Sommer aber gern einen schattigen Stellplatz suche, bringen diese Module kaum Leistung. Für diesen Fall würde ich gern........."
Hast du das schon ausprobiert oder ist es eine Vermutung?
Ich habe nämlich eine andere Erfahrung gemacht. Wir brauchen nur im Winter zusätzlich zu den Solarmodulen Strom.
Frühling, Sommer und Herbst geht immer(!!!!) ohne zusätzlichen Strom. Im Sommer können wir sogar das Kajak über 1 von 2 Modulen liegen lassen - reicht auch noch im Schatten. Allerdings haben wir alles in LED bzw. wir haben kein TV ausser übers Schleppi....

Viele
Achim

Tirena27 am 21 Mär 2015 09:03:23

sposoz hat geschrieben:Hast du das schon ausprobiert oder ist es eine Vermutung?

Viele
Achim


Im Moment warte ich noch auf die Lieferung von meinem Büttner MT 4000 iQ - dann kann ich es hoffentlich genau feststellen. Es trifft aber eher auf Frühjahr oder Herbst zu, da wird es halt zeitiger Dunkel - d.h. es ist weniger Ertrag da und man nutzt i.d.R. mehr Strom. TV brauch ich im Sommer eher gar nicht - in der Übergangszeit nutzen wir den schon ab und an mal.

tromsoe am 22 Mär 2015 18:25:53

Hallo hab ich seit Jahren, 2 x 110 Wp auf dem Dach, 1 x 100 wp mobil mit Klappständer, 10 m Solarkabel und Außen Steckdose zum 2. Regler. Funktioniert einwandfrei.
troms

Tirena27 am 23 Mär 2015 08:55:46

tromsoe hat geschrieben:Hallo hab ich seit Jahren, 2 x 110 Wp auf dem Dach, 1 x 100 wp mobil mit Klappständer, 10 m Solarkabel und Außen Steckdose zum 2. Regler. Funktioniert einwandfrei.
troms


Also mit zweitem Regler, genau das wollte ich wissen. Ich werde das jetzt mal so konfigurieren, allerdings die Verbindung nur provisorisch innenliegend. Wenn es was bringt, rüste ich eine Außensteckdose nach.

Danke.

creepin am 23 Mär 2015 10:33:56

Tirena27 hat geschrieben:Also mit zweitem Regler, genau das wollte ich wissen. Ich werde das jetzt mal so konfigurieren, allerdings die Verbindung nur provisorisch innenliegend. Wenn es was bringt, rüste ich eine Außensteckdose nach.

Danke.


Moin!

Genau diese Lösung habe ich mir letztes WE in meinen Eura gebaut, weil ich die Hardware noch von einem Böötchen übrig hatte.
100 WP auf dem Dach und 80 WP "mobil" über einen zusätzlichen Billigregler direkt an die Batterie geklemmt.

Ich hab den Eindruck, als würde der Billigregler "denken", dass die Batterien voll sind, weil ja schon hohe Spannung (>14,2 V) anliegt,
und zwar von dem anderen Regler.

Lt. Batteriemonitor hat sich durch die mobile Zelle der Ladestrom in A nicht nennenswert verändert... :nixweiss:
(Beide Regler natürlich VOR dem Shunt :ja: )

Tirena27 am 25 Mär 2015 08:49:31

creepin hat geschrieben:
.. von einem Böötchen übrig hatte.
100 WP auf dem Dach und 80 WP "mobil" über einen zusätzlichen Billigregler direkt an die Batterie geklemmt.

Ich hab den Eindruck, als würde der Billigregler "denken", dass die Batterien voll sind, weil ja schon hohe Spannung (>14,2 V) anliegt,
und zwar von dem anderen Regler.


Ist ja fast die gleiche Situation wie bei uns, ich habe vom Boot auch noch die 50 Wp übrig, jedoch nehme ich nicht den übrigen Billigregler sonder ich habe noch einen MT 130/12 als Reserveregler im Womo liegen. Der sollte die Situation hoffentlich erkennen.

tromsoe am 26 Mär 2015 00:12:53

Ich habe einen hochwertigen Regler von Büttner (als Eingang von dem mobilen Solargenerator) verbaut funktioniert einwandfrei. Am Anfang glaubte ich auch auf die Außen Steckdose verzichten zu können, der Nachteil zeigte sich bei schlechten Wetter recht schnell. Heizen mit Umluft Anlage und offener bzw. angelehnter Stauklappe war nicht so gut.

troms

Tirena27 am 08 Okt 2015 10:03:25

So, der Sommer ist vorbei und ich hätte die zusätzlichen Platten nicht benötigt. Das 230 V Kabel ist die gesamte Saison in der Heckgarage verblieben.

Doch jetzt werden die Standzeiten wieder länger und zudem noch unter dem Carport - dank des Batteriecomputers sehe ich jetzt, das ich hier doch Energie benötige.

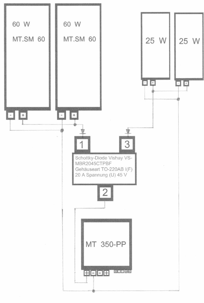
Da ich die Start- sowie die Aufbaubatterien geladen haben möchte, habe ich mir überlegt, ob ich nicht mit meinem vorhandenen Regler (MT 350 PP) auskomme. Ich habe mal einen Anschlussplan erstellt, so wie ich mir das vorstelle und hoffe, dass sich die Experten hier in diesem wunderbaren Forum dazu äußern. Den Einsatz der Skottky-Diode hab ich aus einem anderen Beitrag übernommen und müsste diese noch kaufen.



xbmcg am 08 Okt 2015 10:15:47

Wenn Du auch noch die Werte der Module postest, dann könnte man Dir besser helfen:

- Leerlaufspannung U0
- Kurzschlußstrom Vsc
- MPP Spannung Vmpp

Wenn die Vmpp in etwa gleich ist, kannst Du die Module alle parallelschalten.
Dein Regler kann bis zu 350Wp vertragen, Deine Module haben in Summe gerade mal 170Wp,
also nur die Hälfte des möglichen.

Dein Regler sollte 2 Ladeausgänge haben, einen Hauptausgang für die Bordbatterie und einen Erhaltungsladeausgang
für die Startbatterie (max. 1A).

Also alles kein Problem.

Die Schutzdioden sollen bei Parallelschaltung mehrerer Module verhindern, dass die Gesamtleistung der
noch funktionierenden Module über ein defektes Modul kurzgeschlossen wird und verheizt wird.
Das kann man aber auch mit Sicherungen bewerkstelligen. In Deiner Anlage sind die Ströme eh nicht im nennenswerten Bereich.

Tirena27 am 08 Okt 2015 10:22:30

Ja, die Daten der zusätzlichen Module wollte ich noch einfügen.



Mehr Angaben dazu habe ich nicht - sollte reichen.

xbmcg am 08 Okt 2015 10:32:02

Kannst Du problemlos parallelschalten.

Tirena27 am 08 Okt 2015 11:29:00

Danke für die schnelle Antwort, ich hatte auch extra gezählt, die Büttner sowie die zusätzlichen Panele haben 36 Zellen.

Ist die Diode zwischen den beiden Plattenpaaren erforderlich? Die größeren Module sind ja fest auf dem Mobil installiert und unter dem Carport bekommen die kein Licht.

Anzeige

  • Die neuesten 10 Themen
  •  
  • Die neuesten 10 Reiseberichte
  • Die neuesten 10 Stellplätze

Solar-Laderegler 12 V, 24 V 30 A IVT MPPT von Conrad
Solarkoffer: Wie groß sollte die Kapazität sein?
Alle Rechte vorbehalten ©2003 - 2026 AGB - Datenschutzerklaerung - Kontakt