Hi zusammen
Ich möchte gerne Mein Projekt vorstellen natürlich freue ich mich über rege Beteiligung,
seit ca.1 nem Jahr erfülle ich mir einen Traum und baue mein eigenes Fernreisemobil auf LKW Basis natürlich mit Allrad, Fahrerhaus und Wohnkabine sind fertig und dicht jetzt geht es an das Liebe Tema Strom, Ich muss sagen ich bin Relativer Anfänger auf diesem Gebiet habe mir hier aber fast alles durchgelesen und Verfolgt, muss sagen vielen Dank an alle die sich so Rege hier beteiligt haben echt super ich habe sehr viel gelernt und mich nun auch Entschieden Lifeypo4s einzubauen.
Bestimmt kommen im Laufe der Zeit viele Fragen noch ich habe bis jetzt nicht von vielen 24v Lösungen gehört,
Die Idee ist das ich Fast alles mit Strom zu mache in dem Auto
Kochen über Induktion, einen Backofen ist auch geplant und ne Klima
Warmes Wasser über Abwärme des Motors und über E-Patrone
Licht ist alles LED
Sonst noch Habe ich eine Eberspächer Diesel Standheizung
Und Kompressor Kühlie mit 120L
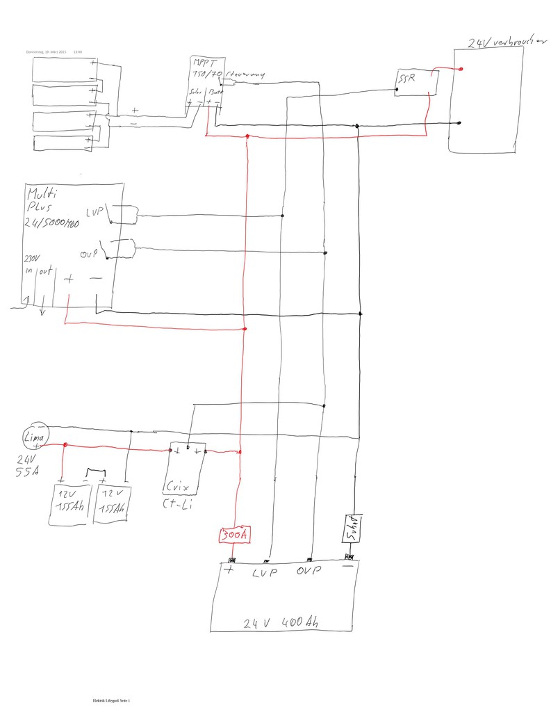
Geplante Komponenten:
MultiPlus 24/5000/100
BlueSolar Mppt 150/70
Zellen 4 stk. a 300W-24v macht dann ca. 50A
Ladung über Lichtmaschine ca. 55A bei 24V
Trennung von Aufbaubatterie und Startbatterie über : Cyrix-CT LiPo
Anzeige über einen BMV 700 und ColorControl GX
So mal meine Idee
Ich habe schon: Die 8 Zellen a 400AH, und die LiPro 1-6 inkl. Zellen Verbinder etc. sind bestellt
Und jetzt geht es schon mit Fragen los. Was haltet ihr von den Komponenten?
Brauche ich die SSR´s noch oder kann ich über die LiPro1-6 die Superlast von Ph direkt schalten weil die neuen LiPros ja 1A schalten können.
Die Abschaltung der Ladung durch solar kann ich direkt am Mppt machen
Sowie die Abschaltung des MultiPlus
Und über die Cyrix alles diese Geräte haben eigene Schaltausgänge
Somit müsst ich doch nur noch absichern LVP der Restlichen 24V (12V) Verbraucher
Power




