rump
motorradtraeger
hallo
Links zu ebay oder Amazon sind Werbelinks. Wenn Sie auf der Zielseite etwas kaufen, bekommen wir vom betreffenden Anbieter Provision. Es entstehen für Sie keine Nachteile beim Kauf oder Preis.

Low Cost "Batteriecomputer" echt cool 11,99€ 1, 2, 3, 4, 5, 6


TeXas am 15 Okt 2014 11:24:12

Update:

Der Einbau meines LCBC war ein voller Erfolg, es ist erstaunlich wie wenig AH ich bei meinen Touren verbrauche. Aber noch viel interressanter ist es, "Ihn" die Gegenprobe seiner eignen Rechnerei machen zu lassen. Das heist: ich habe zu Testzwecken den Anschluss so verändert, dass er jetzt nicht zwischen BB und Verbraucher misst, sondern, zwischen LB und BB.

Ich hatte gestern schon einmal in einem andere TE darüber berichtet und ja Bilder gibt es auch dazu :razz:
............"und ja, der Ladebooster (LB) hatte heute mit einer Peakleistung von 21,75A angefangen, die fehlenden 13 AH nachzuladen, wobei die A immer weiter reduziert werden, je näher man der Lade-Schlussspannung kommt. Deshalb auch ein langer Ladezyklus. Dieser Prozess hat fast 4 Stunden gedauert, das heisst für die letzten 4 AH hat er dann fast 2,5 Stunden benötigt."


Peakleistung des LB links


oben Reduzierung der Leistung des LB`s, unten links Gesamt eingeladene AH


oben Reduzierung der Leistung des LB`s, unten links Gesamt eingeladene AH, Ladeschluss-Spannung fast erreicht


wahnsinn wie wenig Strom jetzt noch fliesst



FERTIG..............das hat er doch gut gemacht oder? :tanz:

Anzeige vom Forum

Hier findest Du vielleicht schon, was Du suchst: Artikel auf eBay oder versuchs hier bei Amazon

viking92 am 15 Okt 2014 12:44:13

TeXas hat geschrieben:............"und ja, der Ladebooster (LB) hatte heute mit einer Peakleistung von 21,75A angefangen

Hy Texas,

aus dem ersten Bild lese ich 3,95 A Ladestrom.
Mache mal bitte ein Bild zum Anfang der Ladephase, wenn der Strom recht hoch ist.
Behalte die Anschlüsse des BC aber unbedingt im Auge.

Ansonsten hatte ich hier glaub ich schon gesagt: echt `n nettes Teil.
Müsste jetzt nur noch hochstromfähig sein :top:

& berichte weiter

TeXas am 16 Okt 2014 11:01:29

viking92 hat geschrieben:Mache mal bitte ein Bild zum Anfang der Ladephase, wenn der Strom recht hoch ist.


Hallo Viking92,

anscheinend schmeckt meiner kleinen Optima dieser erstklassige Votronic-Strom heute besonders gut. :gui:






TeXas

Anzeige vom Forum


TeXas am 16 Okt 2014 11:51:15



Hier wird sehr anschaulich, wie die Amperè-Zahl sinkt, während wir uns der Ladeschluss-Spannung nähern.







TeXas

viking92 am 16 Okt 2014 12:06:52

So soll`s auch sein :top:

logri46 am 10 Nov 2014 18:09:54

Guten tag !
Ich habe noch eine Frage zu diesem Gerät.Das Meine -frisch aus China - hat seitlich noch einen Steckanschluss,ähnlich USB;(ist aber keiner,zumindest keiner wie ich die USB kenne)
Kann einer mich schlau machen für was das ist u. ggf. wie mans nutzen kann ?
logri46

rkopka am 10 Nov 2014 19:08:34

logri46 hat geschrieben:Das Meine -frisch aus China - hat seitlich noch einen Steckanschluss,ähnlich USB;(ist aber keiner,zumindest keiner wie ich die USB kenne)

3 Pins, 2,54mm Abstand, Stifte ?

Das wäre dann eine externe Stromversorgung. Damit kann man auch Spannungsquellen unter 4V messen. Normalerweise bekommt das Gerät seine Versorgung ja aus dem Eingang. Unter 4V reicht es nicht. Dann braucht man eine getrennte Spannung dafür. Spielt aber im Auto (12V) keine Rolle.

RK

TeXas am 10 Nov 2014 19:57:37

Hab noch etwas beobachtet (ich lass ihn keinen Moment aus den Augen :lupe: )

Kurz bevor der Ladebooster in die Erhaltungsladung wechselt, senkt er die Ladeschluss-Spannung in meinem Fall von 14,75V auf 14,70V.

Einen Moment späther, schaltet er in die Ladeerhaltung.





TeXas

e_boettcher am 10 Nov 2014 20:19:11

Dumme Frage:
Hat das Gerät einen Resetknopf, oder muss man zum Starten eines neuen Messzyklus die Stromversorgung (über ext. Taster) unterbrechen?


Edgar

TeXas am 10 Nov 2014 20:29:45

e_boettcher hat geschrieben:KEINE Dumme Frage:Hat das Gerät einen Resetknopf,


Nein, dass Gerät hat keinen Resetknopf, der Stromkreis muss unterbrochen werden, um einen neuen Messzyklus zu starten.





TeXas

e_boettcher am 10 Nov 2014 21:23:43

Danke für die Info!


Edgar

uk1408 am 10 Nov 2014 22:28:00

Hallo zusammen,

ich habe auch das Teil vom Themenstarter, kommt wie schon geschrieben aus dem Modellbau und tut da recht gut, verträgt auch ordentliche Ströme/Leistungen, aber immer nur für kurze Zeit. Und vor allem geht es nur in eine Richtung, laden oder typischerweise entladen. Geladen wird bei der Modellbau-Anwendung ja extern mit einem Ladegerät und es ist interessant was der Akku z.B. während eines Fluges (noch) bringt.
Dann gibt es noch so was wie von uwet (hallo Namensvetter), , Link zum eBay Artikel meines. Das kann laden und entladen messen, das macht es etwas einfacher. Die Amperestunden lassen sich leicht einstellen, auf Knopfdruck werden 100% oder 0% eingestellt. Peukert-Effekt oder Wirkungsgrad kennt er nicht, muss man selbst nachdenken.
Etwas basteln muss man beim verkabeln des (externen) Shunts (1 mOhm), aber wenn der sauber eingebaut wird kann eigentlich nicht mehr viel schiefgehen. Ach ja, und er merkt sich auch beim Ausschalten alles, fängt also nicht immer mit Null an.

logri46 am 10 Nov 2014 23:48:37

Okay,danke -externer Spannung bedarf es nicht
logri46

TeXas am 11 Nov 2014 14:48:32

uk1408 hat geschrieben:............... kennt er nicht, muss man selbst nachdenken. Etwas basteln muss man beim verkabeln des (externen) Shunts (1 mOhm), aber wenn der sauber eingebaut wird kann eigentlich nicht mehr viel schiefgehen. Ach ja, und er merkt sich auch beim Ausschalten alles, fängt also nicht immer mit Null an.


Hallo uk1408,

das von dir vorgeschlagene Gerät ist besser als meines ohne Frage.

Mein "LCBC" sollte mir eigentlich nur die verbrauchten AH anzeigen, damit ich bei meinem Nutzungsverhalten in etwa abschätzen, ob sich der Kauf einer zusätzlich Batterie für mich lohnt. Dank "IHM" konnte ich darauf verzichten und als Belohnung darf "ER" bleiben. Über das Gesamt gesparte Geld freut sich die Urlaubskasse. ;D



TeXas

Gast am 07 Jan 2015 13:34:59

Habe das Teil jetz angeschlossen, zeigt auch Werte an. Was mich etwas verwirrt ist die Vielfalt der Werte. Vielleicht kann Texas ja mal eine Tabelle machen, was bei Entladung und Ladung links und rechts angezeigt wird. Manual ja leider in Englisch.

Danke

xbmcg am 07 Jan 2015 15:20:09

Steht doch auf dem Display,

Links Oben: Ampere (derzeit fließender Strom)
Rechts Oben: Volt (aktuelle Spannung)
Links Unten: Ah (AmpereStunden) (Ladungsmenge der Batterie)
Rechts Unten: Watt (aktuelle Leistung = Ampere * Volt)

Das Vorzeichen der Werte für Volt, Ampere, Ah entspricht Ladung (+) oder Entladung (-)

Gast am 07 Jan 2015 16:23:55

xbmcg hat geschrieben:Steht doch auf dem Display,

Links Oben: Ampere (derzeit fließender Strom)
Rechts Oben: Volt (aktuelle Spannung)
Links Unten: Ah (AmpereStunden) (Ladungsmenge der Batterie)
Rechts Unten: Watt (aktuelle Leistung = Ampere * Volt)

Das Vorzeichen der Werte für Volt, Ampere, Ah entspricht Ladung (+) oder Entladung (-)



Teilweise richtig. Aber: Die Anzeigen sind unterschiedlich bei Ladung oder Entladung und + oder - Vorzeichen sehe ich gar keine....

xbmcg am 07 Jan 2015 17:08:05

Code: --> Link
Introduce:
Professional RC Watt Meter is an excellent addition to your RC hobby, DC circuits, Solar system, Boat/RV & Battery Backup systems!

This isn't just a watt meter-it's the All-In-One Meter! A power meter, a volt meter, an amp-hour meter, ammeter and energy meter. Everything all in one unit! This is the perfect troubleshooting tool. This all-in-one watt meter is indispensable for analyzing, testing and troubleshooting any DIY DC power project.

Feature:
100% Brand new and high quality.
Digital LCD screen gives clear crisp number readings.
Handles up to 100 amps intermittently and 50 amps continuous duty.
Connecting load end to the battery provides real-time battery charging reading.
Handles 0 to 60 volts. Works on 12, 24, 36, and 48 volt battery bank systems.
Extremely low power consumption of 7 mA. More efficient than any LED meter.
Measure energy(wh),charge(ah), power(w),current(A) and voltage(V).
Accurate & precise 0.01 A current and 0.01 V voltage resolutions.
Measures peak Amps, peak Watts(except for Doc Wattson) and Voltage minimum(sag).
Rugged- handles 50A continuous and 100 A peak at 60V.
Acts like a wire so doesn't affect model's performance. Precision Alu-Chrom current sensing resistor, with only 0.001 Ohms resistance and circuitry that draws only 7 mA.
USes DSP to increase ADC resolution and differential measurement amplifiers to increase noise immunity.

Specifications:
Color:Blue
Voltage:(0)V-4V-60V 0.01V (Resolution).
Current:0-100 A peak 0.01A (Resolution).
Power:0-6554 W 0.1W (Resolution).
Charge:0-65 Ah 0.001Ah (Resolution).
Energy:0-6554 wh 0.1 Wh (Resolution).
Measurement Update period:400mS.
Signal Sampling Rate:sample/s.
Data Queue Sequence time: 2 seconds.
In Circuit Resistance:0.001 Ohms.
Operation Current: 7 mA.
Auxiliary Power Voltage: 4.0V ~ 60V
Size:8.3cm x 4.7cm x 2cm - 3.27inch x 1.85inch x 0.79inch
Display Screen: 1602 STN LCD


Die Übersetzung der relevanten Daten:

Energiemessung in Wh (Wh), Ladung Ah (Ah), Leistung W (w), Strom (A) und Spannung (V).
Messgenauigkeit / Auflösung: 0.01 A bei Strom und 0.01 V Spannung.
Misst Spitzenwerte von Strom peak Ampere (Ap), Leistung (Wp) und Spannung (Vp) p steht für "peek" = Spitze

Specs:
Farbe:Blau
Spannung:(0)V-4V-60V / 0.01V (Auflösung).
Strom:0-100 A peak / 0.01A (Auflösung).
Leistung:0-6554 W / 0.1W (Auflösung).
Ladung:0-65 Ah / 0.001Ah (Auflösung).
Energiemenge / Arbeit: 0-6554 Wh / 0.1 Wh (Auflösung).
Abtastungsperiode: 400ms. (2.5 Messungen / Sekunde)

Signal Sampling Rate: Messungen/s.
Data Queue Sequence time: 2 seconds. (Zeit, über die die Messungen gemittelt werden, alle 2 Sekunden wird ein neuer Messwert aus der Abtastung berechnet, also aus 5 Messwerten wird ein Anzeigewert ermittelt)

In Circuit Resistance:0.001 Ohms. (Innerer Wiederstand 1mOhm)
Operation Current: 7 mA. (Leistungsaufnahme 7mA)
Auxiliary Power Voltage: 4.0V ~ 60V (Externe Stromversorgung 4..60V)
Size:8.3cm x 4.7cm x 2cm - 3.27inch x 1.85inch x 0.79inch (Größe in cm und Zoll)
Display Screen: 1602 STN LCD (Typ der Anzeige)

Hilft das weiter?

uwet am 07 Jan 2015 17:10:25

uk1408 hat geschrieben:Dann gibt es noch so was wie von uwet (hallo Namensvetter), , Link zum eBay Artikel meines.

uk1408 hat geschrieben:Das kann laden und entladen messen, das macht es etwas einfacher. Die Amperestunden lassen sich leicht einstellen, auf Knopfdruck werden 100% oder 0% eingestellt. Peukert-Effekt oder Wirkungsgrad kennt er nicht, muss man selbst nachdenken.

Hi Uwe,
ich habe mal probiert ob man den Shunt auch in die +Leitung einschleifen kann so wie es im EBL gebaut ist um den internen zu verwenden. Geht leider nicht, die Anzeige wird dann völlig ungenau. Das wäre die Super-Lösung gewesen. Wenn einen die Batteriespannung nicht interessiert, nur die Kapazität, kann man natürlich die Betriebsspannung für dieses Teil über eine kleine Zusatzbatterie oder einen kleinen Spannungswandler bereitstellen. Ob der Aufwand allerdings lohnt ?
Uwe

Gast am 07 Jan 2015 17:39:14

Hier mal eine Zeichnung der Verkabelung von meinem Versuchsaufbau.
Vielleicht habe ich ja einen Denkfehler?? Wenn ich nun einen Verbraucher an das Kabel zwischen LCD Anzeige und Ladegerät anschließe kann ich wenn das Ladegerät aus ist alles schön ablesen. Schalte ich das Ladegerät ein egal ob mit oder ohne Verbraucher ändert sich nur die Voltzahl, sonst nichts.
Das Ladegerät ist ein handelsübliches Ladegerät für KFZ-Batterieen, kein ELB o.ä. .
Ich kann also nur den Verbrauch bei abgeschaltetem Ladegerät ablesen, sonst eigentlich nichts.

Wo ist mein Denkfehler?


uk1408 am 07 Jan 2015 18:07:07

Hallo Marc,

soweit ich weiß misst das (zumindest meines) nur sozusagen in eine Richtung, also laden oder entladen. Reicht ja für den ursprünglichen Zweck - Modellbau - aus, da will ich nur wissen was beim entladen passiert. Laden tut man da ja sowieso extern....

xbmcg am 07 Jan 2015 18:18:23

Du kannst nur Ströme messen, die durch das Messgerät fließen.

Also Strom vom Ladegerät zur Batterie (Ladestrom)
oder Strom von der Batterie zum Kreislauf des Ladegerätes, wenn da Verbraucher dranhängen würden = Entladestrom.

Du kannst keinen Srom vom Ladegerät zum Verbraucher messen, wenn der Verbraucher im Stromkreis des Ladegerätes ist,
denn dieser Strom fließt nicht durch das Messgerät.

Wenn das Ladegerät an ist und die Spannung des Ladegerätes über der Batteriespannung liegt und Du einen Verbraucher einschaltest,
bekommt der Verbraucher seinen Strom vom Ladegerät, den kannst Du so nicht erfassen.

Dich interessiert aber auch nur das, was mit der Batterie in Verbindung steht (Lade / Entladevorgang, Füllstand),
insofern ist die Beschaltung richtig, dass auf der einen Seite die Batterie alleine steht und auf der anderen Seite
der Rest der Elektrik.

Wenn das Gerät nur in einer Richtung messen können soll (was ich nicht weiss, ich hab das Gerät nicht) und Du den Ladevorgang
überwachen willst, dann muss das Ladegerät an Source (Quelle) angeschlossen werden und die Batterie an Load (Last).

Richtige Batteriecomputer, (und normale Amperemeter) messen sowohl positive als auc negative Ströme, Ladungen, Leistungen etc.

Gast am 07 Jan 2015 18:23:17

Danke euch. Ich war auf dem Irrweg zu denken, das Teil misst in beide Richtungen. Ich habe wohl irgendwo überlesen, je nach Messung Ladung oder Entladung umklemmen zu müssen.

TeXas am 07 Jan 2015 23:21:32

marc1965 hat geschrieben:Wo ist mein Denkfehler?



Hallo Marc,

der Stromfluß wird nur von Source (also der Quelle des Stroms) in Richtung Load (Entnahme gemessen). Also ist dein Bild für die Verkabelung falsch. :D

Bei den anderen Werten die du unten im Display siehst werde ich gleich noch einmal nachschauen.


Viele


TeXas

TeXas am 07 Jan 2015 23:23:54

xbmcg hat geschrieben:und normale Amperemeter) messen sowohl positive als auc negative Ströme, Ladungen, Leistungen etc.


Ein normales Amperemeter addiert aber nicht............... ;D


TeXas

TeXas am 07 Jan 2015 23:36:31

Also bzgl. der Anzeigewerte unten links,:

WP = Watt Peak (höchster Wert)

AH = Ampere gesamt

WH = Watt Stunde

AP = Ampere Peak (höchster Wert)

VM = Volt Minimum

AH = Ampere aktueller Verbrauch





TeXas

bestager am 07 Jan 2015 23:39:19

TeXas hat geschrieben:
Ein normales Amperemeter addiert aber nicht............... ;D


TeXas


Moin,

ein normales Amperemeter zeigt nur die Summe bzw. die Differenz der einzelnen Ströme an. :ja:

, Charly

Gast am 08 Jan 2015 02:58:04

Frage an "uwet"
da hab ich auch noch einen. Wenn es um den billigsten Batteriecomputer geht --> Link .


Das Teil habe ich auf meiner Liste Link zum eBay Artikel,
habe den Händler angefragt welchen Werte der Shunt haben muss oder ob der im Lieferumfang enthalten ist ...
Leider keine Brauchbare Antwort bekommen ... kannst du mir sagen welchen Wert der Shunt haben muss,
habe bereits einen 75mV (100A) Shunt verbaut und möchte den gerne mitverwenden ... kann der angezeigte Strom an den Shunt angepasst / justiert werden ?

uwet am 08 Jan 2015 08:50:47

feuerring hat geschrieben: welchen Werte der Shunt haben muss oder ob der im Lieferumfang enthalten ist ...
Leider keine Brauchbare Antwort bekommen ... kannst du mir sagen welchen Wert der Shunt haben muss,
habe bereits einen 75mV (100A) Shunt verbaut und möchte den gerne mitverwenden ... kann der angezeigte Strom an den Shunt angepasst / justiert werden ?

Hi feuerring,
im Lieferumfang ist ein 1mOhm Präzizionsshunt dabei. Das ist ein ganz kleines Teil mit Spielzeuganschlüssen, kann aber mit Kühlung 100A. Ein 75mV-Shunt wird auch gehen. Dazu muss man alle 3 Tasten drücken und dann die Spannung anlegen, es erscheint ein Menü in dem sich Strom und Spannung eichen lassen. Dort wird auch die Kapazität des Akkus eingetragen.

Uwe

Gast am 08 Jan 2015 09:51:16

TeXas hat geschrieben:
Hallo Marc,

der Stromfluß wird nur von Source (also der Quelle des Stroms) in Richtung Load (Entnahme gemessen). Also ist dein Bild für die Verkabelung falsch. :D

Bei den anderen Werten die du unten im Display siehst werde ich gleich noch einmal nachschauen.


Viele


TeXas


Hi Texas, soweit verstanden. Da ich den Verbrauch und nicht die Ladeleistung messen möchte sollte die Richtung stimmen, ich bekomme bei Entnahme ja auch alle Werte korrekt angezeigt. Ich war der Meinung, das das Teil in beide Richtungen zählt und auch die geladenen AH anzeigt. Ist aber nicht so schlimm....

Trotzdem Danke für deine Hilfe.

TeXas am 08 Jan 2015 12:00:09

marc1965 hat geschrieben:Ich war der Meinung, das das Teil in beide Richtungen zählt und auch die geladenen AH anzeigt. Ist aber nicht so schlimm....


Hallo Marc,

tja, wie heisst es so schön man kann nicht alles haben :D, das geht natürlich mit nem richtigen Batteriecomputer viel besser, das war aber nicht mein Ansatz.

Mir ging es lediglich darum, meinen Stromverbrauch Gesamt zu ermitteln, um zu wissen, ob sich für mein Reiseverhalten eine zusätzlich Batterie lohnt.

Dafür wollte ich eben keinen teueren BC kaufen, lieber hätte ich das ersparte Geld für eine weitere Optima ausgegeben. :D Aber selbst das konnte ich sparen. :tanz:


Viele


TeXas

Gast am 09 Jan 2015 02:49:27

Hi feuerring,
im Lieferumfang ist ein 1mOhm Präzizionsshunt dabei. ...
Dazu muss man alle 3 Tasten drücken und dann die Spannung anlegen, es erscheint ein Menü in dem sich Strom und Spannung eichen lassen.
Dort wird auch die Kapazität des Akkus eingetragen.
Uwe


Danke Uwe
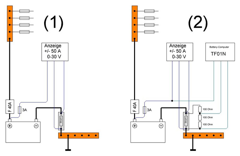
für die Infos, der bereits verbaute Shunt für meine ( V / A ) Anzeige hat 1,5mOhm.
Über einen Spannungsteiler kann ich den gemessenen Wert aber an den TF01N anpassen, siehe Zeichnung.



(1) Ist-Zusatand
(2) mit angeschlossenem TF01N

Die Anpassung über einen Spannungsteiler ist von Nöten, da der TF01N nur eine Korrektur von +/- 10 % zulässt

Gast am 31 Jan 2015 19:11:20

Habe mir nun so einen TF01N aus China kommen lassen.

Das Teil ist super ... im Standby nimmt dieser 3,5 mA.

Fließt Strom in die Batt (laden) blinkt die Hintergrundbeleuchtung, wird Strom entnommen leuchtet diese durchgehend.

Ist ein reiner Stromzähler geht von einer Batt mit 100% Wirkungsgrad aus.
Das mit dem Spannungsteiler funktioniert auch prima, will den noch so machen das beim laden ein geringerer Strom angezeigt wird als beim entladen
um so den Wirkungsgrad eines Blei-Akku (60-70%) zu kompensieren ...

sch8mid am 01 Feb 2015 08:23:07

Kleine dumme Verständnisfrage (Nichtelektriker)
Ich hab noch nie so ein kleines Messgerät gehabt und würd es mir gerne anschaffen
Wenn ich mit diesem Gerät einfach den Solarstrom , der von meinem Panel kommt messen will ,
dann trenn ich die vom Panel kommende Leitung des Solarkabels auf und schliess die an Source an , und die weitergehende
Leitung von Load geht an den Solar-Ladereglereingang ?
Oder schliess ich das Gerät zwischen den Solarladereglerausgang zum Akku an ?

Nette
armin

Gast am 01 Feb 2015 10:49:35

Hallo Feuerring,

Deine Spannungsteiler werden durch den Innenwiderstand des Messeingangs beeinflusst. Weißt du, wie hoch dieser ist?

Liebe ,Alf

TeXas am 01 Feb 2015 11:06:59

sch8mid hat geschrieben:Oder schliess ich das Gerät zwischen den Solarladereglerausgang zum Akku an


Hallo Armin, ganz einfach :D.

Du möchtest doch wissen, wie viel Ampere von deinem Regler in die Batterie geladen werden. Also schliesst du den Solarreglerausgang an Source und den Ausgang (Load) an die Batterie.


Schönen Sonntag und viel Spass damit


TeXas

Gast am 01 Feb 2015 15:04:25

Deine Spannungsteiler werden durch den Innenwiderstand des Messeingangs beeinflusst. Weißt du, wie hoch dieser ist?


30 kOhm ... kann man also vernachlässigen

Wenn ich mit diesem Gerät einfach den Solarstrom , der von meinem Panel kommt messen will


Der TF01N ist ein BC und der Shunt gehört direkt an der Batt.

Der eingangs beschriebene Watt-Meter ist für die Solaranlage bestens geeignet, das dieser auch nur in eine Richt misst.

a.miertsch am 01 Feb 2015 20:59:50

Jau, deshalb habe ich meinen Watt-Meter mit Steckanschlüssen versehen, damit ich neben dem Verbrauch, auch den Zulauf über Solar ablesen kann. Verbrauch funzt, aber beim Solar hapert es. Scheint so, als ob es wirklich Winter wird, kein einziger Sonnenstrahl zu erhaschen. :lach: :lach:
War ne prima Idee von Texas, Danke!
Albert

Gast am 02 Feb 2015 02:27:48

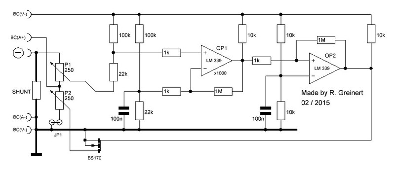
Hier ein Entwurf der angekündigten Schaltung zur Strom Absenkung (Anzeige) beim laden,
um den Batterie-Computer TF01N an den Wirkungsgrad von Blei-Akkus anzupassen.



Verwendet man einen Shunt =1 mOhm muss man JP1 öffnen und P1 auf Mitte drehen, mit P2 kann dann die Absenkung beim Laden eingestellt werden.

Verwendet man einen Shunt > 1 mOhm muss JP1 gebrückt werden, mit P1 stellt man den angezeigten Entlade-Strom ein,

mit P2 kann dann die Absenkung beim Laden eingestellen.


Die Schaltung ist noch ein Entwurf ! ... ungetestet ...

abenn am 18 Mär 2015 12:23:24

Wie weit ist dein Test denn?
Hab mir un auch mal den TF01N besorgt, leider ist kein Anschlussplan oder Datenblatt dabei!
Der bei eBay abgebildete ist nicht wirklich verständlich!

Link zum eBay Artikel

Wäre an weiteren Infos und/oder Hilfe interessiert!

Danke und
Alf


uk1408 am 18 Mär 2015 13:43:08

Hallo,

so aus dem Kopf und nach dem Bild:

Der "mittlere" schwarze Draht wird mit dem "unteren" Schwarzen verbunden.
Der rechte Anschluss vom Shunt wird kurz und kräftig mit Minus Aufbaubatterie verbunden,
der linke Anschluss - neben dem Roten - kurz und kräftig auf Masse (dort wo bisher die Batterie hin ging).
Der obere rote am Instrument geht an Plus Aufbau - am besten einen "geschalteten" Plus damit es nicht immer und ewig Strom verbraucht.

Wenn die Möglichkeit hast nimm eine (kräftige) Batterie/Akku und ein kleines Halogenbirnchen und probiere es einfach mal aus. Nur darauf achten dass Du den oberen Plus und Minus-Anschluss nicht vertauscht - und nicht mit einem Trafo (Wechselspannung) versuchen, nur Gleichspannung. Wenn den Shunt falsch herum anschliesst passiert erst mal nichts, dann ist nur die Lade/Entladeanzeige vertauscht.



Viel Erfolg

abenn am 18 Mär 2015 16:44:25

Danke erstmal,
ich werde dann mal in meinen Bastelkeller entschwinden, mit Feuerlöscher! :roll: :D
:smilingplanet:

Im Netz haben ich noch eine erweiterte ganz brauchbare Beschreibung gefunden:
--> Link

Danke und
Alf

uk1408 am 18 Mär 2015 18:21:48

Hallo,

nimm doch statt dem Feuerlöscher noch ein Messgerät mit und schau mal was tatsächlich an Strom und Spannung anliegt. Wenn es nicht stimmt gibt es eine Möglichkeit das Teil entsprechend einzustellen dass es dann auch stimmt.

abenn am 18 Mär 2015 20:08:43

Das sollte ich als IT-Administrator mit Elektriker Ausbildung wohl hinbekommen. :lach: :ja:
Ärgerlich ist, das ich jetztt das Teil mit 100A Shunt gefunden habe! :cry: :evil:

Werde berichten.


Alf

uk1408 am 18 Mär 2015 21:07:19

... du hast eine PN ...

Anzeige

  • Die neuesten 10 Themen
  •  
  • Die neuesten 10 Reiseberichte
  • Die neuesten 10 Stellplätze

Büttner LB 45 Fernanzeige ohne Funktion
unerklärlicher Spannungseinbruch der Aufbaubatterien
Alle Rechte vorbehalten ©2003 - 2026 AGB - Datenschutzerklaerung - Kontakt