xcamping
motorradtraeger
hallo
Links zu ebay oder Amazon sind Werbelinks. Wenn Sie auf der Zielseite etwas kaufen, bekommen wir vom betreffenden Anbieter Provision. Es entstehen für Sie keine Nachteile beim Kauf oder Preis.

Umrüstung auf LiFeYPO4 1 ... 16, 17, 18, 19, 20, 21, 22 ... 42


gordan am 14 Dez 2013 16:59:19

Hallo, Bernhard!

Ja, ist schon klar! Ich hätte selber auch drauf kommen können?! Direkt kann ich dir leider nicht helfen!
Vielleicht ist bei dir eine Zelle kaputt!? Das interessiert mich auch sehr, wie und warum!?
Könntest du vielleicht nur die Zelle testen, um zu sehen wie die sich im Alleingang ohne Elektronik verhält!?
Was Zusammenschluß mit Starter Batterie betrifft sehe ich persönlich kein Problem außer Gefahr dass Starter
Batterie tief entladen wird.
Bei mir grade beim Entladen, läuft alles sehr Synchron und gibt es gar keine Spannungsunterschiede.
Beim laden kann aber vorkommen, dass es eine Spannungsdifferenz von Maximum 0,01V gibt und nicht mehr.
Zellen werden geladen mit 240W Solaranlage und Waeco IU2512 Ladegerät, wo Erhaltungsladung in beiden Fällen
bis unter 1A absinkt. Was Ladung bei tiefen Temperaturen habe ich kein Problem. Wenn die Zellen z.B.
nur etwa 10% entladen sind lädt Waeco IU2512 die trotzdem mit voller Kraft.
Aber, aber, Ladung durch die LiMa ist auf keinen Fall ausreichend!? Darum habe ich bestellt einen Sterling
Lichmaschinen-Hochleistungseregler „Pro Reg B“. Die Versprechen ziemlich viel!
Bin sehr gespannt in wie weit sich damit was ändern wird!?
Beobachtet wird alles mit Batteriemonitor BM-1 und die Zellenspannungen werden separat dauernd gemessen.
Sonst bin ich mit Anlage mehr als zufrieden.

Gordan :hallo:

Anzeige vom Forum

Hier findest Du vielleicht schon, was Du suchst: Artikel auf eBay oder versuchs hier bei Amazon

lisunenergy am 15 Dez 2013 16:17:03

bfwilli hat geschrieben:Danke sonnentau
LiPro1-3 LiFePo4 erfüllen den gleichen Zweck und mehr?


Ja es sind die gleichen mit mehr Balancerstrom für größere Zellen. Macht Sinn über 400 Ah. Wichtig ist nur,das da auch viel mehr Wärme entsteht,die abgeleitet werden muß.

Ich habe dafür eine neue Adapterschraube mit Kühlkörper entworfen. Wird es bei Faktor geben.

Scudo205 am 23 Dez 2013 16:12:27

gordan hat geschrieben:Ich weiß nicht wieviel
AH Kapazität jeder zu Verfügung hat, aber mit meinen LiFeYPO4 400AHA in so einem Fall, werde ich meine Webasto Air Top 2000 sorgen los nachlaufen lassen.


Bei mir baue ich gerade 100AHA Zellen ein. Ich werde die benötigte Kapazität für den Nachlauf mal ausrechnen. Vermutlich hast du recht und die Reserve reicht locker aus, dann muss ich mir keine weiteren Gedanken machen und kann die Standheizung in einem UVP Fall einfach runterfahren.

Für die Abschaltung des Trennrelais von der Lichtmaschine habe ich eine relativ einfache MOSFET Schaltung als Lowside-Switch entworfen.

Anzeige vom Forum


hachede am 08 Jan 2014 13:17:34

Hallo ich bin hier der Neue mit dem ersten post.

Ich komme aus dem Norden und bin schon einige Jahre Wohnmobilist. Ich verfolge dieses Thema schon eine geraume Zeit.

Hier meine Frage an die Experten,

Die Umrüstung auf LiFeYPO4 ist ja machbar. Aber wie ist es mit der für die Bleibatterien ausgelegten Batterieüberwachung. Bei mir gibt es bei 11,3 V eine akustische Warnung und bei 10,8V schaltet die Elektrik ab.
Meine Ladegeräte laden bis 14,4 V.

Für die LiFeYPO4 Batterien bedeutet das sie nicht voll geladen und nicht bis zu 80% entladen werden können.
Für die Batterien ist es für die Lebenserwartung gut.
Aber die abzunehmende Leistung reduziert sich meine Meinung nach auf das gleiche Niveau der Bleibatterie.
Der Vorteil der Gewichtseinsparung und der schnelleren Aufladung wir dadurch doch teuer erkauft?
Gibt es Lösungen um den Wirkungsgrad bei dieser Konstellation bei LiFeYPO4 Batterien zu erhöhen.
Wie kann verhindert werden das die Batterieunterspannungseinrichtung anspricht.
Auf dem Bedienpaneel wird auch die Wasserpumpe geschaltet, Batterieanzeige, Tankanzeige und Kapazitätsanzeige.
Ein Austausch scheint mir unmöglich.

Ich bin neugierig auf die Antworten der Profis.

hachede

mv4 am 08 Jan 2014 13:23:35

lese dir nochmal alles über diese Batterien durch. Dann wirst du merken das du da völlig daneben liegst. sowohl mit der Ladespannung...wie auch mit der Abschaltspannung.

joekel am 08 Jan 2014 22:04:34

80 % bei 14,4 Volt ? also bei 3,5 Volt per Zelle bzw. 14 Volt sind die Akkus ca zu 97 % geladen.....

mfg Hotte

hachede am 09 Jan 2014 12:01:19

Ich möchte mich für die schnellen und teilweise hilfreichen Antworten bedanken.
In einem solchen Forum muß man sich wohlfühlen.

Ich bin inzwischen schlauer geworden.
Diese Erkenntnisse verdanke ich aber nicht diesem Forum.
Mein laienhafter Kenntnisstand ist folgender.

Bleibatterie hat bildlich gesprochen eine Entladekurve welche leicht bis stark sinkend ist. 14,4 Volt Batterie istvoll, die volle Kapazität steht zur Verfügung. Bei laufender Entladung nimmt die Voltzahl und AH Leistung ab. Bei 11,V ist kaum noch Kapazität vorhanden. Es sollten aber nicht mehr wie 50% der Gesamtkapazität entnommen werden.
Bei einer Batterie von 200Ah wären das 100Ah.

Lifepo4 Batterie hat eine leicht sinkende fast wagerechte Entladekurve.
14,4 Volt Batterie fast voll (ganz voll bei 14,6 Volt). Spannung sinkt auf 12,8 Volt und es stehen bis kurz vor Ende der Kapazität volle Leistung zur Verfügung. Am Ende bricht die Leistung stark ein.
Um die Batterie zu schonen sollten nur 80% der Leistung entnommen werden.
Bei einer Batterie von 200Ah also 160Ah.

Das Bedeutet für meine obige Fragestellung : Keine Probleme, die Warnung bei 11,3 Volt wird bei nur 80% Entladung der Lifepo4 Batterie nie erreicht werden.
Wenn die Batterie doch stärker entladen wird kommt sie zum tragen. Bei 11Volt sollte das BMS der Batterie, diese abschalten.

Ich hoffe das diese Erkenntnis im groben richtig ist.

mfg hachede

Es war doch gar nicht so schwer.

Das Leben kann so schön sein

Dan-Hu am 10 Jan 2014 15:27:57

hachede hat geschrieben:Wenn die Batterie doch stärker entladen wird kommt sie zum tragen. Bei 11Volt sollte das BMS der Batterie, diese abschalten.

Ich hoffe das diese Erkenntnis im groben richtig ist.


Fast: Da bei den LiFeYPO4 nicht die Gesamtspannung sonder die jeder Zelle einzeln gemessen wird, kann die Abschaltung auch schon dann erfolgen, wenn eine einzelne Zelle einbrechen sollte.

hachede am 10 Jan 2014 17:06:07

Ja, das ist richtig, aber wenn man zu ausführlich beschreibt, geht die Übersicht bei diesem Thema leicht verloren.
Deshalb ja auch der Hinweis "im groben".

hachede

mv4 am 10 Jan 2014 17:25:05

grob ist es so richtig...diesen Erkentnisstand hättest du aber auch genau in diesen Tröt finden können...es ist zwar etwas mühselig alle Seiten zu lesen...manchmal auch verwirrend..aber trotzdem zielführend. Du sieht also das du eigentlich gar nicht so viel umbauen musst.

hachede am 10 Jan 2014 18:35:22

Einen Tröt mit 55 Seiten kann man ganz schnell als Unwissender durcharbeiten.
Selbst die Suchfunktion hat mir nicht helfen können.
Ich denke wenn einer eine überschaubare Frage stellt ist es für Experten doch ein leichtes eine einfache und für einen Laien verständliche Antwort zu geben.
Wenn ich in einer fremden Stadt ohne Navi bin und Einheimische nach dem Weg frage ist es doch so das mir geholfen wird. Ich glaube nicht das dann ein Hinweis kommt "kauf Dir doch einen Stadplan oder ein Navi"

Nichts für ungut!

Ich traue mich noch eine Frage zu stellen.
Lifep04 Batterie: Bezeichnung der Kapazität 1C 180Ah gleiche Batterie bei 0,2C 200Ah
Nach meinem Verstandnis 1C=180A; C 0,2=36A das heiß Bastung mit 180A= Entnahme180Ah; Belastung mit 36A= Entnahme200Ah;
Welcher Wert ist einem Batterimonitor eizustellen, der eine C20 Wert Angabe von Bleibatterien fordert.
Bitte keine Antworten wie "Schätzeisen" oder ahnliches.
Ich möchte das für mein Verständnis wissen, wie man sowas berechnet.
Ich hoffe das der Laie sich verständlich ausgerückt hat.

hachede

gordan am 10 Jan 2014 19:06:55

Mein lieber „hachede“!

Deine Arroganz und Überheblichkeit ist nicht zu übersehen! Nur die Peitsche hast du noch nicht raus geholt!
Es werde mich nicht wundern wenn du demnächst wirklich ein Stadtplan in fremden Stadt brauchen wurdest.

Gordan :hallo:

uwet am 10 Jan 2014 19:43:46

hachede hat geschrieben:Lifep04 Batterie: Bezeichnung der Kapazität 1C 180Ah gleiche Batterie bei 0,2C 200Ah Nach meinem Verstandnis 1C=180A; C 0,2=36A das heiß Bastung mit 180A= Entnahme180Ah; Belastung mit 36A= Entnahme200Ah;
Welcher Wert ist einem Batterimonitor eizustellen, der eine C20 Wert Angabe von Bleibatterien fordert.
hachede

Die C20- Angabe die Du meinst wird die Kapazität der Batterie, in Deinem Fall 200Ah sein. Als Wirkungsgrad solltest Du 94% und als Peukertfaktor 1,15 einstellen. Die automatische Synchronisation des Batterie-voll-Zustandes ist abhängig vom Ladegerät. 100% wären 14,8V, da aber zwischen 13,8V und 14,8V Ladeendspannung nur ca. 10% Ladung liegen bist Du hier ziemlich flexibel. Stell die Spannung ein die das Ladegerät maximal bringt. Der Rauschfaktor oder wie auch immer der Strom genannt wird unter dem keine Messung erfolgt sollte Null sein. Hat Dein Batteriecomputer einige dieser Einstellungen nicht wird die Anzeige der Restkapazität halt etwas ungenauer.

Uwe

biauwe am 10 Jan 2014 21:00:59

uwet hat geschrieben:100% wären 14,8V, da aber zwischen 13,8V und 14,8V Ladeendspannung nur ca. 10% Ladung liegen bist Du hier ziemlich flexibel.
Uwe


Hallo Uwe (t),

genau aus diesen Grund habe ich heute 4x 60A LiFeYPo4-Akkus bestellt.
Die Solaranlage macht im Winter mehr Strom, als die Gel-Akkus in der kurzen Zeit speichen können.
Die 4x 60A LiFeYPo4-Akkus sollen als "Pumpspeicherkraftwerk" arbeiten.
Anschließend kann der Strom in die Gel-Akkus fließen.

Diese Lösung soll mein Start in die Lipowelt sein :)

PS.: Auch boosten auf Kurzstrecken kann ich dann. Alles ohne Booster.

gespeert am 10 Jan 2014 21:25:47

Das ist unnötig, ein Umladen in die schlechtere Batterie.
Hole Dir gleich nen richtigen Block!!

aett Sonnentau, welche Crydom genau sind empfehlenswert?? Ich muß sowieso wegen einem anderen Projekt bei RS bestellen (evtl. kann man so ne größere Ladung kombinieren und Versandkosten sparen.)

biauwe am 10 Jan 2014 21:38:07

gespeert hat geschrieben:Das ist unnötig, ein Umladen in die schlechtere Batterie.
Hole Dir gleich nen richtigen Block!!


Ich weiß.
Aber der erste Schritt.
Und ich brauche die Li- Akku im Sommer in Island, in unserem 4x4 Auto, als zusätzliche Spannungsquelle.

hachede am 10 Jan 2014 23:39:42

Hallo Uwet,

Vielen Dank für deine Antwort. Mein Batteriecomputer ist ein älters Gerät von Votronic. Dort kann man nur die max . Kapazität einstellen. Die Berechnung erledigt der Computer.
So wie ich das verstanden habe erhöht sich, bei einer Lifepo4 C1 180 Ah, die zu entnehmenden Ah mit geringerem Entladestrom.
C1 180 Ah mit 180A kann 180AH entnehmen. C0,2 180Ah sind bei 36A(C0,2) 200Ah entnehmbar. Bei einer Entladung die dem Wert von C20 180Ah entspricht, sind wieviel Ah entnehmbar?
Vielleicht ist es jetz besser zum Ausdruck gekommen was ich gerne wissen möchte.

Es ist nicht immer einfach, in einer Materie die man nicht kennt, sich klar auszudrücken.


hachede

uwet am 11 Jan 2014 11:59:33

Guten Morgen,
eigentlich ist es egal ob Du 180 oder 200Ah einstellst. Ich würde die 180 nehmen, da ist man beim Entladen auf der sicheren Seite. Da du aber sicher keinen Verbraucher hast der 180A zieht wird die Batterie dann wohl 200Ah leisten können.
Ich kenne Dein Verbrauchsverhalten nicht, Wechselrichter ?, LED-Lampen ?, Truma modern oder alt ?, TV ?.....
Votronik-BC berücksichtigen erst Ströme > 0,1A und lösen auch nur in diesen Schritten auf. Machst Du also eine einzelne LED-Lampe(80-90mA) über dem Tisch an merkt der BC das gar nicht und berechnet keine Entladung. Auch die modernen Truma-Heizungen nehmen im Teillastbetrieb und beim Wassererhitzen so wenig Strom das der BC da falsch rechnen wird. 100%tig genau wird das nie werden.

Uwe

Gast am 11 Jan 2014 13:49:24

JETZT DMAX

Scheinbar ein Bericht über LiFeYPO Zellen und Batterie-Management

Sachen gibts :lach:

meiland am 13 Jan 2014 15:30:15

Hallo uwet,
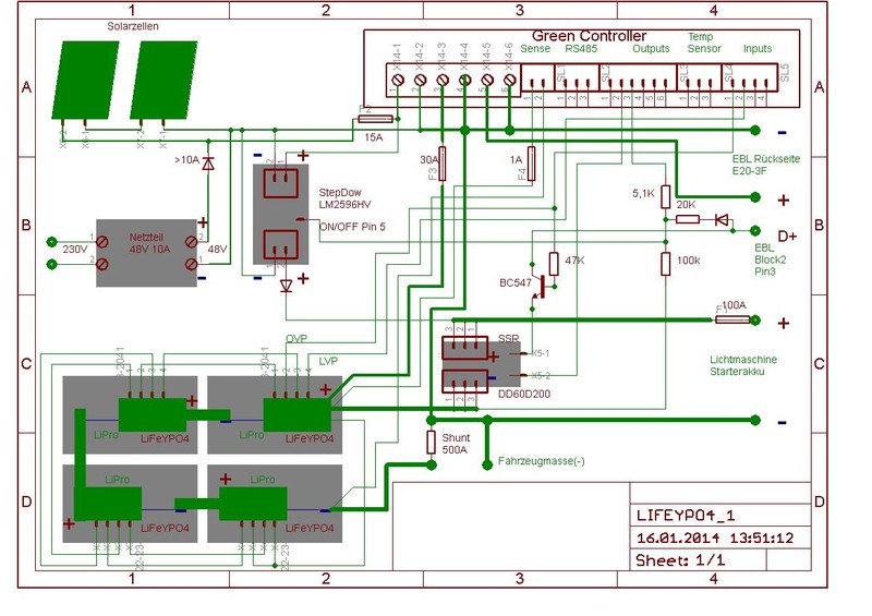
Du schreibst zur Ladung Deiner LiFeYPO4 über den greenController u.a.: ... Lima und Landstrom über Dioden parallel zur Solarzelle...
Solarzellen in Reihe geschaltet, Lima und Landstrom auf 48V gewandelt...
Dazu meine Fragen: Es ist ja normal das Lima und Solarzelle oder Netzteil und Solarzelle gleichzeitig Spannung liefern. Wie wird geregelt, welche der 3 Spannungsquellen aktiv ist ?
Alle 3 Eingänge müssen über Dioden angeschlossen werden, welche ?

Frank

uwet am 13 Jan 2014 19:35:29

Hallo Frank,
ich habe 2 Solarzellen in Reihe und davon 3 Paare parallel. Das ergibt eine Leerlaufspannung von bis zu 48V, die anderen Spannungsquellen sollten also ebenfalls diese Spannung haben damit das MPPT des Controllers sie auch zeitnah findet. Bei nur parallel geschalteten Zellen reichen auch 24V. Aktiv können alle Quellen sein der Solarcontroller findet selbst das Maximum aus Strom und Spannung, begrenzt aber den Ladestrom auf den eingestellten Wert(max. 30A). Als Dioden habe ich welche aus defekten Computernetzteilen genommen. Sie sollten natürlich den Strom abkönnen der da fließt, bei 48V 10A bei 24V 20A, ein kleiner Kühlkörper kann nicht schaden.
Wenn Lima und Aufbaubatterie nicht zu weit entfernt sind kann man auf den 12V zu 48V Wandler verzichten und ein SSR nehmen was man ebenfalls über den greencontroller ansteuert. Dann sind jedenfalls bei LiFeYPO4 Ladeströme >30A möglich.
Die derzeit billigsten Wandler sind diese Link zum eBay Artikel
bei meiner jetzigen Lösung mit SSR habe ich dieses Link zum eBay Artikel
verwendet.

Uwe

uwet am 13 Jan 2014 20:09:12

Das ist zwar eine alte Schaltung sie zeigt aber was Du machen willst.


Uwe

liopleuredon am 13 Jan 2014 21:05:01

Hallo

Uwe,also der greencontroller kan nog ein oder merhere SSR oder normale relais steuern ?? zum abschalten von ladequellen ?
wen das signal wegfalt von die LIPRO 1-1 oder 1-3 ??
Das war mir nicht so klar.

Danke im voraus.
Meine mutersprache ist Flamisch (Belgiën)

Mfg
Eric

KaeptnBlaubaer am 15 Jan 2014 20:01:07

So, jetzt habe ich mich acht Stunden sorgfältig (OK - die Ergüsse über die Akkus im Dreamliner hab ich bloß überflogen… ;-)) durch diesen Thread gearbeitet und bin um einiges schlauer.

Ich habe meine Erkenntnisse aus dem heutigen Studium für mich zusammengefasst und werde im Folgenden auch Beiträge aus diesem Thread zitieren. Dies tue ich ohne Quellenangabe und hoffe, dass die Autoren damit einverstanden sind.
Ich bitte die Experten, Fehler in meiner Zusammenfassung zu kommentieren und Fragen zu beantworten:

Die Umrüstung auf LiFePO4-Technik für den Aufbau mit Komponenten aus sonnentaus und superduty's Erfahrungen resp Entwicklungen erscheint mir gut und sinnvoll - eine ungebalancte 40 oder 60Ah-Lösung als Ersatz für die Starterbatterie auch. Komplettlösungen sind wohl zu wenig durchsichtig in der Technik und trotz des hohen Preises nicht 'besser' als eine 'sonnentau-Lösung'.
Wenn ich in diesem Sinn einen Ersatz meiner Aufbaubatterie durch LiFePO4 anstrebe, brauche ich folgende Teile:

• 4 Einzelzellen von Winston
• 3 Zellverbinder
• 4 Adapterschrauben
• 4 LiPro1-1 Balancer (die sollten zum Schutz vor Kondensfeuchtigkeitsproblemen versiegelt (sprich lackiert, vergossen oder mit Kontakt 70-Spray behandelt werden)). Um den Akku über Winter im Fahrzeug lassen zu können, sollte man in die Minusleitungen kleine Schalter montieren um den Stromverbrauch der Balancer abzuschalten - die Selbstentladung der Akkus liegt unter 2%. Wäre es hier nicht sinnvoll, einen vierpoligen Ausschalter zu montieren?
• 1 SSR-Converter und für jede Ladequelle ein Halbleiterrelais (SSR), wobei hier mal ein Trennmosfet als besser empfohlen wurde (gilt das nach 'Erfindung' des SSR-Converters nicht mehr?) für OVP
• 1 TSA 265+ für LVP. (Hier gibt es die Aussage: Der TSA 265 ist sehr praktisch wenn man die Verbraucher nicht selektieren will. Hat man einen Wechselrichter mit Fernbedienungseingang reichen 2 SSR Relais. Das eine für den Wechselrichter könnte ein 10 A sein und für die restlichen DC Verbraucher das zweite. Dort muss man schauen wie hoch alle DC Verbraucher sind. Für das TSA benötigt man auch ein kleines. Es gibt jetzt auch ein TSA mit Grundplatte und SSR. Gilt das noch? Muss es hier die Version mit eigenem kleinen SSR sein?)
• 1 Victron BMV 600 Batteriewächter, dieser ist wie folgt einzustellen: Akkugröße z.b.200 Ah, Peukert auf 1, nach Vollladung mit Abgleichtaste Wert auf 100% setzen. Dann funktioniert die Angabe über die Restkapazität sehr genau.

Als einen Vorteil der LiFePO4-Version habe ich verstanden, dass ich hier kurzzeitig hohe Ströme abnehmen kann. Dies ist für mich eins der wichtigen Argumente, da ich morgens meine Kapselmaschine über einen 2kW-Konverter laufen lasse. Diese Nutzung ist in meinem Fall vermutlich auch die Stellgröße für die Kapazitätsauslegung: müssen es da 400 Ah sein oder tun es auch weniger?

Ich habe eine Umschaltstation US-12N für 230V Landstrom zum Wechselrichter eingebaut. Hat das irgendeine Relevanz?

Ich habe noch kein Solarsystem installiert. Einige Argumente sprechen für mich für die Nutzung eines Solarkoffers. Kann ich diesen mit der mitgelieferten Laderegelung verwenden oder muss ich hier einen Laderegler wie den empfohlenen Link zum eBay Artikel oder greenController verwenden? Muss hier dann ein Anschluss erstellt werden, der durch ein SSR unterbrochen werden kann?

Ich habe es so verstanden, dass die LiFePO4-Akkus hohen Ladestrom verwerten können, daher denke ich über den Einbau eines Ladeboosters nach, um evtl in kurzer Zeit eine Ladung über die LiMa vornehmen zu können. Liege ich da richtig und ist der Einbau eines Ladeboosters nur für diesen Zweck sinnvoll?
Ich habe einen EBL 99G von Schachner verbaut. Hier ist das 230V-Ladegerät integriert. Die Posts zu diesem Problem verliefen leider im Sande. Wo und wie schließe ich hier das SSR zur Abschaltung der Ladung via 230V an?

Ich habe meine aktuelle Aufbaubatterie über ein 50 qmm Kabel und einen 275A-Trennschalter mit der Starterbatterie verbunden, um im Notfall mittels Aufbaubatterie das Fahrzeug anlassen zu können. Hat das irgendeine Relevanz?

Wie trenne ich bei meinem Fahrzeug (Fiat Ducato 244 2.3 JTD) via SSR die Ladung durch die LiMa? Wo finde ich hier D+?

uwet am 16 Jan 2014 15:12:56

liopleuredon hat geschrieben:Hallo
Uwe,also der greencontroller kan nog ein oder merhere SSR oder normale relais steuern ?? zum abschalten von ladequellen ?
wen das signal wegfalt von die LIPRO 1-1 oder 1-3 ??.........
Danke im voraus.
Meine mutersprache ist Flamisch (Belgiën)
Mfg
Eric


Hallo Eric,
diese Schaltung hatte ich 5 Monate im Einsatz. Der BC547 verknüpft D+ und OVP für das SSR um die Ladung der Batterie bei laufender Lima anzusteuern. Out1 des GreenControllers schaltet das SSR ab wenn eine vorgegebene Spannung am Aufbauakku erreicht ist. Out2 schaltet den Ladewandler für die Starterbatterie bei einer einstellbaren Spannung der Solarpaneele zu.

Uwe

lisunenergy am 16 Jan 2014 18:38:37

Hallo KaeptnBlaubaer,

meine Idee war eigendlich ,das alles auch mit der vorhandenen Technik funkltioniert.Selbst ein einfacher Solarladeregler funktioniert ohne Probleme.
Die Balancer sind jetzt lackiert.Auch für das Tsa 265 benötigt man ein kleines SSR zur Ansteuerung.Kommt bald als fertiges Modul.Der SSR Converter ist ein Produkt welches auf die billigen SSR eingestellt wurde ,damit diese bei kleiner Ansteuerung laufen(Ich hatte nämlich Probleme ohne diesem Converter das die SSR nicht sauber durchgeschalten hatten) Ohne Converter verbrauchen diese einfach zu viel Strom.Ein weiterer Vorteil ist,das alles in einem Gerät ist,was die Verkabelung und die Fehlerfindung erheblich verbessert.(Der Erlös des SSR Converter kommt zu 100 % einem Kindergarten zugute,der von mir eine komplette Solaranlage gesponsert bekommen hat)

biauwe am 16 Jan 2014 23:55:58

Der erste Schritt in die LiFeYPO4-Welt ist getan:


lisunenergy am 17 Jan 2014 07:15:06

Ja ,die guten alten Ev-Power Module mit den bei mir alles begann. Vorsicht nur mit der Ladung ohne Abschaltmodul,da der kleine Balancerstrom sehr schnell überschritten werden kann. Auch zu bedenken ist,das es nur eine Abschaltmöglichkeit für Ladung und Entladung gibt.Bei Tiefentladung muß dann mittels Reset das System zurückgestellt werden!!
Viel Freude mit dem neuen Akku und denke daran: der Strom ist wirklich gelb :mrgreen:

KaeptnBlaubaer am 17 Jan 2014 10:13:42

sonnentau3 hat geschrieben:Auch für das Tsa 265 benötigt man ein kleines SSR zur Ansteuerung.Kommt bald als fertiges Modul.


Danke - dann warte ich auf jeden Fall darauf - alles aus einer Hand ohne zusätzliches Gebastel erscheint mir doch erstrebenswert ;-)Und Soalrseitig kann ich quasi machen, was ich will...
(Wobei - irgendwo in diesem Thread steht auch zu lesen:
Solar - das Gescheiteste: polykristalline Module und ein MPPT-Step-Down-Wandler in Kombination mit einem Solarmodul, dessen Nennspannung (z.B. 48 V) deutlich über der Batteriespannung liegt.)

Hat denn jemand eine Idee zu meiner EBL- und D+-Problematik?
Wie groß muss der Akku mindestens sein, um problemlos den hohen Strom einer Nespresso zu verkraften?

wowo68 am 17 Jan 2014 11:02:04

Guten Morgen,

ich werde bald meine LifeYPo4 Akkus kaufen. werde 4x400AH Zellen verbauen, da diese ja eine Stange kosten, bin ich auf der Suche nach einer günstigen Bezugsquelle
kennt jemand eine seriöse Bezugsquelle?


wowo

biauwe am 19 Jan 2014 17:43:22

sonnentau3 hat geschrieben:Ja ,die guten alten Ev-Power Module mit den bei mir alles begann. Vorsicht nur mit der Ladung ohne Abschaltmodul,da der kleine Balancerstrom sehr schnell überschritten werden kann.


Wie soll das gehen?
Bei welcher Stromstärke?
Die Ev-Power Module sind parallel zur Akkuzelle und schalten ab 3,6 V einen Teilstrom und vernichten ihn.
Die Zelle nimmt doch weiter Ladung auf! Nur weniger.

lisunenergy am 19 Jan 2014 18:10:27

Wenn der Ladestrom höher ist wie der Balancerstrom, steigt die Spannung an der Zelle an .Um das zu verhindern muß jeder Balancer durchgeschleift werden.Bei Dir sind die Bohrungen für die Kabelschuhe noch frei.Für Ev -Power benötigt man dann diese Auswerteeinheit --> Link

biauwe am 19 Jan 2014 19:09:16

sonnentau3 hat geschrieben:Wenn der Ladestrom höher ist wie der Balancerstrom, steigt die Spannung an der Zelle an....man dann diese Auswerteeinheit --> Link


Die Spannung bei mir kann > 4,0 V werden, wenn??? was passiert.
1. Die Akkus sehr unterschiedlich sind.
2. Ein Akku defekt ist usw.

Bei dem Preis für die Auswerteeinheit riskiere ich den Totalverlust der Akkus und kaufe mir neu.
Aber: Wie erreiche ich, das eine Zelle > 4,0 V hat, im Normalbetrieb?

lisunenergy am 20 Jan 2014 20:42:44

Hallo,

zu deinen Fragen: Der Balancer verbrät 800mA bei 3,65 Volt.(selbst gemessen)Wenn der Strom vom Laderegler mit 5 A läd bleiben mindestens 4 A übrig die auf die Zellen verteilt werden.Wenn also eine Zelle schon 3,65 Volt hat geht es sehr sehr schnell bis diese dadurch 4 Volt erreicht.Daher macht ein Balancer nur Sinn ,wenn dieser dem Laderegler sagt :Unterbruch Ladung für eine kurze Zeit.Das selbe passiert auch bei der Entladung von Zellen.

Du hast natürlich recht wenn man bei einem kleinem Akku Kosten Nutzen ins Verhältniss setzt.
Bei ev-Power ist noch das Problem, das das Balancerfenster sehr klein ist.

Ich wollte halt nur noch mal darauf hinweisen,damit niemand denkt das ginge bei großen Akkus auch ohne Probleme.

biauwe am 20 Jan 2014 21:20:12

sonnentau3 hat geschrieben:Wenn also eine Zelle schon 3,65 Volt hat geht es sehr sehr schnell bis diese dadurch 4 Volt erreicht.


Ich habe ein Solaranlage die bis zu 40 A leisten könnt. Warum soll ich Balancer verbauen, die 40 A vernichten könnten.
3,65 V mal 4 ist 14,6 V, eine Spannung die ich nicht ereichen werde. Jeder Lader regelt vorher runter.

Hier noch ein Problem was ich nicht so richtig erkenn.
Hier wurde das Starten des Motor als sehr kritisch gesehen, wenn D+ schaltet.
Ich habe heute die Daten mitgeloggt:


lisunenergy am 20 Jan 2014 21:29:52

Aber nicht pro Zelle.Es geht nicht um die gesamte Spannung,sondern um die einzelne Zellspannung! Ich habe vor 6 Wochen bei einem 90 Ah Block mit einem Ladegerät von 5 A und Abschaltspannung 14,6 Volt eine Zelle gehimmelt ,weil ich zu faul war bei der Erstaufladung die Lipros anzuschliesen .Das erstaunliche dabei war,das es sich eigendlich um einem selektierten Block handelte welcher eigendlich ohne Balancer auskommen sollte.Passiert mir nicht mehr !

biauwe am 20 Jan 2014 21:36:25

sonnentau3 hat geschrieben:Aber nicht pro Zelle.Es geht nicht um die gesamte Spannung,sondern um die einzelne Zellspannung!


Das hatte ich auch so verstanden.
Um in diesen Grenzbereich zu kommen, brauche ich aber auch ungünstige Umstände.
3 Zellen bei 3,2 V und eine > 4 V.

gordan am 20 Jan 2014 23:06:01

Die Ev-Power Module sehe ich als nicht mehr zeitgemäß! Durch nur eine Abschaltmöglichkeit,
erfühlen die aus meine Sicht, nicht alle Sicherheitsanforderungen was Zellen Schutz betrifft und
macht das ganze System bißchen kompliziert und Bedienung ziemlich aufwendig.
Mit meinen Zellen bin ich immer noch höchst zufrieden und weiterhin zeigt sich kein Bedürfnis
BMS einzusetzen, trotz dass ich Balancer und Abschaltschutz eingebaut habe.
Demnächst habe ich vor ein 60Ah Batterieblock (mit selektierten Zellen) als Starterbatterie einzubauen.
So ein Batterieblock werde besser passen zum Sterling Laderegler den ich noch einbauen möchte.
Wenn ich aber eure Berichte über Erfahrungen mit Batterieblocks lese, bin ich ziemlich verunsichert
ob das der richtige Entscheidung ist?!
Wenn Notwendigkeit besteht, für die erste Ladung Balancer einzusetzen, um sicher zu sein dass keine
Zelle kaputt geht, dann kann ich mir sofort ein Block aus vier Zellen mit Balancer zusammen bauen!
Ich stelle mir immer noch die Frage, ob ich wirklich, vielleicht Glück habe dass meine Zellen zufällig
vom Werk so ausgeglichen sind und laufen so parallel, dass es gar keine Spannungdifferenzen gibt.
Ich schaffe auf keine weise Zellen zu überladen und Zellenspannungen sind bis auf 0,01V gleich,
was ich auch als kleinen Fehler und Differenz bei Voltmeter-Justierung ansehen kann.
Vergleiche kann ich nicht ziehen das ich nur die vier Zellen habe. Bin gespannt auf eure Antworten!

Gordan :hallo:

rossifumi am 20 Jan 2014 23:25:33

gordan hat geschrieben:Demnächst habe ich vor ein 60Ah Batterieblock (mit selektierten Zellen) als Starterbatterie einzubauen.
So ein Batterieblock werde besser passen zum Sterling Laderegler den ich noch einbauen möchte.
Wenn ich aber eure Berichte über Erfahrungen mit Batterieblocks lese, bin ich ziemlich verunsichert
ob das der richtige Entscheidung ist?!

Ist zwar nicht allgemeingültig, aber bei den bei mir bzw bei Bekannten eingesetzten Batterieblocks (ca 8 ) gibt es nach 1 bis mehreren Jahren als Starter-Akku nichts negatives zu berichten.

Rossi

lisunenergy am 20 Jan 2014 23:32:43

Hallo gordan

wenn du die Balancer verbaut hast kann es sein das du gar nicht mitbekommst wenn dieser kurzzeitig aktiv wurde. Gerade die anfangsladung ist von großer Bedeutung. Bei Gerd konnte man das sehr gut beobachten denn dieser hatte ja die täglichen zellspannungen veröffentlicht und der balancer hat sehr oft eingegriffen. wenn also die zellspannungen so liegen das der Balancer nicht ausreicht wird an der vollsten zelle die Spannung sehr rasch ansteigen. Ob also die zellen sehr nah liegen wird vom lnnenwiederstand und ladungsvolumen abhängig sein.da ich ebend auch andere Akkus erlebt habe kommt nur die sichere in frage. gerade bei 400 ah ist das Risiko zu groß den Akku zu himmeln.

gesendet vom schmiertelephon

biauwe am 21 Jan 2014 09:05:45

Mit den Balancern und das Ladeende finde ich hier diesen Hinweis mal aussagekräftig: --> Link

uwet am 21 Jan 2014 09:15:35

biauwe hat geschrieben:Hier noch ein Problem was ich nicht so richtig erkenn.
Hier wurde das Starten des Motor als sehr kritisch gesehen, wenn D+ schaltet.
Ich habe heute die Daten mitgeloggt:


Hi,
ich hatte festgestellt das bis ca. 10s nach dem Motorstart(bei Ford und MB) die Limaspannung kleiner ist als die Spannung der Aufbaubatterie und das dieser Zustand auch nach längerer Fahrt auftreten kann(Spannungsabfall bis auf 13,7V). Da D+ schon da ist wenn der Anlasser dreht fließt der Strom in beiden Fällen von der Aufbaubatterie zurück in den Motor. Deshalb fließt z. B. auch bei vermeintlich voller Aufbaubatterie immer nach dem Motorstart Ladestrom. Leider ist dafür die Auflösung Deines Diagramms zu klein. Vielleicht verrätst Du uns noch welche Farbe was bedeutet. Bei einem mechanischen Trennrelais ist es egal in welche Richtung der Strom fließt, ich habe ein SSR dafür verbaut und mögliche Schäden vermutet.

Uwe

biauwe am 21 Jan 2014 18:57:51

Hier die Kurve mit großer Auflösung, Logs alle 0,5sek.



blau ist der Gesamtstrom

lisunenergy am 22 Jan 2014 18:48:22

Ob Strom zurückfließt oder nicht hängt ja nicht von der Akkutechnologie ab.Die Regelung des gesammten übernimmt ja immer noch der Laderegler.

LastradaNova am 22 Jan 2014 20:00:29

Hi an alle

ich verfolge das nun seit 57 ! Seiten. Mein Fazit bis heute....: noch nicht ausgereift ... manches funktioniert und man wundert sich etwas warum. Das drumherum um die Zellen ist noch nicht fertig.. Plug and play gibt es nicht wirklich (zu einem vernünftigen Preis)
Das die Technik große Schritte in diese Richtung macht ist unbesehen.. aber bis Preis und Funktionsumfang dort sind, wo wir Nutzer sie brauchen, wird es wohl noch 1-2 Jahre dauern.

Fazit vom mir.: weiter beobachten und wenn fertig, sich um die Anwendung kümmern. :idea: :ja: :ja:
Weiterhin frohes und erfolgreiches Schaffen :)

Jürgen

Anzeige

  • Die neuesten 10 Themen
  •  
  • Die neuesten 10 Reiseberichte
  • Die neuesten 10 Stellplätze

Neues BMS für Lifepo4
max. sinnvolle Kapazität bei LiFeYPO4/LiFePO4?;
Alle Rechte vorbehalten ©2003 - 2026 AGB - Datenschutzerklaerung - Kontakt