aqua
hubstuetzen
hallo
Links zu ebay oder Amazon sind Werbelinks. Wenn Sie auf der Zielseite etwas kaufen, bekommen wir vom betreffenden Anbieter Provision. Es entstehen für Sie keine Nachteile beim Kauf oder Preis.

Rapido Randonneur unter Strom - Projekt 12V Sanierung 1, 2, 3, 4


Gast am 10 Jan 2015 16:00:54

Hi, nach dem ich im Herbst meinem Laternenparker erst mal eine Solaranlage zur Erhaltungsladung verpasst habe, --> Link gehe ich an das eigentliche Projekt:

Komplette Sanierung und Aufwertung der 12V Bordelektrik.

Problemstellung:

Durch CPaP, Licht, Satelliten-TV, Laptop, Stereo-Anlage, Handy, Navi, undwasweisichnochwas wird die derzeit verbaute 125 Ah Batterie innerhalb einer Sommernacht leer-gesogen. Heitzen sprich stehen über Nacht im Winter ist ohne Netzanschluss nicht möglich, Nachladen durch Fahrbetrieb bringt nur bis zu 70% Batterie.

Die neue Anlage wird aus folgenden Komponenten bestehen:

- Solaranlage 200 bis 400 Wp monokristalin (200 Watt schon installiert)
- MPPT-Regler IUoU 250 W mit Solarcomputer Votronic (schon installiert)
- SOLAR SMF 280Ah (100h) Solarbatterie Winner Calcium/Calzium mit Option auf eine weitere Batterie, je nach Erfahrung damit
- 12V Hauptschalter mit Kurzschluss-Schutzschalter
- Sammelschienen für 0V (Masse) und 12 Volt Aufbau
- Neues IUoU-Ladegeraet-12V, 30A für Säure, Gel, AGM1, AGM2, Calcium
- IUoU- B2B Lader 45A für Säure, Gel, AGM1, AGM2, (kommt sowieso nie bis 15,5V)
- Batterie-Computer mit 100A shunt Votronic
- 2 Temp-Fühler für Solar und IUoU Ladegerät,
- Neuverkabelung Fahrzeugbatterie -B2B- Aufbaubatterie,
- Neuaufbau Verteiler 12 Volt
- Umbau der alten Steuerzentrale Scheiber
- mehrere DC/DC-Wandler für 12V LED-Beleuchtung
- mehrere DC/DC-Wandler für 5V USB-Versorgung
- Tausch TV gegen LED-Flat (schon provisorisch installiert)
- Umbau vorhandene Oyster-Sat auf HD-Signal
- Umbau des vorhandenen Blaupunkt Radio auf Bluetooth A2dp Eingang

usw.

Ausbau der alten Komponenten und verscheuern auf EBAY ...

Die Hauptkomponenten sind bestellt, die Einbauten werde ich nun Zug um Zug machen, je nachdem wie ich Zeit habe ... Ihr seid gerne willkommen Euch mit Rat zu beteiligen. :lol:

Liebe , Alf

Anzeige vom Forum

Hier findest Du vielleicht schon, was Du suchst: Artikel auf eBay oder versuchs hier bei Amazon

Gast am 10 Jan 2015 16:08:01

ohne Bilder ist so ein Bericht nur halb so interessant :roll:

pezibaer am 10 Jan 2015 16:08:12

KudlWackerl hat geschrieben:- Solaranlage 200 bis 400 Wp monokristalin (200 Watt schon installiert)
- MPPT-Regler IUoU 250 W mit Solarcomputer Votronic (schon installiert)


400WP geht nicht mit dem regler das sind > 30A Ladestrom am 12V System
Eigentlich sind die angegeben 250Wp max schon mutig, wenn hier max 15A angegeben wird .. weil das enstpricht > 20A Ladestrom im MPP .. bei einer empfohlenen 20A Absicherung.. ein Widersprruch in der Bedienungsanleitung

Anzeige vom Forum


Gast am 10 Jan 2015 16:12:33

pezibaer hat geschrieben:
400WP geht nicht mit dem regler das sind > 30A Ladestrom am 12V System


Ich mach das gängig.

Last Euch ruhig Zeit mit den Kommentaren bis es hier losgeht. :razz:

Liebe , Alf

pezibaer am 10 Jan 2015 16:15:16

KudlWackerl hat geschrieben:Ich mach das gängig.


Tjo dann wirst nicht lange Freude haben denn damit erhöhst die den Rippelstrom am Eingangskondensator wie du übersteigst die Spulenleistung und Sättingung im Syncronwandler=> folge deine Kondensatoren werden kaputt gehen und der Regler wird sehr heiß. Dreimal darfst raten warum der Hersteller 250Wp als max Leistung angibt und nicht 400 :) Für die genannte Leistung gibt es den MPP 420 Duo Digital. Leute die durch sowas ihre Regler kaputt machen sind echt bei uns im Forum keine Seltenheit :).. und wie gesagt wenn du glaubst du kannst mit der doppelten Ausgangsleistung drauffahren .. najo .. eh schon wissen :)
lg

Gast am 10 Jan 2015 16:18:27

feuerring hat geschrieben:ohne Bilder ist so ein Bericht nur halb so interessant :roll:



O.K.



Geht ja bald los, Herr Lehrer!

Liebe , Alf

pezibaer am 10 Jan 2015 16:30:46

prinzipiell zur Auslegeung wenn ich was sagen soll jetzt bis auf das ich mit deiner Batterie und nicht einverstanden bin kann ich wenig sagen weil ich deinen Effektiv verbrauch nicht kenn und auch nicht dein Ziel bezüglich Autharkität kenn, dafür wäre der PV Generator bezugnehmend auf die 125Ah verbrauch sowieso zu klein... Da hast auch mit der 280er Probleme das du nicht unter 50% kommst, was ja prinzipiel bei normalen Blei Batterie verboten ist

Gast am 10 Jan 2015 17:03:02

Mein Verbrauch ohne Heizung ist ca. 50 Ah je Abend. Davon 30 Ah CPaP.

pezibaer am 10 Jan 2015 17:06:28

KudlWackerl hat geschrieben:Mein Verbrauch ohne Heizung ist ca. 50 Ah je Abend. Davon 30 Ah CPaP.


Also CPaP sagt mir jetz nix, ist vermutlich bei euch ein gängiger Ausdruck. Kenn ich aus dem Pv bereich nicht. Ist das ein WR? :oops: . .. Und was wäre dein Ziel der PV Sache ? Einfach nur untertützend oder? Weil Autark geht sich damit halt nicht aus, nicht mal im Sommer..

Gast am 10 Jan 2015 17:11:46

Cpap googlest du. Irgendwie.

Ich bin ja geduldig, aber lies doch bitte mal den Eingangspost. Da steht eigentlich alles drinnen. Sobald ich anfange die Anlage einzubauen und hier Informationen einzustellen werde ich dann den Mod bitten alle sinnfreien Post zu löschen.

Liebe , Alf

pezibaer am 10 Jan 2015 17:19:03

KudlWackerl hat geschrieben:Cpap googlest du. Irgendwie.

Ich bin ja geduldig, aber lies doch bitte mal den Eingangspost. Da steht eigentlich alles drinnen. Sobald ich anfange die Anlage einzubauen und hier Informationen einzustellen werde ich dann den Mod bitten alle sinnfreien Post zu löschen.



Aha .. Na wennst keine Hilfe willst dann nicht . Du hast mich ja explizit gebeten das ich drüber schau..
Du schreibst nur das du nur beim fahren ladest montierst dir aber eine PV Anlage aufs dach, deswegen die Frage nach dem Zweck der PV, weil nur Erhaltungsladung 200 oder 400Wp am Dach eher ein bisserl viel meinst nicht .. da reicht ein 50er Panel .. bzw gscheiter weise hättest einfach eine AGM genommen die braucht nämlich überhaupt keine Ladeerhaltung über den Winter. bei einer SMF ist das natürlich was anderes, die braucht das zwingend :) .. nachdem ich dich wirklich nicht stören will wohl überholfen.. ich bin raus
Viel Spaß damit :)

Gast am 10 Jan 2015 17:46:42

Ich wollte dich nicht wegschimpfen lieber Petzibär.

Dir ging es ja eigentlich um den Rat bezüglich des Mppt. Oben über den Link findest du den Bericht dazu. Dort habe ich einiges geschrieben zur Verschaltung. Die bisherigen Erfahrungen zeigen, dass die 200 Wp durch die fehlende Ausrichtung zur Sonne max. 70 % Leistung bringen.

Falls bei 400 Wp Vollbestückung, Kälte und voller Sonne wirklich mal mehr als 300 Watt einstrahlen, der Mppt von Votronic begrenzt den Solarstrom. Und kann im Ausgang bis 300 Watt treiben.
Dann verschenke ich halt ein wenig. Wichtiger ist mir, bei miesem Wetter noch nachzuladen.

Liebe , Alf.

Gast am 10 Jan 2015 20:42:13

KudlWackerl hat geschrieben:
Worauf willst du hinweisen? Auf die Toilette oder auf das vbcs triple?

Ich-bins hat geschrieben:
Natürlich aufs Triple - du siehst auch im von dir verlinkten Fred meinen Namen
Das wäre ne Überlegung zu deiner Bestellung gewesen.

-

Wäre gewesen. Wenn nicht erst seit 3 Monaten hier im WoMo Bereich meine Interessen wären.

Der Mppt Regler für die Solaranlage ist ja schon beschafft. Die Anforderungen an die neue Anlage mussten gefunden werden. Energieverbrauch und Gewohnheiten im WoMo mussten sich einspielen.

Ausserdem: wer einmal einen Fernseher mit integriertem Sat-Receiver und Media-Player genutzt hat ist gegen jede Art von Kombi-Geräte gefeit.

Die Kombination von B2B unten im Anschlussraum, Solarregler oben in Nähe Schalt Zentrale und Ladegerät in Batterienähe wie es bei dem Rapido sein wird, finde ich optimal.

Liebe , Alf

Gast am 10 Jan 2015 21:32:06

Ich bin ja geduldig, aber lies doch bitte mal den Eingangspost. Da steht eigentlich alles drinnen. Sobald ich anfange die Anlage einzubauen und hier Informationen einzustellen werde ich dann den Mod bitten alle sinnfreien Post zu löschen.


Ich hoffe nur das dann auch einige von deinen Texten darunter fallen, empfinde Deine Art ganz schön arrogant ... :top:

Gast am 10 Jan 2015 21:48:30

ich finde es optimal, wenn alles dicht bei der Batterie ist, und nicht im ganzen Womo verteilt
Das wäre wohl mein primäres Ziel.

Die von dir gerade (zumindest liest man es so) gekauften Geräte sind nur bedingt aktuell.
Du hättest EIN Gerät, was (fast) alle aufgaben übernehmen würde bekommen mit etwas zukunftsweisender Ausrichtung.


Achja: Dein "Je Suis Charlie" Witz ist unterirdisch

Gast am 10 Jan 2015 22:35:23

Unterirdisch ist, das als Witz zu bezeichnen.
:thema: :ton:

Aber mir scheint, es ist kein Interesse an dem 12V - Thema. Tobt euch aus.

Gast am 10 Jan 2015 23:08:56

KudlWackerl hat geschrieben: werde ich dann den Mod bitten alle sinnfreien Post zu löschen.

Liebe , Alf


Bitte dann auch solche tiefschürfenden Antworten auf höfliche Fragen eines Users:

--> Link

Gast am 11 Jan 2015 01:14:21

Aber mir scheint, es ist kein Interesse an dem 12V - Thema. Tobt euch aus.


möchtest Du und deine Auflistung von Geräten, denn mehr ist es derzeit ja nicht, nur bestätigt werden,
oder möchtest Du über eine optimale 12V- Versorgung diskutieren, dazu benötigt es aber Pläne (Zeichnungen) von Dir und Deinem Projekt
und nicht nur paar Wortfetzen wo was sitzen soll ...

Pooh335 am 11 Jan 2015 11:52:36

Du möchtest nach deinem Umbau verschiedene Wandler einbauen für deine unter anderem 12V Versorgung.
Warum? Du musst doch nicht erst aus 12V 230 V machen um es dann wieder auf 12 V vom Handynetzteil runterzurechnen.
Leider habe ich mein Mobil grad nicht vor der Tür sonst hätte ich ein Bild eingestellt. Wir haben eine kleine Wand mit lauter USB Steckdosen zum Handy laden, Box Laden, Router laden und was noch alles über 12 V geht. Fürs IPad hat mein Mann noch etwas anderes gebaut, weil das nicht mit 1W geht, das braucht 2W.
Im Winter ist aber auch nicht immer genug Licht für das Solarpanel. Wobei du bei deinen Berechnungen überlegen Solltest, dass an einem guten Sommertag da durchaus die volle Leistung erbracht wird und dir wirklich der Regler um die Ohren fliegen kann. Ich würde empfehlen bei 200W zu bleiben und nicht auf 400W zu gehen. Sollte sowieso ausreichen. Es sei denn du schaust rund um die Uhr fern, hast immer alle Lichter an, die nicht LED sind, lädst alle Geräte, die alle einen ausgelutschten Akku haben usw.
Viel Erfolg beim Umbau.

Bergbewohner1 am 11 Jan 2015 12:35:31

Naja Alf, habe ja fast das gleiche Modell, nur 2004er, was du vor hast würde ich persönlich mir nicht antun, ein ganzes WoMo neu zu verkabeln.
Ich habe auch schon mal versucht mir vom Fachmann ein neues/verbessertes Ladegerät ein bauen zu lassen, ging nicht, nur mit riesigem Aufwand, konnte zum Glück das Ladegerät wieder zurück geben. Wenn ich es zu einem größeren WoMo geschaft habe, werde ich eine Brennstoffzelle oder ein Moppel installieren. Ist auf alle Fälle billiger und weniger zeitaufwändig, als dein Vorhaben.
Hoffentlich greifst du mit der Winner nicht so in die Sch...e wie ich, mein kame mit 12,3 Volt an und wurde nicht voll, hab esie dann zurück gegeben.

andwein am 11 Jan 2015 12:55:23

Wirklich ein interessantes Projekt!. Die Todo Liste ist ja recht eindrucksvoll.
Interessant wäre allerdings die Auswahlliste der Komponenten im Zusammenhang/Zusammenspiel mit den Anforderungen zu erläutern. Ich bin gespannt.
Viel Erfolg, Andreas

Gast am 11 Jan 2015 13:15:48

Hallo Werner,

Die Kabelwege hatte ich schon alle offen, da gibt es keine Probleme. Die Batterie hole ich bei Winner ab und nehme das Multimeter mit.

Hallo Andreas,

Das kommt Zug um Zug. Muss nun erst mal alle Teile mit Datenblatt haben und den Revisionsplan zeichnen.

Liebe , Alf.

Gast am 11 Jan 2015 18:17:54

Muss nun erst mal alle Teile mit Datenblatt haben und den Revisionsplan zeichnen


Also ich habe mir erst die Datenblätter besorgt, dann geplant und gezeichnet und dann die Teile gekauft und dann nach Plan aufgebaut ...

... Planung und Aufbau meiner WoMo Elektrik, im Zuge der Sanierung zu 100% neu gemacht ... nur mal als Beispiel





Die defekte EVS15-12 wurde aus Einzelkomponenten zusammengestellt und ersetzt.

rolf51 am 11 Jan 2015 18:22:48

Hallo Ralf,
:daumen2:

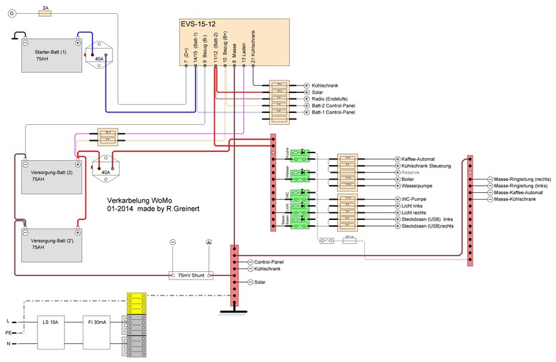
andwein am 12 Jan 2015 17:28:25

Gute Verkabelungspläne, gute Arbeit
Frage: auf der untersten Zeichnung, ist B+ nicht D+ ? oder sind das die Platinenbezeichnungen?
Andreas

Gast am 12 Jan 2015 19:35:42

Gute Verkabelungspläne, gute Arbeit

Danke ... ohne Plan hat man schnell mal was vergessen oder mach es geringfügig anders ...
außerdem wer zeichnet schon ein Plan hinterher, wenn alles funktioniert ...
Zu meinen WoMo gibt es eine Mappe mit allen Plänen und von mir gemachten Änderungen,
sollte ich mal in die Not kommen das Teil zu verkaufen, wird das bestimmt kauf entscheidend sein ...

Frage: auf der untersten Zeichnung, ist B+ nicht D+ ? oder sind das die Platinenbezeichnungen?

Schreibfehler ... soll natürlich (D+) sein, LIMA-Signal zum schalten des Trennrelais und des Relais für den Kühlschrank ...

kintzi am 13 Jan 2015 16:12:09

Zitat:
Danke ... ohne Plan hat man schnell mal was vergessen oder mach es geringfügig anders ...
außerdem wer zeichnet schon ein Plan hinterher, wenn alles funktioniert ...
Zu meinen WoMo gibt es eine Mappe mit allen Plänen und von mir gemachten Änderungen, ....

Wie wahr!
25.12.1969 20°°im Käfer vom Bodensee nach Freiburg/Br, im tiefsten Schneetreiben in Titisee--> totaler Lichtausfall.
Wagen 10Mon zuvor v. Fußabblendung auf Handabbl. mit Relais umgerüstet, tot. Relaisausfall. Im ersten Moment wie Ochse vor Apotheke, erinnerte mich aber an
von mir in Betr.-anltg. gezeichneten Plan, mit dessen Hilfe ich in 5 Min wieder auf der alten Fußabbl. war. Gr. Richi

Gast am 13 Jan 2015 17:09:37

Da liegt sehr viel Überlegung in deinen Zeichnungen. So schön hatte ich das bei meinem ehemaligen Mobil nicht gemacht, aber dort wurde auch "nur" das EBL ersetzt.

Welchen Kaffee-Automaten betreibst du mit 12 V?

Gast am 13 Jan 2015 17:39:50

Welchen Kaffee-Automaten betreibst du mit 12 V?


Die WAECO PerfectCoffee MC 08 Kaffeemaschine de Luxe, 8 Tassen, 12 Volt, brauch ca. 35 Minuten für eine Kanne, schaltet sich danach automatisch ab.
Zuleitung (4mm2) und 12V-Steckdose ist extra für 25A ausgelegt ...

Gast am 13 Jan 2015 19:23:17

Vielleicht macht es ja Sinn hier weiterzumachen, wenn Ihr mit dem Kaffeautomaten-Thema durch seid? :thema: Nochmals: Hier soll ein Umbauprojekt dokumentiert werden. Bitte nicht zu stark durch Neben-Themen zerpflücken. Danke.

Nun, heute hatte ich Zeit zu Winner Manheim zu fahren (39,-- Versandkosten gespart) und schon mal die Batterie abzuholen. Winner Solar SMF auf Silber-Calzium Technologie.

Guckst Du:



Der erste Eindruck war gut, die Batterie ist nicht zu schwer und laut Messung ca. 75% geladen. Sollte also nicht länger als ein halbes Jahr aus dem Werk sein. Die Batterie ist für den deutschen Markt gelabelt. Falls ich am Samstag Zeit finde, baue ich die Batterie schon mal ein und stelle zum Laden den Solarregler hoch.

By the Way, ich hatte nun auch Gelegenheit den "Techniker" von Winner Deutschland face to face zu sprechen und nach den hohen Ladespannungen zu fragen. Die auf der Internetseite angegebenen "optimalen" Einstellungen wurden bestätigt. Die Batterie sieht aus als ob sie baugleich mit der Varta Promotive Silver 725 103 115 ist. Gleiche technische Daten, gleiche Abmasse, gleiches Gewicht, gleicher Labyrinthdeckel. An der Einfahrt von Winner Deutschland ist ein Varta-Schild. Beide Marken sind in der Johnson-Controls Gruppe. Ein Schelm, wer böses dabei denkt ...

- Hauptladung (Bulk) bis 14,8 Volt
- Ausgleichsphase (Absorption) 15,4 Volt für mindestens 6 Stunden
- Erhaltungsphase (Float) 13,7 Volt

Das kann mein Solarregler nicht, also werde ich mit 14,8 / 13,7 Volt über Solar laden. Die gelegentliche Volladung auf SP oder CP muss dann das neue Netzgerät von Fraron mittels der Calzium/Calzium iUoU Kurve bringen.



Es geht weiter, wenn es zu berichten gibt.

Liebe , Alf

Gast am 13 Jan 2015 23:57:44

Das nenne ich mal einen Brocken ... 280 AH nicht schlecht ...

Musst Dir aber dann auch Gedanken machen ob alle Geräte an der 12V Versorgung die 15,4V vertragen,
je nach Belastung (Verbraucher) wird diese zwar einbrechen, LED-Lampen und andere kleine Verbraucher werden da aber Ihre Problem haben.
Deswegen wohl auch deine 12 DC/DC Wandler in der Auflistung, solltest dann aber für jeden Verbraucher einen Vorsehen,
so das Du den dann primär schalten kannst, wenn Du hinter den Wandler Verbraucher schaltest und die Teile unbelastet laufen verbrauchen die nur unnötig Strom.

Bin gespannt auf deine Planung ... das von Winner empfohlene 7 Stufen IUoU Ladegerät habe ich auch als 10A-Version im Einsatz,
bei meinem normalen 100AH Blei-Akku passt es sich scheinbar an und geht nur bis 14,4 ...
häng bei meinem WoMo den ganzen Winter dran, Aufbau-Batt und Starter-Batt werden bei meinem Trenn-Relais automatisch verbunden
wenn die Aufbau-Batt annähernd voll und ich diese Funktion aktiviert habe ist.
Wenn der Ladestrom (Solar) knapp ist z.B. autarkes stehen, deaktiviere ich diese Funktion, so geht alles in die Aufbau-Batt ...

andwein am 14 Jan 2015 12:28:38

KudlWackerl hat geschrieben:Batterie abzuholen. Winner Solar SMF auf Silber-Calzium Technologie.

Ja, aber der entscheidende chemische Bezeichnung (von Winner, im Prospekt) dazu ist Pb/Ca, für den Nichtchemiker heißt das
Blei/Calcium, von Silber steht da auch nichts, aber das ist nicht diskussionssentscheidend.
Es ist eine versiegelte Nassbatterie, auf Bleibasis, mit Calciumbeimischung. Es ist keine Ca/Ca also Clacium/Calzium, sprich Vollcalcium Batterie!
Ich persönlich würde deshalb die Ladeendspannung von 15,6V mit sehr viel Vorsicht geniesen. Da es eine Nassbatterie ist kann sie bei zu hoher Ladespannung kochen und damit gasen (Wasserstoff und Sauerstoff). Bei richtiger Ladeendspannung geschieht dies nicht, bzw. kleine Mengen Gas werden in Wasser zurückgewandelt.
Lass dir zur Sicherheit die Aussage des Technikers zur Ladespannung schriftlich geben, dann kannst du Winner im Problemfall Regress stellen.
Nur wohlmeinend, Andreas

Gast am 14 Jan 2015 14:52:59

Es ist eine versiegelte Nassbatterie, auf Bleibasis


nur das in der Anleitung von Winner für diese Batt, empfohlen wird den Wasserstand alle paar Monate zu prüfen und mit destilliertem Wasser aufgefüllt werden muss.

Gast am 14 Jan 2015 14:56:36

KudlWackerl hat geschrieben:Vielleicht macht es ja Sinn hier weiterzumachen, wenn Ihr mit dem Kaffeautomaten-Thema durch seid? :thema: Nochmals: Hier soll ein Umbauprojekt dokumentiert werden. Bitte nicht zu stark durch Neben-Themen zerpflücken. Danke.


Oh Mann, bist du empfindlich. Ich dachte an einen Fehler, weil ich Kaffeeautomaten nur an 230V betreibe. Von mir kommen jetzt keine weitere Störungen - viel Spaß noch.

kintzi am 14 Jan 2015 15:14:15

15,6V bei einer versiegelten PB/Ca ? Na ja, ist jedermanns eigene Sache, wie er sein Geld auf den Kopf haut.
Ansonsten sind diese Batt-Typen keine Zyklenfesten, werden heute häufig in Neuwagen als StarterBatts eingebaut. Haben auch keine Gasrekombination. Und welche Autoelektrik verträgt dauerhaft 15,6V ? Zwar müssen Verbraucher kurzzeitig nach irgendeiner Norm 16 oder etwas mehr Volt aushalten, aber dauernd? Würde nicht jeden 12V TV drangängen! Bei den Ladegeräten mit der hohen Spannungsstufe wird ausdrücklich darauf hingewiesen.
14,8V sind für die Absorption genug, mit Temp.-Komp. kommen bei 0°C leicht 15,2-15,3V heraus, was die dann ja kalte Batt auch verträgt. Die 15,6 V Stufe bei ca. 20-25°C bleibt der Gasungsldg./Recond vorbehalten - nur für offene/belüftete Batts mit Flüssigelektrolyt. Ohne Belüftung oder VRLA macht's "peng" ! Gr. Richi

Gast am 14 Jan 2015 18:44:48

Ah Jungs,

Ihr habt hier wieder wegen der Batterie gewütet!

HIer lege ich Euch mal das bei Winner für diese Batterie erhaltene technische Beiblatt. Achtung nochmals: Es gibt insgesamt 3 verschiedene Winner Batterien mit der Bezeichnung Solar!

Diese Anleitung ist die Winner Solar SMF



Liebe , Alf

Gast am 14 Jan 2015 19:22:25

Weiter geht es mit: Post aus China!

Wie einge liebe WoMo-Kollegen mir schon hier und per PN geschrieben haben: Probleme wird es mit den 12V-Geräten geben welche nicht explizit für die geltenden KFZ-Normen konstruiert sind.

Wie vielleicht Mancher weis, werden von den OEM derzeit Bemessungsspannungen bis zu 15,5V für das Bordnetz von PKW vorgeschrieben. Damit sind wir zum Bleistift beim aktuellen KFZ-TV, Autoradio, Sat-Systemen und Beleuchtungen auf der sicheren Seite.

Bei allen Dingen, welche wir billig aus der Bucht beziehen, gilt Vorsicht walten zu lassen. So sind mir einige LED mit G4 Sockel währen des Einbaus direkt abgeraucht, weil damals das Womo vor dem Haus stand, der alte Lader angesteckt war und das Mobil bzw. die 12V-Anlage mit 13,8 Volt mit enormen Oberwellen versorgt hat. Die verbauten LED werden beim Betrieb mit dem alten Rapido-Ladegerät so warm, dass ich jede Energieersparnis im Vergleich mit den vorher verbauten Halogen bezweifle. :mrgreen: Die verbauten Heizelemente sieht man auf der Rückseite der Platine:



Dieses Thema ist schon anderweitig besprochen. Ich finde die Beschaffung von LED für 3,-- € für 10 Stück einfach mehr ?y als 6,80 je Lampe für die geregelten 18V-Versionen zu zahlen .

Was also tun?

Die Lösung sind kleine DC/DC Wandler bzw. Spannungsregler.

Guckst Du:



Ein kleines Tütchen aus China, darin sind 5 Module LM2596S



Mit Grausen betrachtet man die schlampige Lötarbeit und die Kühlkörper-lose Montage des IC (aufgelötet) auf der Platine. Wenn es Ihm zu heiss wird, lötet er sich selbstätig aus und begrenzt so die Last. :D

Aber einem geschenktem Gaul (8,-- € für 5 Stück inklusive Versand) schaut man nicht ins Maul. Auch die technische Beschreibung darf die Fachfrau nicht schrecken.

Die Warnung

Verbunden rückwärts Mai verbrennen!
(Sie können keine Erhöhung)<Br/>
(gefunden auf Ebay)

weist auf die Notwendigkeit hin, den Ausgangstrom selbst auf 3 Ampere zu begrenzen und zu akzeptieren, dass die Module einges wegheizen.

Mit dem Schaltplan (wie er sein sollte)



werden die aufgelöteten Elemente geprüft und die Kondensatoren auf seitenrichtiges eingelötet sein kontrolliert. Die Ausgangsspannung auf mutige 12V eingestellt, Voila ... der Einbau in die Lichtleitungen nach dem Scheiber-Panel des RAPIDO kann gemacht werden.

So werde ich die originalen Schaltausgänge für Licht (4 Schalter) auf die Module leiten und von dort aus auf die WoMo-Verkabelung weiter gehen. Ein Modul verbleibt als Ersatzteil bzw. als Reserve.

Vorteil:

- Jedes Modul wird bei Nichtnutzung des Mobils durch die vorhandene Technik galvanisch getrennt, zusätzliche Brandgefahr und Entladung der Batterie gebannt.
- An jedem Regler hängen derzeit maximal 3 LED,
- Die LED sind in Zukunft gleichmäßig Hell, die hohen Ladespannungen werden von den Leuchten ferngehalten.

Fotos folgen nach dem Einbau, demnächst hier in diesem Thread ...

Liebe , Alf

-

Gast am 14 Jan 2015 20:03:10

Nachtrag:

hier die Spezifikation des Spannungsreglers ...

--> Link

Gast am 14 Jan 2015 20:44:24

- Jedes Modul wird bei Nichtnutzung des Mobils durch die vorhandene Technik galvanisch getrennt, zusätzliche Brandgefahr und Entladung der Batterie gebannt.


Die Module trennen aber nicht galvanisch, ich gehe davon aus, Du meinst ein Schalter vor dem Modul trennt diese bei nicht Nutzung galvanisch ...

Ich habe den gleichen Step-Down Wandler für eine 3W LED-Einbauleuchte genommen die benötigte 9,5V ,
für die 6W - Versionen benötigte ich 19V also einen STEP-UP Wandler ...

LED-Einbauleuchte 19V 300mA (6W) mit Step-UP-Wandler

9W steht drauf und 6W sind nur drin ... so sind die Chinesen

Die Lampen sind hell und leuchten den Raum in alle Richtungen gut aus



LED-Einbauleuchte 9,5V 300mA mit einem Step-Down-Wandler

Einbauort im WC


Die Bilder sind während der Sanierung entstanden ... also nicht wundern

andwein am 15 Jan 2015 14:12:06

KudlWackerl hat geschrieben:Ah Jungs,
Ihr habt hier wieder wegen der Batterie gewütet!
HIer lege ich Euch mal das bei Winner für diese Batterie erhaltene technische Beiblatt. Achtung nochmals: Es gibt insgesamt 3 verschiedene Winner Batterien mit der Bezeichnung Solar!

Na ja, wurde ja schon mehrmals geschrieben, dass sich die Angaben in den Unterlagen der Fa. Winner öfters widersprechen.
wie "kintzi" schon sagte, glaube was du willst, du kaufst, du bezahlst, für die übrigen gibt es keine Probleme!
Und nochmals den klitzekleinen Ratschlag an dich, lass dir die Ladeschlussspannung für deine spezielle Batterie schriftlich bestätigen.
Andreas

Gast am 17 Jan 2015 15:43:23

O.K.

Nachdem die Idee mit den DC/DC Wandlern für die LED wohl akzeptiert ist, habe ich nun Heute den ganzen Schaltplan umgezeichnet. Problem wird sein, das der Rapido über das Scheiber Panel das Trennrelais auch rückwärts bei Spannung über das Netzladegerät > 12,8 V schließt. Das darf in Zukunft nicht mehr, weil im Aufbau eine andere Batterie sein wird als im Basisfahrzeug. Also wird der B2B direkt von vorne mit Strom versorgt werden, Abzweig vor dem Relais. Das Relais selbst bleibt vorerst drinnen, muss erst noch die interne Verschaltung prüfen. Vermutlich läuft der Kühlschrank über das Relais auf dei Starterbatterie, das sehe ich nicht auf dem alten vorhandenen Schaltplan, muss dann die Drähte nachzoppeln.

- Von den DC/DC-Wandlern für Beleuchtung habe ich noch 5 nachbestellt, noch günstiger, direkt aus China für 1,23 € das Stück. (inclusive Versand!) Das Scheiber Panel hat insgesamt 7 einzelne Abgänge für die Beleuchtung, jeder Abgang bekommt einen separaten Wandler, die Wandler werden auf vorerst 12 V eingestellt. Die LED habe ich auch nachgemessen, nehmen bei 12V DC zwischen 89 bis 232 mA auf, was zu erwarten war. (1 bis 3,2 Watt Typen)

- Die Winner Solar SMF Batterie habe ich direkt nach Kauf voll geladen (auf 13,7 Volt mit dem altem Hobby Ladegerät), die Batterie hält nun schon 48 Stunden genau 12,82 Volt. (alle 12 Stunden gemessen) Das ist also schon mal o.k. für die 244,-- Euro.

- zur Ladetechnik:

Mein Konzept ist, den vorhandenen Mppt Solarregler auf 14,8 Volt Bulk und 13,7 Volt float einzustellen. Gleiche Einstellungen mache ich für den Votronic 45A B2B. Das reicht dann schon mal für die normale schnelle Ladung unterwegs.

Den Fraron Netzlader habe ich ja gekauft wegen des integrierten Calzium Programms. Das ist auch für die Silber/Calzium, das sind prinzipiell die gleichen Batterien.

Der Fraron-Spezialist erklärte mir:

Der Fraron Lader lädt anfangs (Bulk) mit 30A, abzüglich ein bisserl Verbrauch sind das genau die 10% die die Solarbatterie will. Dann geht er entweder auf 14,8 Float bzw. Absorption wenn die Batterie soweit o.k. und wenn die Anfangsladung über 50% voll war, oder (bei tiefentladener Batterie) er geht weiter auf 15,5 V um die Säureschichtung aufzuheben und die Sulfatierung aufzubrechen. Die Dauer dieser Phase hängt von der Batterie bzw. vom Ladezustand am Anfang ab! Fraron sagt zwischen 20 Minuten bis zu 3 Stunden. Diese telefonische Rückfrage bei Fraron haben ergeben dass die Winner Solar SMF dort bekannt ist und ausdrücklich für diesen Lader geeignet. Wie auch viele andere technisch gleiche Batterien mit anderer Plastikfarbe unter anderem Label. Aber das Volladen über Netzanschluss passiert bei mir sowieso nur max. alle paar Monate. Also: Das Ca/Ca Programm wird so eingestellt, dann sehen wir, was passiert.

- Verkabelung:

Nun beschaffe ich noch ein paar Meter neuen Draht, die Haupt-Kabel werden in 16 mm neu verdrahtet. Bisher waren die Batterien in 10 mm und mit 50 A abgesichert. In Zukunft mit 80 A. Dann geht es an den Einbau in das Auto. Das Hauptproblem wird sein, die D+ Leitung zu finden, die alten Schaltpläne sind auf französich, das habe ich zwar mal gelernt, aber ... 8) Vermute es ist die als "S" gekennzeichnete Leitung namens "12 Volts apres contact". Dazu eine Frage: Der D+ kommt erst, wenn der Motor läuft und die LM-Spannung oben ist, oder?



Ein kleines Problem bei der Sache ist, dass ich derzeit noch keinen Plan habe, wie ich die Fahrzeugbatterie lade, wenn Netz anliegt. Aufgrund der unterschiedlichen Spannungen vorne/hinten geht das nicht mehr rückwärts durch das Relais. Die Erhaltungsladung wenn das Fahrzeug über Wochen auf der Straße steht, kommt zwar immer wieder mal 1A über die Solaranlage, aber zum Beispiel im Winter bei längerem Verweilen auf einen Camping-Platz oder Stellplatz mit Stromanschluss und üppigem 12V Verbrauch kommt die Solaranlage nicht mehr über Ihre 80% Schwelle und lädt dann nicht über den Zusatzausgang nach Vorne. Da das Radio und zwei Leuchten über den Fahrgastsitzen vorne über die Startbatterie laufen, könnte das zum Problem werden. Muss ich noch darüber nachdenken ... Vielleicht bleibt das alte Ladegerät mit W-Kennlinie für Blei dafür drinnen. Oder ein modernes 2A Kennlininengerät findet sich in der Bucht ...

So ist nun grob der Plan:



Ja, klar, könnte man schöner, besser, machen ... :? :D

O.K. weiteres nun erst wieder, wenn Kabel gezogen werden und Bilder verfügbar sind.

Liebe , Alf

Gast am 17 Jan 2015 20:59:30

So ist nun grob der Plan:

Ja, klar, könnte man schöner, besser, machen ... :? :D


Wichtig ist Du musst den Plan lesen können ...

andwein am 19 Jan 2015 12:43:34

KudlWackerl hat geschrieben: Vermute es ist die als "S" gekennzeichnete Leitung namens "12 Volts apres contact".
Dazu eine Frage: Der D+ kommt erst, wenn der Motor läuft und die LM-Spannung oben ist, oder?
..dass ich derzeit noch keinen Plan habe, wie ich die Fahrzeugbatterie lade, wenn Netz anliegt. Liebe , Alf

Normalerweise werden mit S die Sense-Leitungen bezeichnet, also die, die nur eine Spannung messen, mit der dann eine Spannungskorrektur durchgeführt wird. Wie das bei der Fa. Schreiber gehandhabt wird weiß ich nicht, es wäre aber logisch, da die Schreiber Logik anscheinen auf "Trennrelais aktiv aufgrund der Chassisspannung" setzt und nicht auf D+
Und richtig, D+ kommt erst wenn der Motor läuft und die Lima Spannung abgibt (Chasis-Ladekontrolleuchte geht aus)
Durch die (stark) unterschiedlichen Ladewerte für Start- und neuer Aufbaubatterie gibt es ein Dilemma. Die Lima entspricht der (generellen) Ladeanforderung der Startbatterie, aber überhaupt nicht denen der Aufbaubatterie. Der Solarregler eher der Startbatterie, weniger der Aufbaubatterie.
Wenn also das Thema Batterielebensdauer wirklich interessant ist, würde ich die Startbatterie gegen eine nass PB/Ca austauschen und der Lima einen Laderegler mit 14,2-14,3V Ausgang spendieren. Das würde auch das 230V Ladeproblem der Starterbatterie lösen. (ich weiß aber leider nicht wie man den Schreiber-Lader auf die neuen Batterien einstellt)
Zur Ladung (nicht Erhaltungsladung) kann man in den Ausgang des Solarreglers auch einen mechanisch/elektrischen Umschalter einbauen und kontrolliert (Zeit) laden.
Wenn ich (nur meine Meinung) das Thema 12V Sanierung anpacken würde, würde ich so vorgehen. Ist aber nur meine Vorgehensweise und nur ein Kommentar zu einem öffentlichen Beitrag.
Andreas

Gast am 19 Jan 2015 13:05:09

Hallo Andreas,

Danke erst mal für die Hinweise.

Im großen und ganzen entspricht das ja recht genau meinem weiter oben beschriebenen Vorhaben.

Der Solarregler hat einen Zusatzausgang für die Starterbaterie, welcher Laut Hersteller mit 1 A, und "reduzierter Spannung" die Startbatterie lädt, wenn die Aufbau-Batterie nicht mehr den gesamten Strom aufnehmen kann. Diesen Ausgang hatte ich im Herbst bereits auf die Batterie verschaltet, einfach auf den Messeingang des Scheiber Panels aufgesteckt. Da derzeit das Trenn-Relais bei 12,7 Volt schließt (egal ob 12,7 Volt von vorne oder von hinten) ist die Schaltung wirkungslos und ich kann auch nicht den Sinn und Effekt messen. Derzeit sind beide Batterien über Solar immer einigermaßen voll.

Ich werde wohl nächsten Samstag Zeit finden die ersten größeren Umbauten vorzunehmen, dann werde ich es so machen, dass vorerst nur die Solaranlage mit diesem reduzierten Ausgang die Start-Batterie hochhält. Die Erfahrung wird zeigen, ob ich überhaupt zusätzliche Maßnahmen ergreifen muss. Wir werden nochmal ein paar Tage zum Skifahren düsen, da findet dann der Integrationstest statt.
Zur Not (Starthilfe) kann ich ja bei Bedarf provisorisch direkt am B2B mit einem kurzen Drahtstück ein paar Minuten nach vorne (rückwärts) überbrücken.

Liebe , Alf

Gast am 25 Jan 2015 17:21:54

Großkampftag!

So, Freitag nachmittags und Samstag war nun großes Umbauen angesagt.

Am Freitag wurden alle möglichen Möbelteile ausgebaut und nachgesehen wo eigentlich die Verdrahtung so verlegt ist. Leider, Leider, Rapido hat die Drähte un Leitungen auch an den unzugänglichen Stellen in Form eines Kabelbaums verlegt und mit Schlauchschellen gesichert. Die Verlegung zusätzlicher Leitungen ist dadurch erschwert.

Los ging es mit dem Aus/Einbau der Batterie. Bei meinem Rapido 942 ganz am Ende des Aufbaus, unter dem Heckbett in der Mitte untergebracht:

Hier

und Hier

sieht man die Ausgangssituation.

Der Ausbau der alten 125 Ah Batterie gestaltet sich ganz einfach. Schnell war das Batteriefach leer und ma sah die eingelassene Mulde mit den Befestigungsgurten. Was mir nicht so gut gefiel, war dass der Entlüftungsschlauch der Nassbatterie nach unten ins quer unter dem Fahrzeug liegende Staufach für lange Gegenstände eingeführt wurde.

Hier:
sieht man schon die recht großzügigen Dimensionen des Fachs.

Und hier:



sind die 65 Kg für die Winner Solar SMF 280Ah schon hineingewuchtet. (durch die Stauraum-Klappe nach innen und dann zu zweit in das Fach gehoben)

Unter der Batterie ist eine Kautschuk-Schaummatte um die Unebenheiten der kleineren Mulde auszugleichen, gegen Vibrationen und als Rutsch-Schutz. Links davon wurde der Shunt für den Batteriecomputer und der Hauptschalter eingebaut. (Bild folgt) Der Hauptschalter trennt nur die Batterie, die gesamte Ladetechnik und die Verbraucher liegen nach Abschaltung noch auf einem Potential.
Damit erreiche ich, dass bei längeren Standzeiten am Stellplatz und CP über Umstellung des Ladegerätes auf Versorgungsstellung ich die Batterie stilllegen kann und das Verbraucher-netz auf geregelten 12V DC weiter betreiben kann.

Das originale Ladegerät von Scheiber war unter dem Bett neben dem 230V AC Sicherungen, hier kniend vom Stauraum unter dem Bett nach vorne fotografiert:



Das Ladegerät flog raus, die alte 6 mm2 Verdrahtung wurde entfernt. Das neue Ladegerät von Fraron mit 30 A (Bulk) ist etwas weiter rechts, kann so in Zukunft vom Aufbau aus durch leichtes Anheben der Matratze betrachtet und eingestellt werden. Die Verbindungen Ladegerät zur Batterie ca. 1,5 m wurde neu in 16 mm2 mit Kerbkabelschuhen (zusätzlich nach dem Kerben verlötet und umschrumpft) ausgeführt. Es wurde ein Batterie-Sensor für die Temperatur angeschlossen.

Der Test ergab, das der integrierte Lüfter bei der ca. 90% geladenen Batterie nicht anspringt, das Fraron geht nahezu sofort in Float.

Leider blieb vorerst die Netzanzeige am Scheiber-Panel (Warnsummer beim Starten des Motors) auf der Strecke. Dazu muss ich noch ein Relais am Netzeingang des Ladegeräts anklemmen. Also vorerst Achtung bei eingestecktem Netzkabel mit der Abfahrt. :lol:

Der B2B fand seinen Platz unter der Spülablage hinter dem Rollcontainer. Um die Dioden zu betrachten, muss der Schubschrank geöffnet werden. Ich gehe mal davon aus, dass mich das während der Fahrt sowieso nicht interessiert. (Fernanzeige ist optional verfügbar) Vorteil davon: da durch diesen Ort die Hauptleitungen zum Trennrelais laufen, konnte ich ohne größere Leitungsverlegung das Trennrelais ausbauen und die vorhandene Haupt-Leitung zur Batterie 1 (Start) und zur Batterie 2 (Aufbau) weiter nutzen. Mit bisher schon 10 mm2 sind die Leitungen zwar grenzwertig ausgelegt, aber dank getrennter Sense-Leitungen zum B2B und der Spannungsanhebung gerade noch ausreichend.

Der B2B von Votronic Lade-Wandler VCC 1212-45 IUoU wird eingangsseitig in Modus A (Spannungsregelung mit maximaler Batterieschonung) betrieben.

Votronic schreibt dazu:

Minimale Belastung der Start-Batterie (Einstellung Slave für Parallelbetrieb): Wegen der hohen Spannungsschwellen nur bei getrennt verlegter „Sense In +“-Leitung, genügend
stark dimensionierten Kabelquerschnitten und leistungsstarker Lichtmaschine zu verwenden. Die Start-Batterie wird hier unter keinen Umständen entladen, Schaltanschluss „Kl.15 / D+“ muss angeschlossen werden! Der Wandler arbeitet dann rein spannungsgesteuert. (Es ist die Eingangsspannung Startbatterie gemeint)

Erhöhung der Ladeleistung: > 13,60 V (27,2 V)
Reduzierung der Ladeleistung: < 13,20 V (26,4 V)
Ausschaltschwelle Lade-Wandler: < 12,60 V (25,2 V) 30 sec

Im Standversuch bei laufendem Motor schaltete der B2B im Lehrlauf ca. 10 Sec. nach dem Start auf Bulk-Ladung. Die starke Lichtmaschine des 316 CDI schafft das! Als Sense (1) verwendete ich die vom Basisfahrzeug kommende abgesicherte Messleitung für Spannungsanzeige am Scheiber Panel bzw. zum bisherigen Trennrelais.

Ausgangsseitig stellte ich den Betrieb auf „AGM1“: Verschlossene, gasdichte AGM-Batterien max. Ladespannung 14,7V! damit sind die Bedürfnisse der Silber/Calzium Solar SMF gut abgedeckt. Der Spannungsverlust über die Leitung nach hinten wird über die getrennte Sense (2) welche ich über eine Sicherung direkt am Trennschalter der Aufbaubattereie angeschlossen habe, ausgeregelt.

Kennwerte:

U1 Haupt-/Vollladung: 14,70 V bei 20 °C 2-6 h
U2 Voll-/Erhaltung-/Lagerungsladung: 13,50 V bei 20 °C Dauer

Auf den Anschluss eines Temperaturfühlers habe ich vorerst für diese Einheit verzichtet.

Nun, da es schnell dunkel wurde habe ich nach dem Einbau der Hauptkomponenten meine Arbeit abgebrochen. Nun steht das Fahrzeug mit ausgeweideter Steuerzentrale (da fand ich einige Modifikationen im Rahmen der Satelliten-Anlage) und fehlendem Anschluss der Solaranlage. Vorerst müsst Ihr auch auf weitere Bilder verzichten, die gibt es erst wenn die Drähte einigermaßen ordentlich verlegt und sauber befestigt sind. :D

Zu tun ist noch:

- Ausbau Trennrelais,
- Reparatur und Wiedereinbau der Scheiber Steuerzentrale
- Einbau Batterie-Anzeige (Batterie-Computer)
- verbesserte Verdrahtung Solarladeleitung
- Einbau der kleinen DC/DC Wandler für LED Lampen
- Einbau neuer Halter für LED-TV
- Änderung diverser Abdeckplatten
- Einbau Anzeige Netzanschluss
- Nachvollziehen der 12V Kühlschrank-Verdrahtung und gegebenenfalls Neu-Verschaltung.

Und alles was sich im Lauf der weiteren Arbeit an interessanten Problemen noch findet.

Demnächst in diesem Theater. Liebe , Alf

Anzeige

  • Die neuesten 10 Themen
  •  
  • Die neuesten 10 Reiseberichte
  • Die neuesten 10 Stellplätze

Einbau Rückfahrkamera in 3 Bremsleuchte Knaus 595 Bj 1999
Ladegerät für AAA AA Akkus über 12 V oder USB
Alle Rechte vorbehalten ©2003 - 2026 AGB - Datenschutzerklaerung - Kontakt