aqua
motorradtraeger
hallo
Links zu ebay oder Amazon sind Werbelinks. Wenn Sie auf der Zielseite etwas kaufen, bekommen wir vom betreffenden Anbieter Provision. Es entstehen für Sie keine Nachteile beim Kauf oder Preis.

Umrüstung auf LiFeYPO4 1 ... 14, 15, 16, 17, 18, 19, 20 ... 42


Gast am 18 Nov 2013 15:49:24

Hallo Dan-Hu, neo423 und andere,
die EBL´s scheinen ja einige Probleme aufzuwerfen.
Bei mir ist die Elektrik von cbe verbaut (die haben zig verschiedene Modelle).
EBL´s von Schaud kenne ich leider nicht. Aber ein EBL ist doch kein 230 V Ladegerät, zumindest kein EBL von cbe.
Ein EBL steuert vielleich das 230 V Ladegerät und es steuert evtl. die Ladung der Akkus über die Lichtmaschine. Bei meiner cbe-Anlage ist für die Ladung über die Lichtmaschine jedoch ein seperates "Trenngerät BUS-Modul mod. SBB-100" zuständig.

Hier lauen die richtig dicken Batteriekabel von der Lichtmaschine zu den Akkus durch.

In diesem schönen Kasten besteht die Möglichkeit, die Ladung der Akkus über die Lichtmaschine zu unterbinden. Dazu war ich auf die Hilfe meines Fahrzeugherstellers angewiesen. Er hat mir ein neues Trenngerät zugeschickt, in dem zusätzliche Steuerleitungen angeschlossen waren, über die ich per SSR und somit über die OVP die Ladung von der Lichtmaschine unterbinden kann. Also wendet euch hier mal an euren Hersteller, bei dem man aber den richtigen Elektrikexperten erwischen muss. Der normale Service kennt sich damit vermutlich nicht aus.

Wer die Sicherung für das 230 V Ladegerät, oder das Ladegerät selber ausfindig gemacht hat, kann diese Leitung doch anzapfen und über ein SSR laufen lassen. Die Leistung der hier mehrmals erwähnten 20A Sicherung schafft ein entsprechendes SSR doch locker. Manche Ladegeräte verfügen auch über einen Fernsteuerungsanschluss. Da könnte im Einzelfall geprüft werden, ob man das über ein SSR laufen lassen kann.
Ich habe kurzerhand ein 230 V Wechselstrom-SSR mit 12 V Gleichstromsteuerung in die 230 V Zuleitung zu meinem Ladegerät eingebaut - einfach und effektiv. Das sieht dann so aus:

Der Stecker ist vom 230 V Ladegerät.
Da es derart viele unterschiedliche EBL´s gibt, wird es eine Lösung für alle kaum geben. Vielleicht stellten andere Umrüster ihre diesbezügliche Lösung hier auch ein.

Anzeige vom Forum

Hier findest Du vielleicht schon, was Du suchst: Artikel auf eBay oder versuchs hier bei Amazon

Gast am 18 Nov 2013 15:56:03

Dan-Hu hat geschrieben:. . . Könnte man das ev. durch einsetzen eine grossen Diode unterbinden?

Schau doch mal folgenden Beitrag von sonnentau3, 18 Mai 2013 11:10:30
--> Link

Dan-Hu am 18 Nov 2013 16:35:20

Hallo,

Das Ladegerät ist bei Schaudt wirklich im EBL mit verbaut.

Also würde ich folgendes Versuchen, wenn ich es richtig verstanden habe:

Ein SSR zum Abschalten der Lade- und Versorgungsleitung vom EBL.
Abschaltung wenn Akkus voll sind.

Eine Umleitung dieser Leitung ohne SSR mit einer Diode (--> Link), die verhindert das Strom IN den Aku strömt.
Strom AUS dem Akku zu den Versorgern würde dann durch die Diode fließen können.

Soweit richtig?

Wenn ich meinen Solarstrom vor das SSR setze, wäre der auch schon mal mit abschaltbar.

Anzeige vom Forum


gordan am 18 Nov 2013 19:21:57

Dan-Hu hat geschrieben:Hallo, Das Ladegerät ist bei Schaudt wirklich im EBL mit verbaut. Also würde ich folgendes Versuchen, wenn ich es richtig verstanden habe:
Ein SSR zum Abschalten der Lade- und Versorgungsleitung vom EBL. Abschaltung wenn Akkus voll sind.


Hallo „Dan-Hu“

Ich denke dass „superduty“ richtig erkannt und geschrieben hat, dass es eine Lösung für alle nicht gibt!
Mehr oder weniger werden das individuelle Lösungen, die einzelnen Gegebenheiten angepaßt werden mußen,
Wenn ich dein Problem ansehe, werde ich persönlich auf andere Art lösen als du beschrieben hast, und zwar:
Dass das Ladegerät im Schaudt EBL nur anspringt so bald EBL an 230V angeschlossen ist, werde ich mit einem
DC/AC SSR, 230V Leitung des EBL, mit OVP Signal trennen, um Überladung durch EBL zu vermeiden.
Was die Ladung durch Lichtmaschine betrifft, werde ich persönlich mich mit D+ Signal befassen und auch mit
OVP Signal ansteuern bzw. unterbrechen. Eine kleine Steuerung habe ich selbst dafür gebaut und nach wenig
Änderung am Verkabelung, funktioniert das tadellos.
Nach meinen Tests und Überwachung, glaube ich langsam, dass durch die Ladung nach konventionelle Art (Lichtmaschine, Batt.Ladegerät)
nicht möglich ist LifeYPO4 Zellen zu überladen. Das passiert nicht selbst wenn keine Balancer angeschlossen sind.
Keine Zelle hat bis jetzt so stark gedriftet dass die im geringsten in Gefahrenbereich gekommen ist.
Trotzdem das ist nur meine Beobachtung und Erfahrung die ich bis jetzt gemacht habe und möchte keine Garantie für andere übernehmen!
Nur was meine Zellen betrifft, sehe ich das ganz entspannt und werde noch weiter vollen Risiko eingehen.
Alle nötige Bauteile für OVP Schutz, habe ich im voraus bestellt und die sind schon längst in die Schublade, aber es bleibt spannend!.

Gordan :hallo:

Gast am 18 Nov 2013 19:53:56

Hallo Dan-Hu,
OK, dann ist das Schaud-EBL so eine Art Alleskönner.

Sonnentau3 hatte geschrieben:
"Vorsicht mit irgendwelchen Dioden!!! Diese bringen nichts weil man ja damit auch nichts verhindern kann,was man abschalten möchte. Daher alle Last über den SSR LVP und alle Ladequellen OVP an den schwächesten Stellen abschalten. Z.B. Solar vor dem Laderegler in der Plusleitung vom Modul zum Laderegler.Netzladegerät in der AC Zuleitung mit einem DC_AC SSR oder bei kleinen Ladegeräten in der DC + Ladeleitung. Lima über D+ des Trennrelais."

Gast am 18 Nov 2013 20:20:11

gordan hat geschrieben:. . . Dass das Ladegerät im Schaudt EBL nur anspringt so bald EBL an 230V angeschlossen ist, werde ich mit einem
DC/AC SSR, 230V Leitung des EBL, mit OVP Signal trennen, um Überladung durch EBL zu vermeiden.

Hallo Gordan,
hast du die Leitung schon mal per Hand unterbrochen, um zu sehen ob dann keine anderen Funktionen ausfallen?
Wenn´s klappt wäre das ein guter Tipp für andere Schaudt-EBL-Eigner.

gordan hat geschrieben:. . . Was die Ladung durch Lichtmaschine betrifft, werde ich persönlich mich mit D+ Signal befassen und auch mit
OVP Signal ansteuern bzw. unterbrechen.

Funktioniert sicherlich, evtl. könnte der 12 V Betrieb des Kühlschrankes während der Fahrt davon mit betroffen sein, aber so oft wird das nicht der Fall sein.

gordan hat geschrieben:. . . Nach meinen Tests und Überwachung, glaube ich langsam, dass durch die Ladung nach konventionelle Art (Lichtmaschine, Batt.Ladegerät) nicht möglich ist LifeYPO4 Zellen zu überladen.

Den Eindruck habe ich zwar auch, aber ausschließen kann man es nicht wirklich. Bei den LifeYPO4 Zellen macht man im Vergleich zu Blei halt schon etwas mehr Geld kaputt. No risk, no fun :D

gordan am 18 Nov 2013 20:59:49

Hallo „superduty“!

- Schaudt EBL ist voll funktionsfähig auch ohne 230V Anspeisung! Wechselstrom 230V ist nur für 12V Ladegerät vorgesehen!

- Betrieb des Kühlschrankes sehe ich nicht als gefährdet, weil so bald Zellenspannung abfällt wird wieder Lichtmaschine/Ladung zu geschaltet.
(Ausserdem bei mir ist Kompressor-Kühlschrank)!

- Sicherlich kann man nichts ausschließen, deswegen ist das auch kein „Tip“ von mir für die anderen.
Mich reizt das aber schon und neugierig bin ich auch, wie du sagtest: „no risk, no fun“,
oder wie ich sage: "es klappt bis es zusammen klappt", ha, ha! Ich hoffe nicht!

Gordan :hallo:

lisunenergy am 18 Nov 2013 21:42:38

Hallo ihr lieben,

was die Zellen anbelangt, so sind diese ja sehr stabil. Aber gerade bei der Ladung im Anfangsbereich, ist ja gerade bei Gerd das OVP Signal sehr oft angesprungen .Wenn mal eine Zelle defekt wäre passiert das, was unbedingt vermieden werden muß.Und dann kommt noch die Lebensdauer dazu.Mit der Zeit wird es da auf alle Fälle Zellspannungsabweichungen geben.Gerade bei Preisen von 1000 Euro + ist eine vollautomatische Überwachung sinvoll.


Ein großes Problem sehe ich noch bei Combiwechselrichtern. Durch die Eigenschaft Ladung und Wechselrichter in einem Gerät läßt sich das nicht ganz realisieren,weil Last und Ladung ein Kabel ist. Der Trick der mir einfallen würde,wäre ein separates Ladegerät oder parallel Solar. Beim Unterbruch des LVP Signals würde der Combiwechselrichter umgangen werden.Durch die separate Ladung schaltet das LVP Signal zurück und der Combiwechselrichter kann wieder arbeiten.

Sina1 am 18 Nov 2013 21:55:00

Hallo Sonnentau

der Combiwechselrichter hat 3 Anschlüsse, 12V als Zu- und Ableitung je nach Funktion, dann den 220V Ausgang zum Bordnetz und den 220V Eingang vom Landstrom, bei den meisten Geräten ein "Kaltgerätestecker" wie am PC... nur diesen muss das SSR doch unterbrechen bei Ladeabschaltung, bei Lastabschaltung ist doch der WR lange aus, da er eine eigene Lastabschaltung hat...

LG

Morelo am 19 Nov 2013 00:37:35

rossifumi hat geschrieben:Hi Franz,
ein kleiner Seitenhieb auf den Hersteller vorab: wie kann man ein Wohnmobil in der Preisklasse noch mit Akkutechnik aus den Anfängen des vorigen Jahrtausends verkaufen :eek.....


Das ist kein Seitenhieb. Du hast einfach Recht. Morelo hofft auf Dometic eCore. Angeblich ab nächste Woche lieferbar, in 100 Ah Schritten bis 600 Ah zu konfigurieren. 10.000 € im VK!

Ich würde die Gelakkus komplett wegwerfen und auf die Winston 12 V umsteigen. Ohne die Balancer wäre das ziemlich einfach.

Ist es richtig, dass ich bei der Parallelschaltung von 4-6 Winston 12 90Ah ebenfalls Balancer benötige analog einer Serienschaltung 4 x 3 V wie hier beschrieben?

Danke für alle Feedbacks
Franz

rossifumi am 19 Nov 2013 01:24:21

Morelo hat geschrieben:Das ist kein Seitenhieb. Du hast einfach Recht. Morelo hofft auf ....ab .... 10.000 € im VK!
Ich würde die Gelakkus komplett wegwerfen und auf die Winston 12 V umsteigen. Ohne die Balancer wäre das ziemlich einfach.
.. bei der Parallelschaltung von 4-6 Winston 12 90Ah ebenfalls Balancer benötige ...?

Danke für deine Zustimmung.
Einer teuren Anschaffung gesteht man ungern Nachteile zu.
Die angegebenen Preise sind wohl "Selbstzensierung"
Fertige 12V-Blöcke lassen sich kaum nachträglich Balancen.
Nimm 4 Zellen in geeigneter Größe mit Balancer und SSR etc (siehe Sonnentau) oder fertige LiFePo (zB siehe Seite ca44-46).
Und nimm dir wie andere Interessierte die Zeit, diesen langen Faden durchzuackern, es stehen viele Infos von Kollegen mit viel Ahnung drin, mühselig, aber informativ.
Wer macht sich die Mühe einer Zusammenfassung?

Rossi

lisunenergy am 19 Nov 2013 07:29:12

Ja die Preise eines fertigen Systems sind wirklich der blanke Wahnsinn! Das ist aber bei neuen Systemen immer der Fall. Ihr könnt Euch vielleicht vorstellen,wie viel Zeit es gebraucht hat bis das System jetzt so läuft, das es möglich ist. mit verschiedenen Standartkomponenten das selbe zu erreichen.
Natürlich darf man nicht vergessen,wie komplex ein Wohnmobil aufgebaut ist und es ja keine richtigen Vereinheitlichungen gibt. Was man genau benötigt steht auf der Liste von Superduty. Für den Aufbauplan kommt noch ein Bild von mir.

Wichtig ist, folgende Komponenten nicht zu vergessen:

4 mal Balancer z.B. Lipro1-1 , 4Adapterschrauben für M12 oder M14, 1mal TSA 265+ SSR 10 A 12 Volt, SSR für jede Ladequelle,1 mal SSR Converter,2 Sammelschienen,2 Sammelstützpunkte,Hauptsicherung,4 Akkuzellen,3 Zellverbinder,Hauptkabel je nach Belastung und Größe z.B.35mm.

Das sind die wichtigsten Komponenten

uwet am 19 Nov 2013 09:07:25

Hallo superduty,

zum SSB-100 hätte ich mal eine Frage. Das ist ein Modul was vom CAN-Bus D+ ausliest und dann das Relais schaltet. Bei mir liegt D+ schon an wenn der Anlasser dreht. Damit zieht während des Startevorgang das Trennrelais und es wird auch der Aufbaubatterie Strom entnommen. Das ist original vom Hersteller(mit dem Stern) so. Kannst Du das mal bei Dir messen ? Ich habe als Trennrelais ein 200A SSR dazwischen was natürlich dann kurzzeitig verkehrtrum betrieben wird, bis jetzt geht es noch. Man kann das bei mir am Batteriecomputer verfolgen, die Lima hat auch am Anfang nach dem Start nicht die volle Spannung und es fließt Strom von der Aufbau- in die Starterbatterie.

Uwe

Gast am 19 Nov 2013 17:11:50

Hallo Uwe,
das scheint so zu sein. Normalerweise tut das ja auch nichts.
Ob das schlecht ist für dein SSR kann ich nicht beurteilen.

gordan am 19 Nov 2013 17:49:51

Hallo Uwe!

Bitte, um Entschuldigung dass ich mich einmische, aber dein Problem mit D+ Signal der schon beim Anlassen da ist,
werde ich z.B. lösen mit Zwischenschaltung eines Schaltverzögerungsschalter mit 12V Ansteuerung. Die gibt es sehr viele.
Dann könntest du Zeit der Verzögerung beliebig einstellen und hast kein Problem mehr mit Stromrücklauf.

Gordan :hallo:

uwet am 19 Nov 2013 19:32:39

superduty hat geschrieben:Hallo Uwe,
das scheint so zu sein. Normalerweise tut das ja auch nichts.
Ob das schlecht ist für dein SSR kann ich nicht beurteilen.


Danke für die Antwort, ich wollte nur wissen ob das auch schon jemand anders festgestellt hat.

gordan hat geschrieben:Hallo Uwe!
Bitte, um Entschuldigung dass ich mich einmische, aber dein Problem mit D+ Signal der schon beim Anlassen da ist,
werde ich z.B. lösen mit Zwischenschaltung eines Schaltverzögerungsschalter mit 12V Ansteuerung. Gordan :hallo:


Danke für Deinen Vorschlag, so hatte ich auch schon gedacht. Im Moment probiere ich mit einem Komparator der das SSR nur zuschalten lässt wenn die LimaSpannung größer ist als die der Aufbaubatterie. Das scheint aber wegen der Störsignale auf den Leitungen ziemlich schwierig.
Ein mechanisches Trennrelais geht bei mir nicht weil ich mit einer Art PWM die Spannung der Lima auf die LiFeYPO4 schalte um die Ladespannung auf 13,8V zu begrenzen.

Uwe

bigdaddy050276 am 22 Nov 2013 13:54:08

Darf ich mal in die Runde fragen welche 12V Batterien denn so gebraucht werden?

80 - 120 bis max 200Ah würde sowas auf Interesse stoßen ? also basierend auf Lithium Eisenphosphat mit Zellüberwachung , Spannungschutz usw?

und das ganze dann Plug in and Play? Also Blei Akku raus und Neuen Lithium Akku rein...

Hätte da eventuell nämlich was...

mv4 am 22 Nov 2013 13:55:48

dann leg mal los...genau das ist es was die meisten suchen...

biauwe am 22 Nov 2013 14:02:56

bigdaddy050276 hat geschrieben: also basierend auf Lithium Eisenphosphat mit Zellüberwachung , Spannungschutz usw?


Reden wir über diesen Akkutyp? lithium-eisen-yttrium-phosphat-akkumulator

Dann hätte ich Interesse :)

Gast am 22 Nov 2013 15:15:49

Oh jaaa

Stefan1965 am 22 Nov 2013 15:58:58

Ich bin ganz Ohr...

sternleinzähler am 23 Nov 2013 00:02:48

biauwe hat geschrieben:Reden wir über diesen Akkutyp? lithium-eisen-yttrium-phosphat-akkumulatorDann hätte ich Interesse


ich auch

murksmax am 23 Nov 2013 09:40:46

Denn man to, lass mal die Details rüberwachsen.

mv4 am 24 Nov 2013 14:00:08

war nur heiße Luft ...wie es aussieht ?...ich lass mich gern eines besseren belehren ...aber die sprüche habe ich schon öfters gelesen.

tober am 24 Nov 2013 14:32:31

Heiße Luft ist es nicht - einen Link habe ich schon vor einigen Wochen gepostet, mache es nochmal. Es ist aber nichts grossartiges - Suchmaschine reicht, Promob.. und RI hatten es aucg schon drinn. Ganz einfach nur ne Batterie :lol: 12V , Traktion usw. Das sie "günstig" sein muss war ja nicht die Rede von 8) --> Link

Sina1 am 24 Nov 2013 15:29:22

also die Zellen sind ja hier: --> Link wesentlich preiswerter!

LG Peter

Gast am 24 Nov 2013 16:42:01

Ja, stimmt, aber wenn sie denn von einem "Deutschen" verkauft werden, kannste das Komma gleich nach rechts verschieben.

Nille am 24 Nov 2013 16:58:25

Sina1 hat geschrieben:also die Zellen sind ja hier: --> Link wesentlich preiswerter!

LG Peter



Ja, genau 23,50 € billiger...dafür must aber nach Polen....denn die Preise sind netto zzgl. 19% Einfuhrumsatzsteuer oder in Polen abholen dann aber 22% polnische MWst.. :evil:

lisunenergy am 24 Nov 2013 22:08:01

und man muß bedenken,das hier von einem Händler Entsorgungskosten und WEEE Gebühren verlangt werden.Auch das volle Haftungsrisiko wird übertragen.Transporte von mehreren Akkus sind in Spezialtransporten laut Gesetz zu erfolgen.In Anbetracht solcher Auflagen sind die Differenzen erträglich.Hier finde ich die Preise schon anders --> Link

Gast am 25 Nov 2013 01:26:39

Boah ej, alter Schwede, der langt ja richtig zu

Sina1 am 25 Nov 2013 06:47:51

Nille hat geschrieben:
Sina1 hat geschrieben:also die Zellen sind ja hier: --> Link wesentlich preiswerter!

LG Peter



Ja, genau 23,50 € billiger...dafür must aber nach Polen....denn die Preise sind netto zzgl. 19% Einfuhrumsatzsteuer oder in Polen abholen dann aber 22% polnische MWst.. :evil:


Geografie 6

Prag ist in Tschechien und für mich näher als z.B. Berlin oder die gebrauchten Bundesländer....

LG

Nille am 25 Nov 2013 09:49:45

Du hast natürlich recht, ich hatte vor Monaten mal die Preise der 400ah Winston recherchiert und hatte die vermeintlich günstigsten Akkus in Polen gefunden.....genau wie in deinem Link aber mit Nettopreisen. Da hab ich die Shop verwechselt.


Das Prag nicht in Polen liegt war mir klar. Aber f. 4 x 23,50€ Fahr ich da trotzdem nicht hin. :lol:

Scudo205 am 29 Nov 2013 17:35:57

Bisher habe ich das Thema Standheizung hier noch nirgends gefunden.
Das Problem ist, dass eine Gebläsestandheizung nicht einfach spannungsfrei geschaltet werden darf.
Ich habe gerade mit dem Tech. Support von Eberspächer gesprochen.
Die Heizungen müssen auf jedenfall ordentlich heruntergefahren werden und haben einen Nachlauf.
Das Gebläse muss die Heizung abkühlen sonst überhitzt das System und ist nach 2-3 solcher Aktionen reif für die Tonne.
Während diesem Nachlauf wird sogar nochmal richtig Energie benötigt, da die Glühkerze freigebrannt wird.
Müssen jetzt die LiFeYPO4 Zellen wegen Unterspannung unmittelbar vom Netz getrennt werden habe ich für diesen Nachlauf keine Versorgung mehr.

Ich überlege, ob man es hinbekommt in einer solchen Situation die Heizung auf die Starterbatterie umzuschalten.
Habt Ihr eine andere Idee oder vielleicht einen Vorschlag wie man die Umschaltung auf die Starterbatterie bewerkstelligen kann.

mv4 am 29 Nov 2013 17:45:00

wenn deine Batterie groß genug ist...wird die nie auf Unterspannung gehen (du wirst ja kaum mehrere Tage Unterwegs sein und die heizung laufen lassen, ohne das du zwischen durch mal am Wohnmobil warst)...eine 100Ah Lipo hat in etwa soviel nutzbare kapazität wie eine 160AH Batterie ...

Scudo205 am 29 Nov 2013 18:00:48

keine Frage. Im Regelfall bin ich da voll deiner Meinung.

Sorgen machen mir genau die anderen Fälle, für die die Balancer ja auch extra einen OVP und UVP Schutz haben.
Ein paar Seiten weiter vorne wurde in einem Erfahrungsberichten geschrieben, das eine Zelle plötzlich auch mal schneller leer war als die anderen.
bernierapido hat geschrieben:
.Ich habe es schon erlebt,das ein Zelle bei der Entladung viel schneller leer war


Genau das habe ich auch erlebt und das war dann der Zelltot einer 160AH-Zelle. Ich hatte nur Einzelbalancer gegen Überladung, die Unterspannung wurde insgesamt überwacht. 3 Zellen waren gut, die 4. hats getötet.
Teures Lehrgeld vor 2 Jahren


Gibt es eine minimal Gesamtspannung über alle Zellen auf die man sich verlassen kann. Soll heißen, erst unterhalb dieser Gesamtspannung könnte ein UVP Fall bei einer Zelle überhaupt erst eintreten und wenn die Gesamtspannung darüber ist kann die Spannung nicht kurzzeitig Abfallen und einen UVP Schutz auslösen?

mitko512 am 29 Nov 2013 18:07:27

Es gibt relativ billige Zellspannungslogger, z.B. aus dem Modellbau, die man frei einstellen kann. Alarmspannung etwas über die Ausschaltspannung stellen, bei Alarm manuell Heizung herunterfahren. Funktioniert dann auch generell als Sekundärüberwachung. Würde auch automatisch gehen, hängt aber davon ab, wie die Heizung gesteuert werden kann.

mv4 am 29 Nov 2013 18:10:45

durch die Balancer dürfte das nicht passieren...wenn ja dann ist davon auszugehen das die Zelle defekt ist. Dieser Fall wird (vorausgesetzt das system wird so gebaut und betrieben wie es sein sollte) vermutlich erst in 10 jahren oder später eintreten...da stirbt jeder Bleiaccu eher. Natürlich kann man aber was bauen was bei drohender Unterspannung (vor abschaltung) ein signal an die eberspächer sendet das sie herunterfahren soll.

edit. mitko war etwas schneller

gordan am 29 Nov 2013 21:08:32

°Scudo205

Deine Sorge ist meiner Meinung nach unbegründet. Balancer mußen für jede Zelle angebracht werden und dann driften die Zellen nicht zu weit auseinander. Was deine Eberspächer Standheizung und LVP bzw.OVP Schutz betrifft, hast du Recht dass da ein Problem besteht. Das kannst du lösen wenn du ein Verzögerung-Schaltrelais einbaust der nach LVP Abschaltung trotzdem Standheizung nachlaufen läßt. Nachlaufzeit kann man einstellen. Voraussetzung ist dass Standheizung angesteuert wird mit einem Zeitschaltuhr und nicht mit manuell Regler.

Gordan :hallo:

Scudo205 am 29 Nov 2013 22:12:39

Gordan,

Habe ich bzgl. Balancer etwas falsch verstanden?
Die Lipro1-1 werden aktiv, wenn die Spannung einer Zelle über 3,6V liegen. Das hilft mir also doch nur beim Aufladen der Zellen für eine gleichmäßige Spannungsverteilung.

Im reinen Verbrauchermodus haben die Balancer keine Auswirkung, oder doch?
Die Spannung über eine Zelle nimmt ja nur ab.

Beispiel: Oft bin ich irgendwo weit ab von jedem Campingplatz und das Auto ist aus (keine Lima, kein Netzladegerät eingeschaltet, kein Solar).
Wenn dann Verbraucher (Heizung) eingeschaltet sind und Strom aus den Zellen ziehen werden die Balancer nicht aktiv um für eine gleichmäßige Entladung zu sorgen, oder doch?

Sorry wenn ich etwas übervorsichtig bin. Ich möchte nicht gleich meine neuen Zellen zerstören.
Lieber 3 mal im Forum genervt als 1x eine Zelle zerstört, außerdem verkürzt das Grübeln über solche Probleme die Wartezeit auf die Zellen :-)

gordan am 29 Nov 2013 23:37:46

°Scudo205

Die Balancer in Kombination mit LVP (Low Volt Protektion) bringen dir die Sicherheit bei Entladung. Wenn aus irgendwelchen Grund, Zellenspannungen auseinander drifften, wird Stromversorgung unterbrochen so bald die erste Zelle 2,8V erreicht. Wie ich sagte das ist nur zu Sicherheit. Bei mir passiert das nicht. Nach meinen Beobachtungen bis jetzt, Zellen laufen parallel selbst ohne Balancer. Dass man aber nicht ausschließen kann das zu Unregelmäßigkeiten kommt, werden zu Sicherheit Balancer eingesetzt. Da die unterste Spannungsgränze bei Winston Zellen 2,5V ist, du hättest die Möglichkeit noch dein Standheizung auslaufen und abkühlen zu lassen. Diese Nachlaufzeit soll angesteuert werden, mit einem 12V Relais mit Ausschaltverzögerung, wie ich dir empfohlen habe.

Gordan :hallo:

Scudo205 am 03 Dez 2013 00:07:43

gordan hat geschrieben:
Was die Ladung durch Lichtmaschine betrifft, werde ich persönlich mich mit D+ Signal befassen und auch mit
OVP Signal ansteuern bzw. unterbrechen. Eine kleine Steuerung habe ich selbst dafür gebaut und nach wenig
Änderung am Verkabelung, funktioniert das tadellos.

Gordan :hallo:


Meine Lipro1-1 sind heute gekommen, sodass ich erste Versuche machen kann.
Ich konnte allerdings nicht rausfinden ob es wirklich die bestellte Version für LiFeYPo4 oder die Version für LiFePo4 Akkus ist. Es gibt nirgends einen entsprechenden Hinweis. Weiß jemand wie man das erkennt?

Gordon: Deine Ansteuerung des D+ Signals würde mich interessieren. Hast du von deiner Schaltung vielleicht nen Schaltplan oder ähnliches den du zur Verfügung stellen würdest?

gordan am 03 Dez 2013 01:19:04

Scudo205 hat geschrieben:
gordan hat geschrieben:Gordon: Deine Ansteuerung des D+ Signals würde mich interessieren. Hast du von deiner Schaltung..........


*Scudo205

Im Prinzip ist immer gleich, aber ich denke dass meistens individueller Losung nötig ist! Ladung der Bordbatterie durch die Lichtmaschine
findet statt durch zusammen Schließung Starter- und Bordbatterie! Ein Lastrelais wird mit D+ Signal aus der Lichtmaschine angesteuert und der
schließt zwei Batterien zusammen. Wenn Bordbatterie-Ladung durch die Lichtmaschine als OVP verhindert sein soll, muß D+ Signal abgetrennt werden.
Die Starterbatterie wird weiter geladen und die Bordbatterie nicht. Dieser Art-Schaltung ist wichtig, da du dadurch mit z.B. Schaudt EBL weiter Bordbatterie
laden kannst und gleichzeitig für Erhaltungsladung der Starterbatterie sorgen. Im Grunde relativ einfach, nur das muß individuell gelöst und angepasst werden abhängig von eingebautem EBL und ElektroInstallation des Fahrzeugs z.B. D+Signal, Simulation, oder Can Bus.
Noch mal zurück zu kommen auf dein Standheizung und Nachlaufzeit. Bei OVP kannst du auf ähnliche Art, Standheizung von der Bordbatterie
auf Starterbatterie umschalten wenn du das wunschst. Ich persönlich werde das nicht machen, da anderer Lösung mir als intelligenter erscheint.

Gordan :hallo:

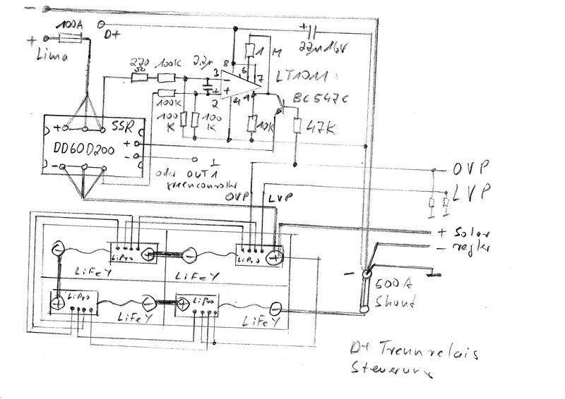
uwet am 04 Dez 2013 12:16:46

Hi,
da hier die Anfrage kam wie man D+ für ein SSR schaltet habe ich's mal kurz aufgezeichnet. Das Problem bei einem SSR als Trennrelais ist vor allem der Motorstart. D+ ist schon da wenn der Anlasser dreht und es wird zum Motoranlassen Energie aus der Aufbaubatterie entnommen wobei das SSR in dem Fall für kurze Zeit verkehrtrum eingeschaltet ist. Außerdem sinkt die LimaSpannung bei großer Last(Frontscheibenheizung 1000W oder elektrischerLufttrockner Frontscheibe) unter 13,8V und die Aufbaubatterie wird entladen statt geladen. Außerdem muß OVP vom BMS eingebunden werden.

Ich hoffe man kann einigermaßen was erkennen.
Die Schaltung aus Komparator und diskreten Bauelementen habe ich auf einer kleinen Lochrasterplatine direkt auf die Steueranschlüsse des SSR geschraubt. Legt man den Minus-Steuereingang auf Masse lädt die Aufbaubatterie bis zur maximalen Spannung der Lima wenn die Spannung der Lima größer ist als die der Aufbaubatterie. Verwendet man den greencontroller kann man einen der Ausgänge(OUT1-4) anschließen und so programmieren das die Ladung von der Lima bei einer gewünschten Spannung beendet wird. Es entsteht dann eine Art PWM. Ich lade nur bis 13,8V in die LiFeYPO4.
Wenn jemand die Schaltung auf eine richtige Leiterplatte bringen will, ich nehme auch eine.

Uwe

biauwe am 06 Dez 2013 12:52:00

Noch mal Einfrage zur Temperatur.

Diese Akkus schwanken im Frostbereich doch ganz schön mit der Spannung.



Kann es passieren, dass die Vorgabewerte der für die Balancer (OVP und UVP) die Zellen dann nicht ausreichend schützen?

lisunenergy am 09 Dez 2013 21:09:55

Die Schwankungen sind nur bei hohen Entladeströmen, die sehr kurz auftreten.Bei einer Weile, von vielleicht 5 Minuten erwärmt sich der Akku so, das die Spannung ansteigt.Die Balancer verhindern sofort, wenn ein Wert einer Zelle aus dem Parameter fährt. Dies erfolgt sofort . Die Abschaltespannung liegt bei 3 Volt pro Zelle und hat eine 10 minütige Hysterese bei hohen Entladungen bis 2,8 Volt.Bei 2,5 schaltet der Balancer sofort ab.Beim Entladen des Akkus konnte ich noch kein großes Driften feststellen.Es reicht bis jetzt völlig aus,das der Balancer bei 3,65 Volt mit dem Balancing der Zellen beginnt.Solar eignet sich da sehr gut, um dem Balancer genügend Zeit zu geben.Wem es interessiert, kann ich mal die aktuellen Zellspannungen jeder Zelle mitteilen.

Anzeige

  • Die neuesten 10 Themen
  •  
  • Die neuesten 10 Reiseberichte
  • Die neuesten 10 Stellplätze

Neues BMS für Lifepo4
max. sinnvolle Kapazität bei LiFeYPO4/LiFePO4?;
Alle Rechte vorbehalten ©2003 - 2026 AGB - Datenschutzerklaerung - Kontakt